GM Service Manual Online
For 1990-2009 cars only
Makes
🢒
Chevrolet
🢒
2003
🢒
Chevy C Silverado - 2WD
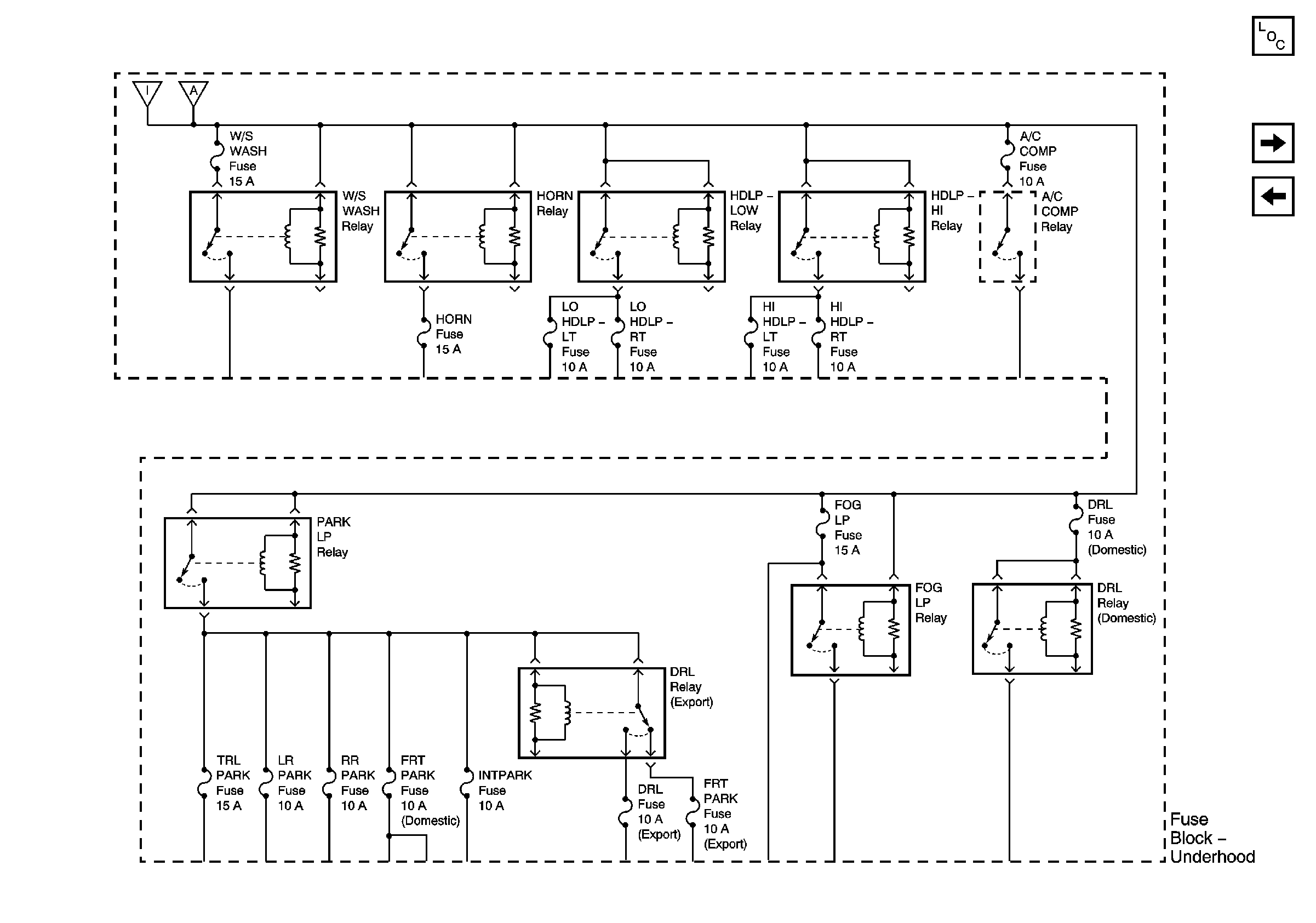
🢒 B+ Bus Bar - 3 of 3
B+ Bus Bar - 3 of 3
B+ Bus Bar - 3 of 3
Master Electrical Component List
Ignition, Run and Start Bus Bar
B+ Bus Bar (Diesel) - 2 of 3
B+ Bus Bar (Gas) - 1 of 3
B+ Bus Bar (Diesel) - 2 of 3