GM Service Manual Online
For 1990-2009 cars only
Makes
🢒
Chevrolet
🢒
2003
🢒
Chevy C Silverado - 2WD
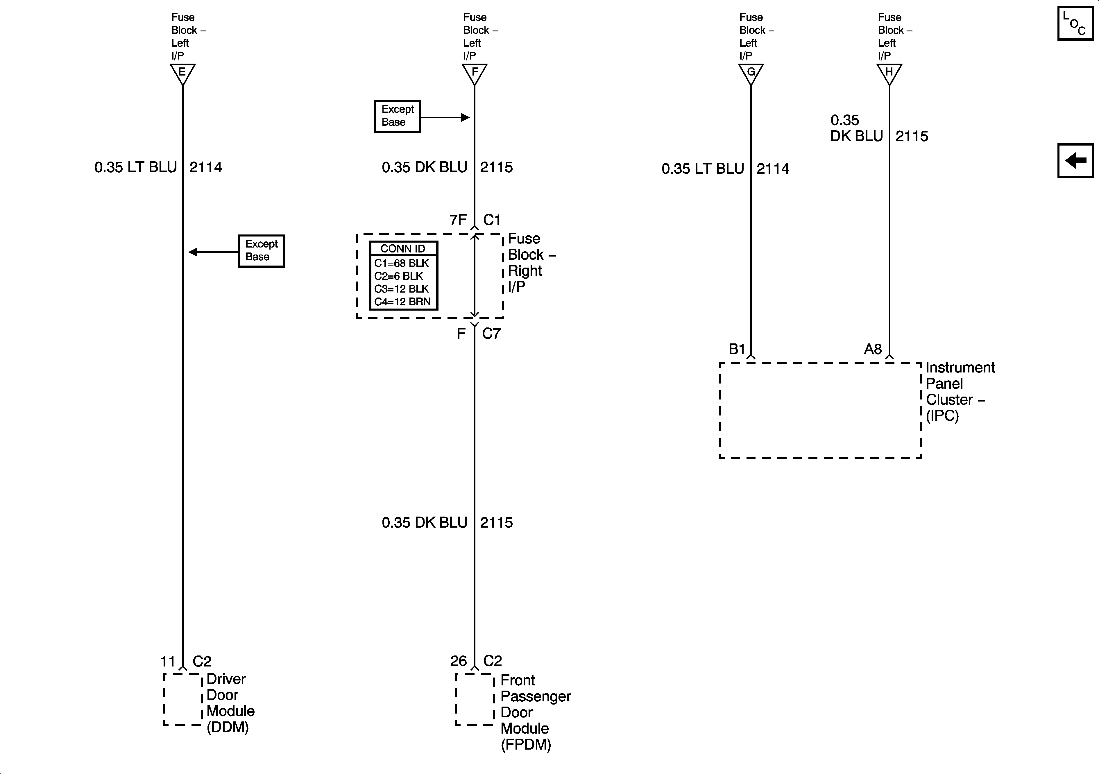
🢒 LT TURN, RT TURN - 2 of 2
LT TURN, RT TURN - 2 of 2
LT TRN, RT TRN - 2 of 2
Master Electrical Component List
LT TURN, RT TURN - 1 of 2
LT TURN, RT TURN - 1 of 2
LT TURN, RT TURN - 1 of 2
LT TURN, RT TURN - 1 of 2
LT TURN, RT TURN - 1 of 2