GM Service Manual Online
For 1990-2009 cars only
Makes
🢒
Chevrolet
🢒
2003
🢒
Chevy C Silverado - 2WD
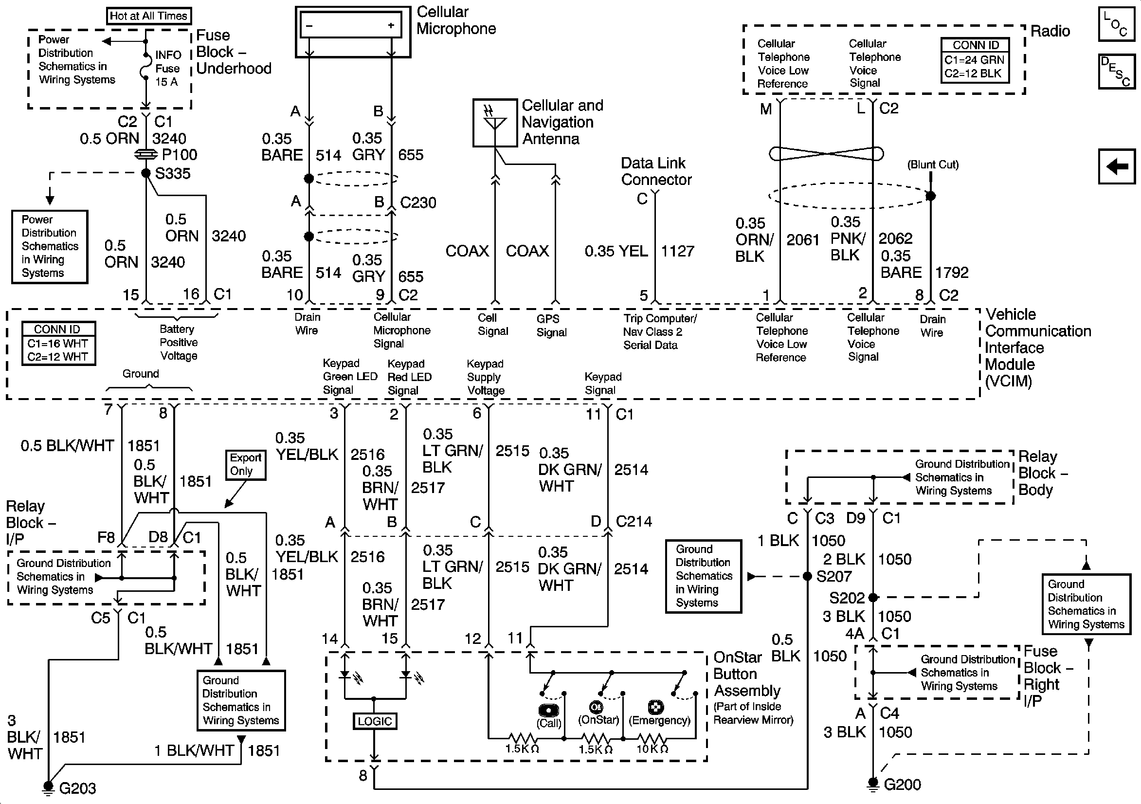
🢒 OnStar-Y91 Only
OnStar-Y91 Only
OnStar-Y91 Only
Master Electrical Component List
OnStar Description and Operation
OnStar-Except Y91
INFO, CIGAR
INFO, CIGAR
G203-1 of 3
G203-1 of 3
G200-3 of 3
G200-3 of 3
G200-1 of 3
G200-1 of 3