GM Service Manual Online
For 1990-2009 cars only
Makes
🢒
Chevrolet
🢒
2003
🢒
Chevy C Silverado - 2WD
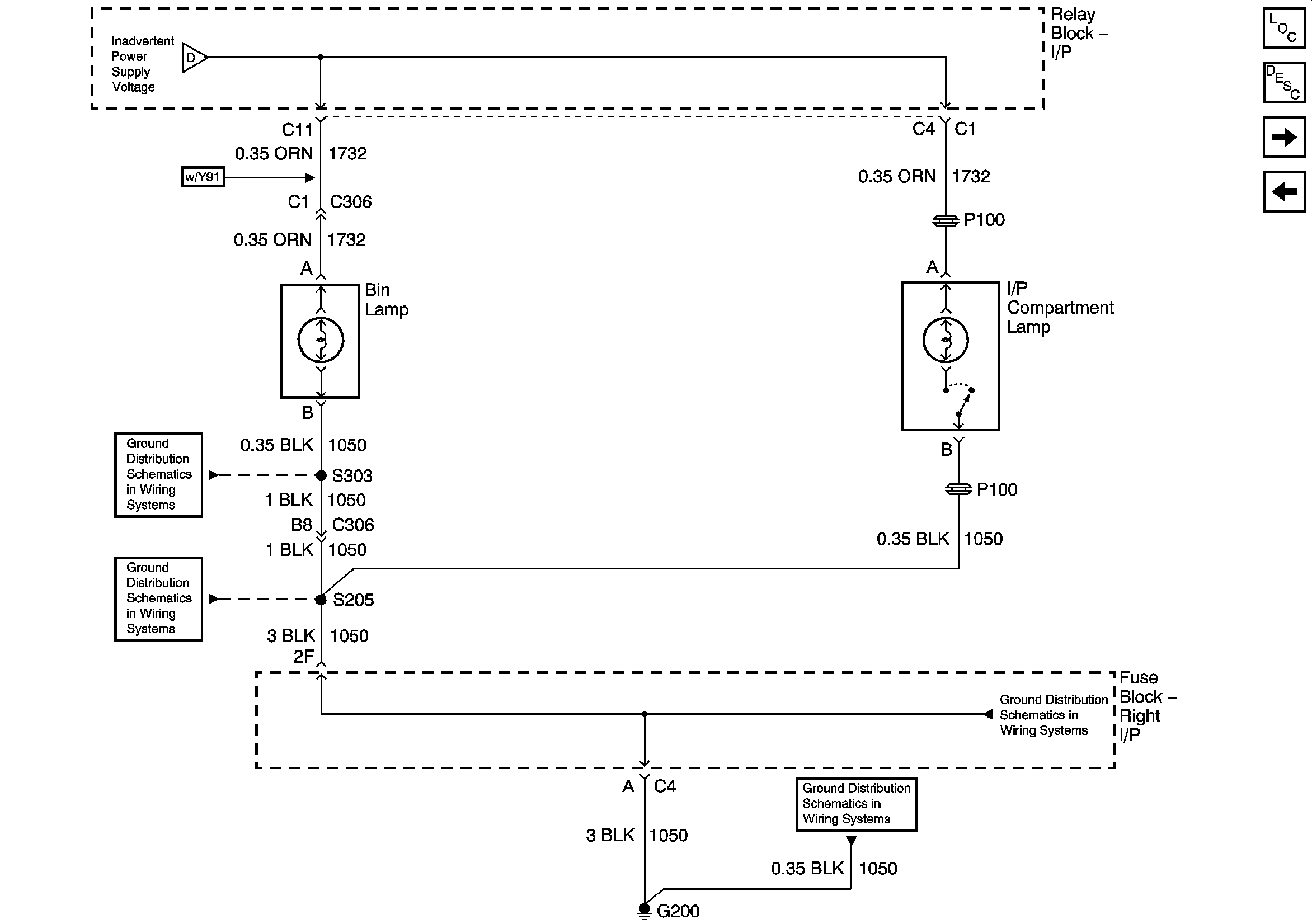
🢒 Inadvertent Power Supply Voltage - 4 of 4
Inadvertent Power Supply Voltage - 4 of 4
Inadvertent Power Supply Voltage - 4 of 4
Master Electrical Component List
Interior Lighting Systems Description and Operation
Courtesy Lamp Supply Voltage - 2 of 4
Inadvertent Power Supply Voltage - 3 of 4
Inadvertent Power Supply Voltage - 2 of 4
G200-2 of 3
G200-2 of 3
G200-1 of 3
G200-1 of 3