GM Service Manual Online
For 1990-2009 cars only
Makes
🢒
Chevrolet
🢒
2003
🢒
Chevy C Silverado - 2WD
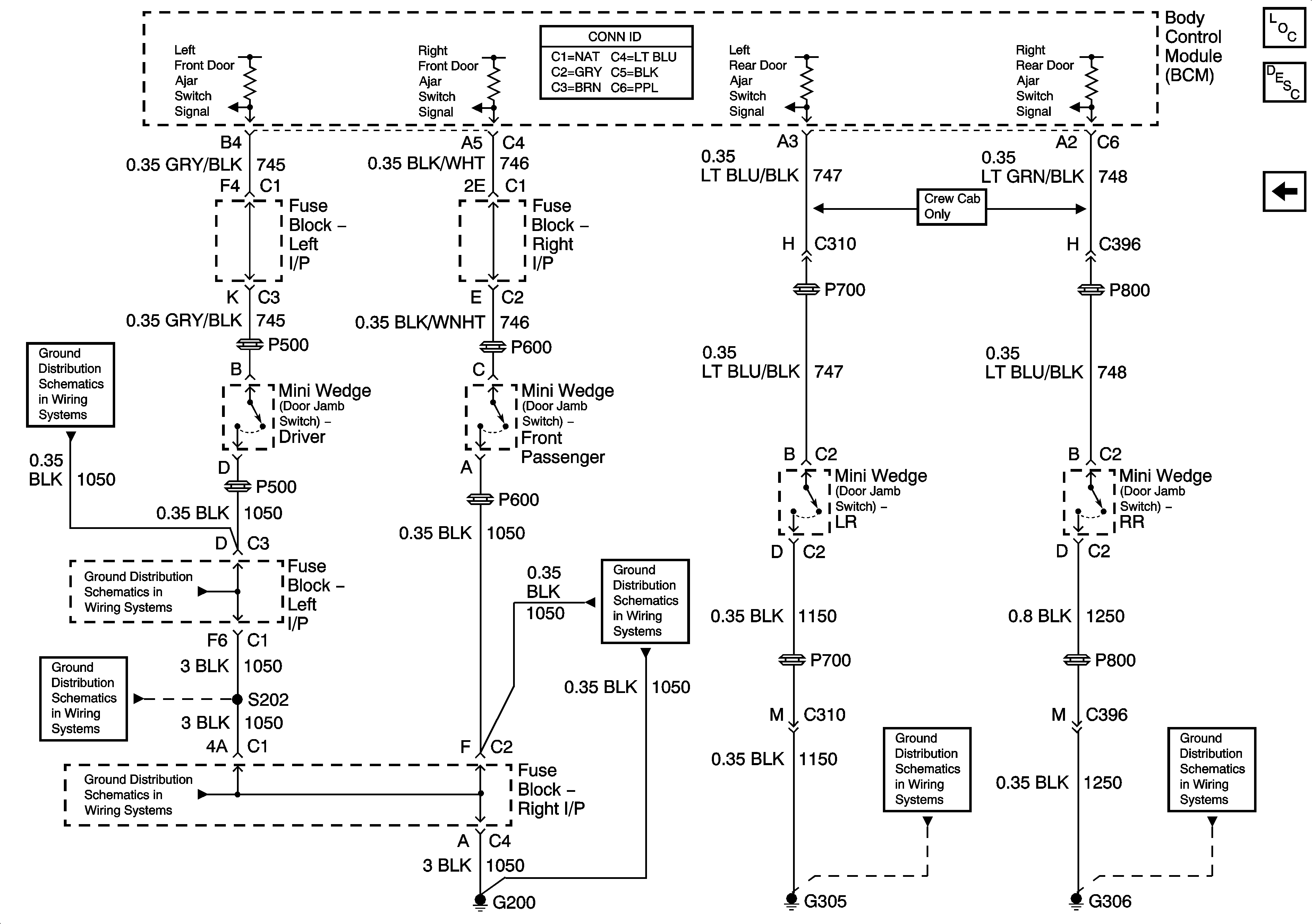
🢒 Door Jamb Switches - w/o YE9
Door Jamb Switches - w/o YE9
Door Jamb Switches - w/oYE9
Master Electrical Component List
Interior Lighting Systems Description and Operation
Door Jamb Switches - w/YE9 or Y91
G200-3 of 3
G200-3 of 3
G200-1 of 3
G200-1 of 3
G200-1 of 3
G304, G305
G306, G390