GM Service Manual Online
For 1990-2009 cars only
Makes
🢒
Chevrolet
🢒
2003
🢒
Chevy C Silverado - 2WD
🢒 Right Doors
Right Doors
Right Doors
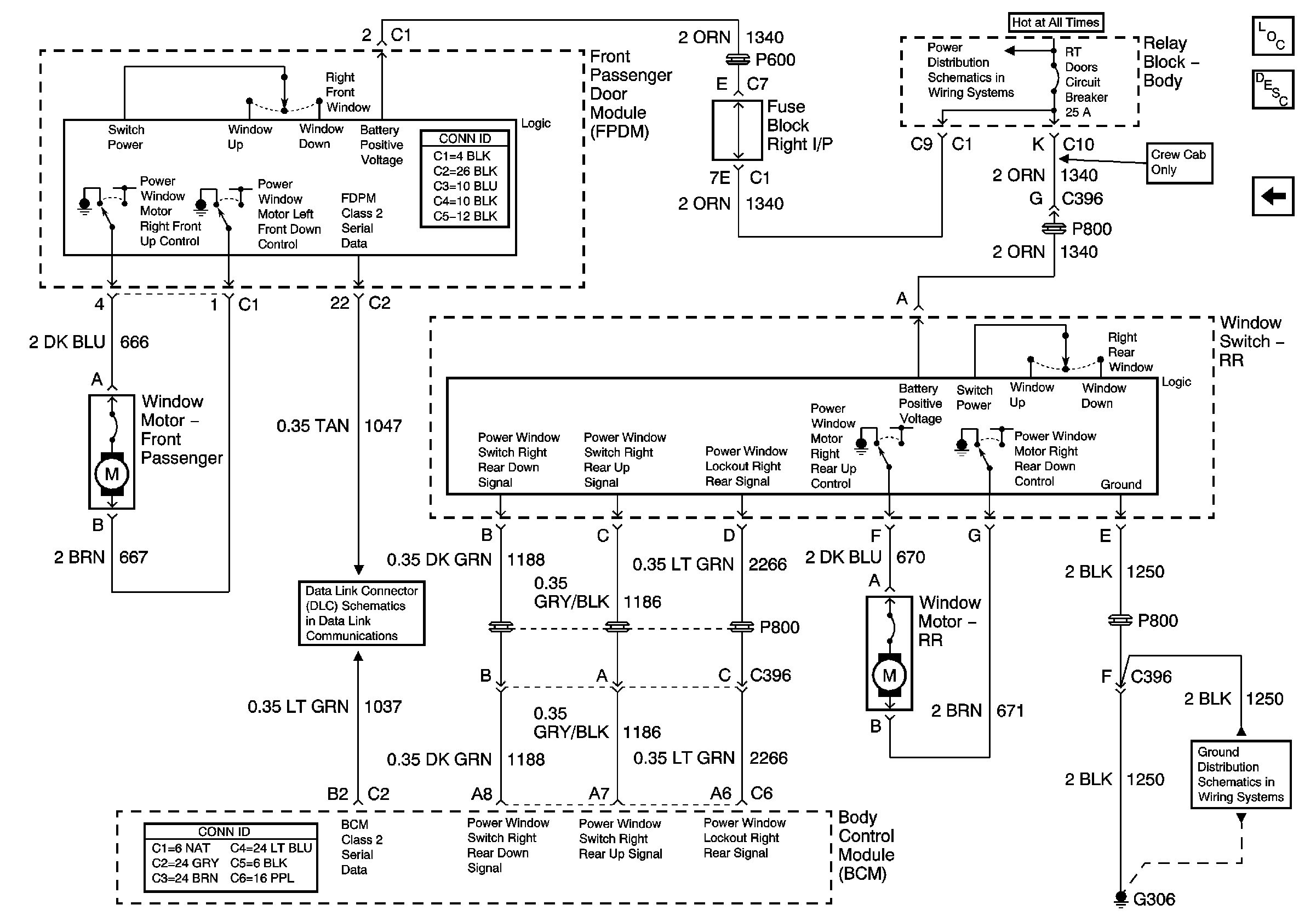
Master Electrical Component List
Power Windows Description and Operation
Left Doors
TBC 2A, TBC 2B, TBC 2C, LT DOORS, RT DOORS, SEATS
SP205 - 1 of 2
G306, G390