GM Service Manual Online
For 1990-2009 cars only
Makes
🢒
Chevrolet
🢒
2003
🢒
Chevy C Silverado - 2WD
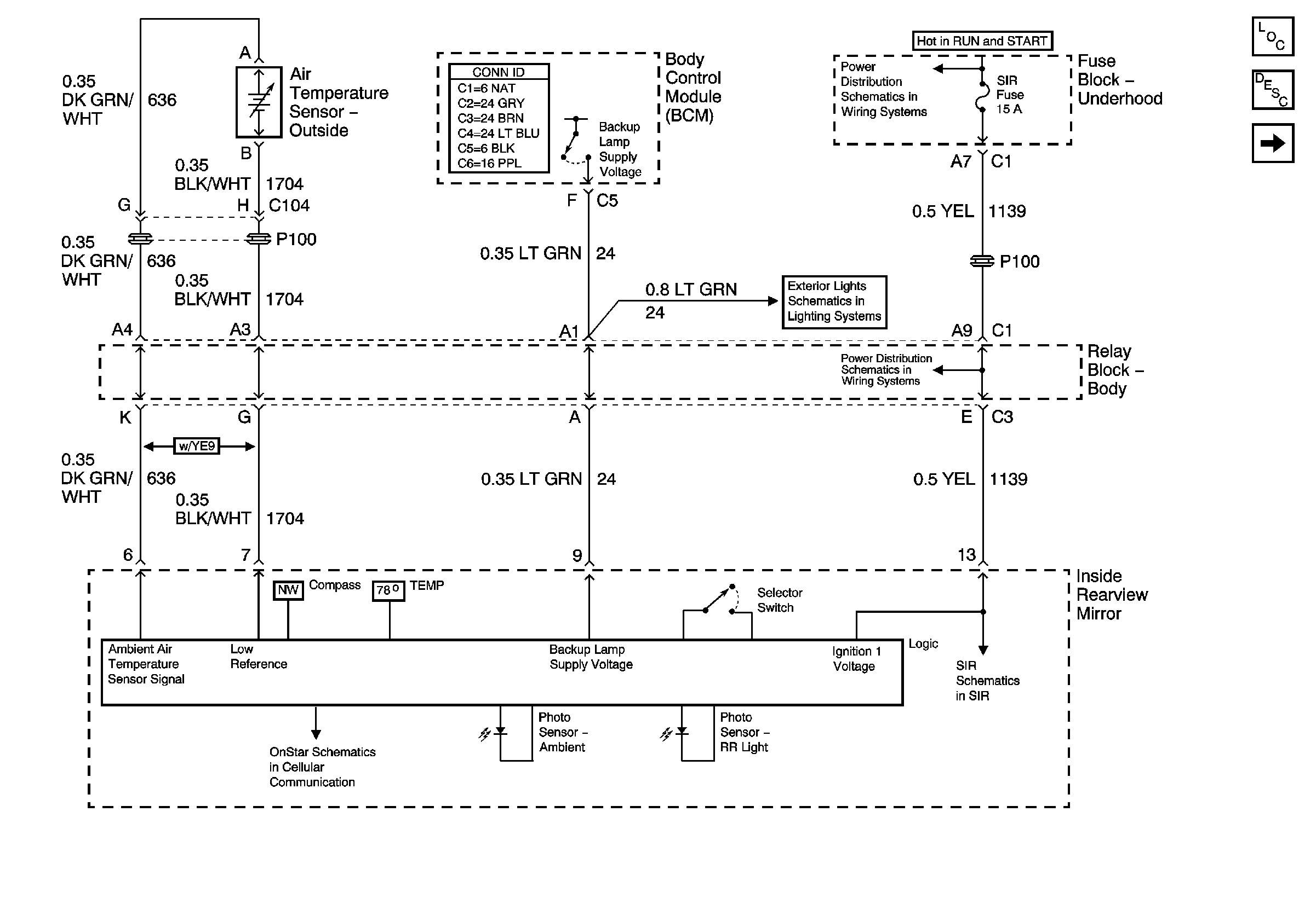
🢒 Power, Outside Air Temp, and Light Sensors
Power, Outside Air Temp, and Light Sensors
Power, Outside Air Temp, and Light Sensors
Master Electrical Component List
Automatic Day-Night Mirror Description and Operation
Ground and Electrochromic
LH HID, RH HID, PCM B, CRANK, HORN, SIR
Backup Lamps - GMC
LH HID, RH HID, PCM B, CRANK, HORN, SIR
Passenger Presence Schematics - 2 of 3
OnStar-Except Y91