GM Service Manual Online
For 1990-2009 cars only
Makes
🢒
Chevrolet
🢒
2003
🢒
Chevy C Silverado - 2WD
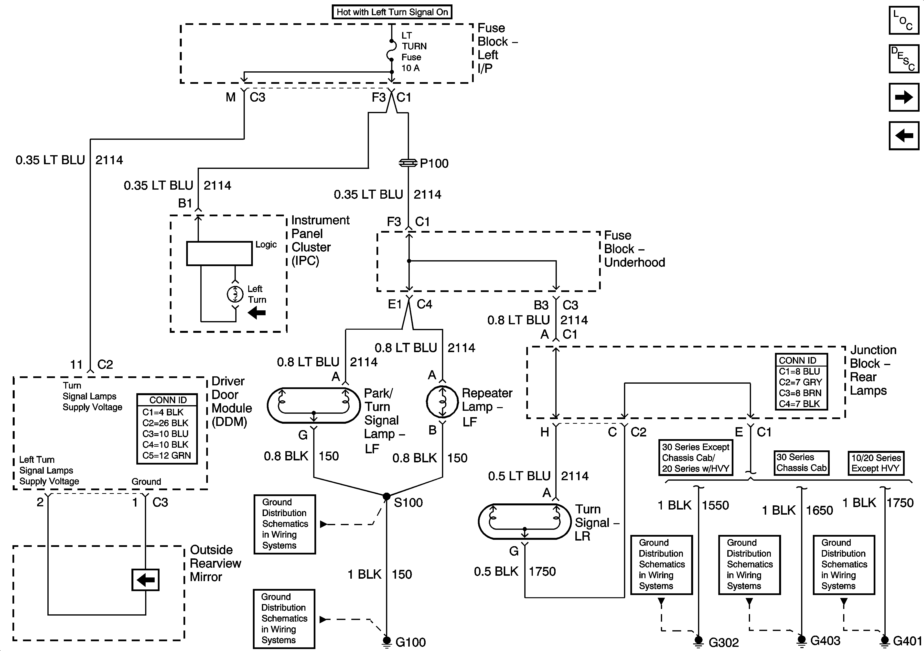
🢒 left Turn Signals - Export - GMC
left Turn Signals - Export - GMC
Left Turn Signals - Export - GMC
Master Electrical Component List
Exterior Lighting Systems Description and Operation
Left Turn Signals - Domestic - Chevrolet
left Turn Signals - Domestic - GMC
S100-Export
G100, G101, G105
G302
G403
G401, G402