GM Service Manual Online
For 1990-2009 cars only
Makes
🢒
Chevrolet
🢒
2003
🢒
Chevy C Silverado - 2WD
🢒 Right Turn Signals - Export - GMC
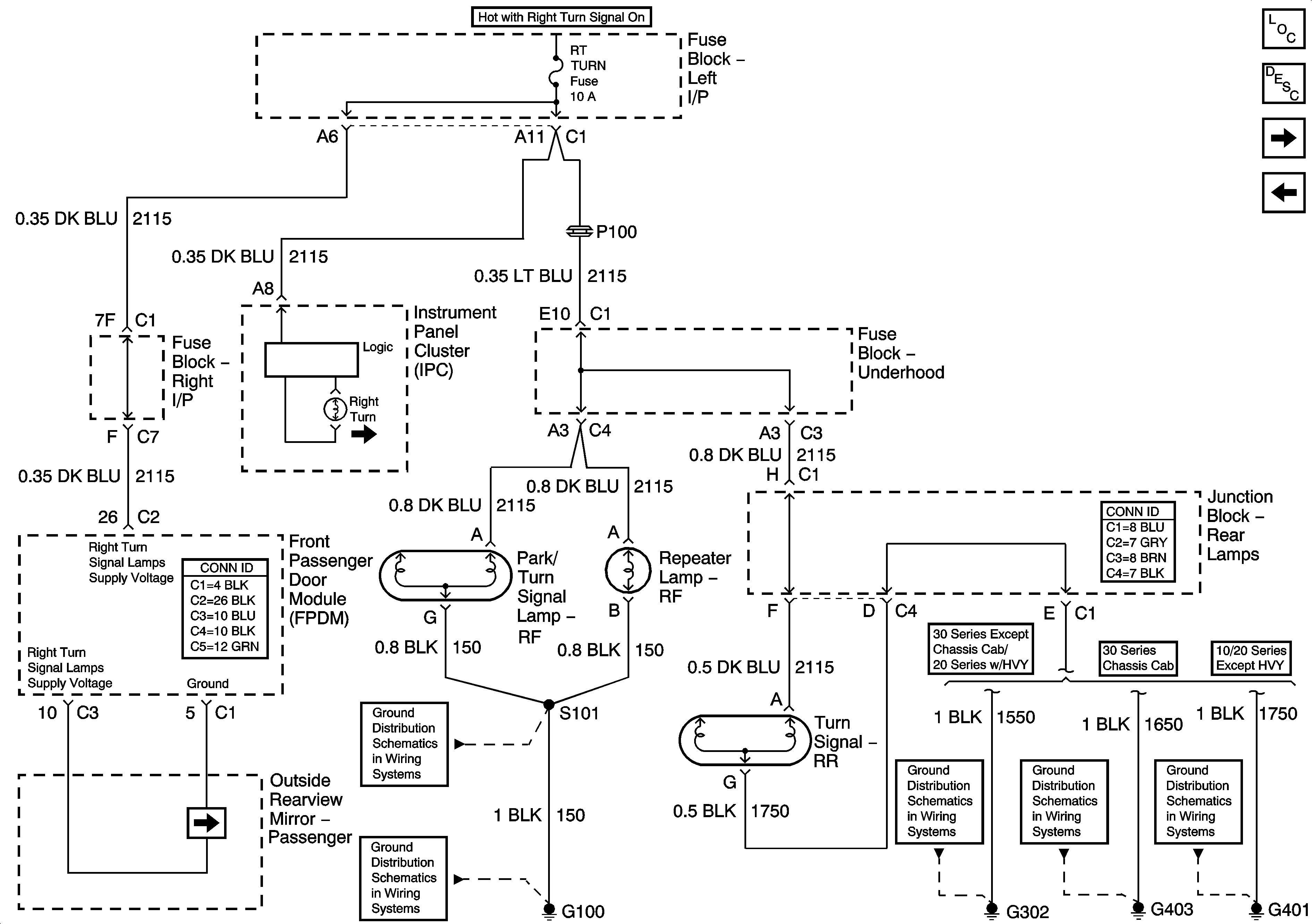
Right Turn Signals - Export - GMC
Right Turn Signals - Export - GMC
Master Electrical Component List
Exterior Lighting Systems Description and Operation
Right Turn Signals - Domestic - Chevrolet
Right Turn Signals - Domestic - GMC
S101-Export
G100, G101, G105
G302
G403
G401, G402