GM Service Manual Online
For 1990-2009 cars only
Makes
🢒
Chevrolet
🢒
2003
🢒
Chevy C Silverado - 2WD
🢒 8600 GVW or Less - 2 of 2
8600 GVW or Less - 2 of 2
8600 GVW or Less - 2 of 2
Master Electrical Component List
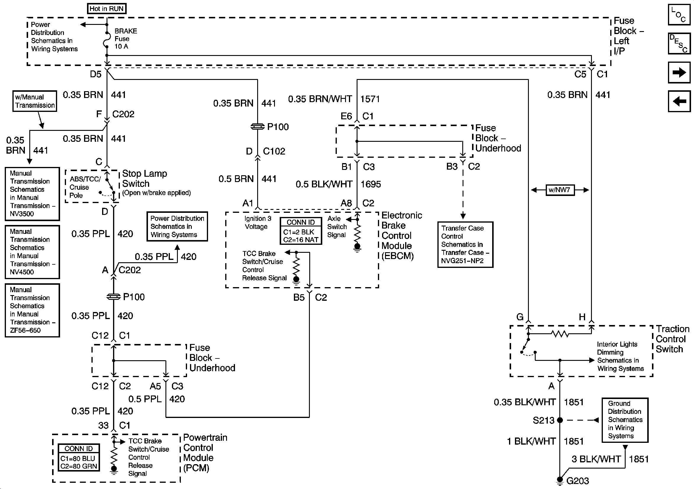
ABS Description and Operation 8600 GVW or less except PHT
Over 8600 GVW - 1 of 2
8600 GVW or Less - 1 of 2
BRAKE, HTR A/C, HVAC I
Manual Transmission Schematics
Manual Transmission Schematics
Manual Transmission Schematics
BRAKE, HTR A/C, HVAC I
Transfer Case Schematics - NP1
I/P Dimming Supply Voltage - 1 of 5
G203-1 of 3