GM Service Manual Online
For 1990-2009 cars only

Fuel Tank Draining 4.8L, 5.3L, and 6.0L Engine

Tools Required

J 45004 Fuel Tank Siphon Hose

Caution: Gasoline or gasoline vapors are highly flammable. A fire could occur if an ignition source is present. Never drain or store gasoline or diesel fuel in an open container, due to the possibility of fire or explosion. Have a dry chemical (Class B) fire extinguisher nearby.

  1. Remove the fuel fill cap.
  2. Insert the adapter to the fill pipe in order to hold open the internal fill pipe door.
  3. Insert the J 45004 hose through the adapter and into the tank.
  4. Attach the J 45004 hose to the hose used with the hand or air operated pumping device.
  5. Using the hand or air operated pumping device, drain as much fuel from the tank as possible.

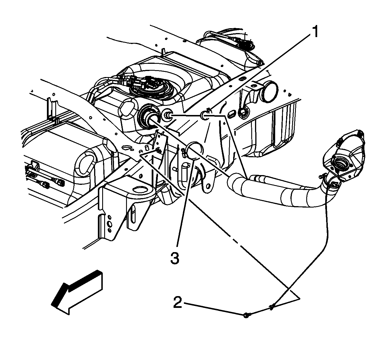
Fuel Tank Draining 5.3L (L59) Engine

Caution: Gasoline or gasoline vapors are highly flammable. A fire could occur if an ignition source is present. Never drain or store gasoline or diesel fuel in an open container, due to the possibility of fire or explosion. Have a dry chemical (Class B) fire extinguisher nearby.


    Object Number: 1228096  Size: SH
  1. Loosen the fuel fill cap in order to relieve the fuel tank vapor pressure.
  2. Raise and suitably support the vehicle. Refer to Lifting and Jacking the Vehicle .
  3. Loosen the fuel tank fill pipe clamp (3) at the fuel tank.
  4. Remove the fuel tank fill pipe.
  5. Remove the flame arrester screen from the tank opening.
  6. Insert a hose into the fuel tank opening.
  7. Using a hand or air operated pumping device, drain as much fuel from the tank as possible.