GM Service Manual Online
For 1990-2009 cars only
Makes
🢒
Chevrolet
🢒
2004
🢒
Chevy C Silverado - 2WD
🢒
Transmission/Transaxle
🢒
Automatic Transmission - 4L60-E/4L65-E
🢒 Power Door Systems Component Views
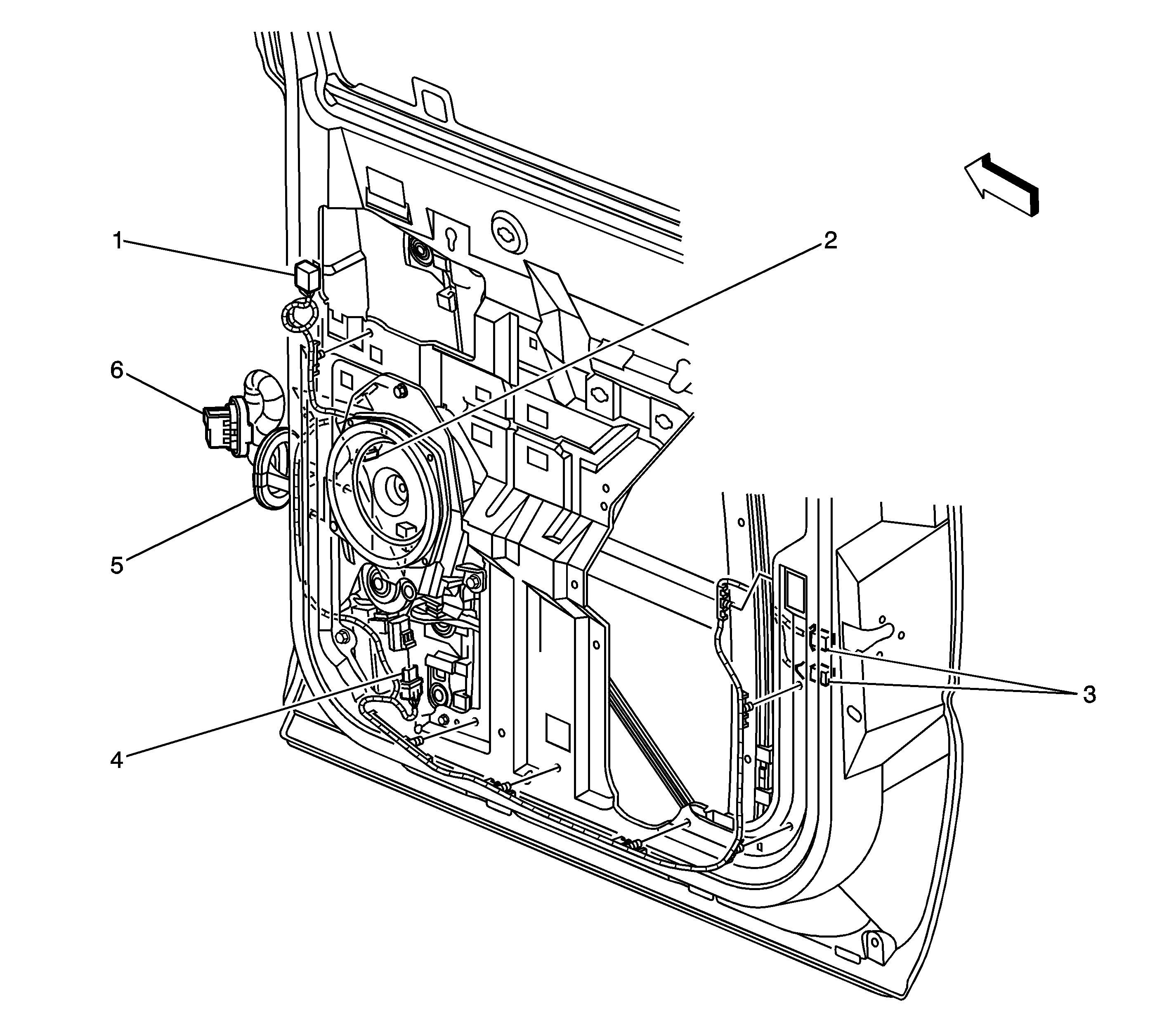
Figure
1:
Driver Door
(1)
Driver Door
(2)
Driver Door Module (DDM)
(3)
Outside Rearview Mirror - Driver
(4)
Window Motor - Driver
(5)
Memory/Heated Seat Switch Connector
(6)
Door Courtesy Lamp - Left Front
(7)
Driver Door Panel
(8)
Memory/Heated Seat Switch
(9)
Door Latch Assembly - Driver
Figure
2:
Front Passenger Door
(1)
Passenger Door Module (PDM)
(2)
Front Passenger Door
(3)
Door Latch Assembly - Passenger
(4)
Heated Seat Switch - Passenger
(5)
Heated Seat Switch Connector
(6)
Window Motor - Passenger
(7)
Outside Rearview Mirror - Passenger
Figure
3:
Left Rear Side Door
(1)
Speaker - Left Rear Door
(2)
Window Switch Connector - Left Rear
(3)
C310
(4)
P700
(5)
Window Motor - Left Rear
(6)
Door Latch Assembly Connectors - Left Rear
Figure
4:
Right Rear Side Door
(1)
Window Switch Connector - RR
(2)
Speaker - RR Door
(3)
Door Latch Assembly Connectors - RR
(4)
Window Motor - RR
(5)
P800
(6)
C396