GM Service Manual Online
For 1990-2009 cars only

Transmission Replacement 4.8L, 5.3L, and 6.0L Engines

Tools Required

J 21366 Converter Holding Strap

Removal Procedure

    Caution: Refer to Battery Disconnect Caution in the Preface section.

  1. Disconnect the negative battery cable. Refer to Battery Negative Cable Disconnection and Connection l.
  2. Raise and suitably support the vehicle. Refer to Lifting and Jacking the Vehicle .
  3. Remove the rear propeller shaft. Refer to Two-Piece Propeller Shaft Replacement or One-Piece Propeller Shaft Replacement .
  4. Support the transmission with a transmission jack.

  5. Object Number: 647997  Size: SH
  6. Remove the nut securing the transmission mount to the transmission support.
  7. Remove the nuts and bolts securing the transmission support to the frame.
  8. Raise the transmission slightly and remove the transmission support from the vehicle.
  9. Remove the exhaust pipe. Refer to Exhaust Manifold Pipe Replacement .
  10. Remove the catalytic converter. Refer to Catalytic Converter Replacement .
  11. Remove the starter motor. Refer to Starter Motor Replacement .
  12. If the vehicle is equipped with a transfer case, remove the front propeller shaft. Refer to Front Propeller Shaft Replacement .
  13. Lower the transmission to gain access to the top and sides of the transmission.
  14. Disconnect the vent tube hose and the electrical connections from the transfer case, if equipped.
  15. Remove the transmission mount.
  16. Remove the transfer case, if equipped. Refer to the appropriate procedure:
  17. •  Transfer Case Assembly Replacement for the NVG 261-NP2 transfer case
    •  Transfer Case Assembly Replacement for the NVG 149-NP transfer case
    •  Transfer Case Assembly Replacement for the NVG 263-NP1 transfer case
  18. Remove the shift cable end from the transmission shift lever ball stud and the pan rail bracket. Refer to Range Selector Lever Cable Replacement .

  19. Object Number: 394459  Size: SH
  20. Remove the transmission heat shield.
  21. Disconnect the transmission vent hose, the park/neutral position switch connector, and the main electrical connector from the transmission. Refer to Park/Neutral Position Switch Replacement .

  22. Object Number: 396800  Size: SH
  23. Remove the bolt that secures the fuel line bracket to the left side of the transmission.
  24. Remove the torque converter access plug.
  25. Remove the flywheel to torque converter bolts.
  26. Disconnect the transmission oil cooler lines from the transmission. Refer to Transmission Fluid Cooler Hose/Pipe Quick-Connect Fitting Disconnection and Connection .
  27. Plug the transmission oil cooler line connectors in the transmission case.

  28. Object Number: 394448  Size: SH
  29. Remove the stud and the bolt securing the transmission to the engine.

  30. Object Number: 394446  Size: SH
  31. Remove the six studs and one bolt securing the transmission to the engine.
  32. Install the J 21366 onto the transmission bell housing to retain the torque converter.
  33. Pull the transmission straight back.
  34. Remove the transmission from the vehicle while simultaneously removing the fluid level indicator tube.
  35. Flush the transmission oil cooler and cooling lines if necessary. Refer to Transmission Fluid Cooler Flushing and Flow Test .

Installation Procedure

  1. Install the J 21366 onto the transmission bell housing to retain the torque converter.
  2. Support the transmission with a transmission jack.
  3. Raise the transmission into place while simultaneously installing the fluid indicator tube.
  4. Remove the J 21366 from the transmission.
  5. Slide the transmission straight onto the locating pins while lining up the marks on the flywheel and the torque converter.
  6. The torque converter must rotate freely by hand.

    Notice: Refer to Fastener Notice in the Preface section.


    Object Number: 394446  Size: SH
  7. Install six studs and one bolt securing the transmission to the engine.
  8. Tighten
    Tighten the studs and the bolt to 50 N·m (37 lb ft).


    Object Number: 394448  Size: SH
  9. Install the stud and bolt securing the transmission to the engine.
  10. Tighten
    Tighten the stud and the bolt to 50 N·m (37 lb ft).


    Object Number: 408374  Size: SH
  11. If reusing the torque converter bolts, clean the bolt threads and apply LOCTITE 242, GM P/N 12345382 (Canadian P/N 10953489), or equivalent to the threads prior to installation.
  12. Install the flywheel to torque converter bolts.
  13. Tighten
    Tighten the bolts to 63 N·m (46 lb ft).

  14. Install the torque converter access plug.

  15. Object Number: 396800  Size: SH
  16. Install the transmission vent hose, fuel lines, and the wiring harness to the transmission.

  17. Object Number: 394459  Size: SH
  18. Install the two bolts securing the heat shield to the transmission.
  19. Tighten
    Tighten the bolt to 17 N·m (13 lb ft).

  20. Install the shift cable to the shift lever ball stud and the bracket. Refer to Range Selector Lever Cable Replacement
  21. Install the transfer case, if equipped. Refer to the appropriate procedure:
  22. •  Transfer Case Assembly Replacement for the NVG 261-NP2 transfer case
    •  Transfer Case Assembly Replacement for the NVG 149-NP transfer case
    •  Transfer Case Assembly Replacement for the NVG 263-NP1 transfer case

    Object Number: 647997  Size: SH
  23. Install the two bolts and nut securing the transmission rear mount to the transmission.
  24. Tighten
    Tighten the bolts and nut to 25 N·m (18 lb ft).

  25. Connect the vent hose and electrical connectors to the transfer case, if equipped.
  26. If the vehicle is equipped with a transfer case, install the front propeller shaft. Refer to Front Propeller Shaft Replacement .
  27. Install the starter motor. Refer to Starter Motor Replacement .
  28. Install the catalytic converter. Refer to Catalytic Converter Replacement .
  29. Install the exhaust pipe assembly. Refer to Exhaust Manifold Pipe Replacement .
  30. Install the transmission support to the vehicle.
  31. Tighten
    Tighten the bolts to 70 N·m (50 lb ft).

  32. Install the transmission mount to transmission support nut.
  33. Tighten
    Tighten the nuts to 40 N·m (29 lb ft).

  34. Remove the transmission jack.
  35. Install the rear propeller shaft. Refer to Two-Piece Propeller Shaft Replacement or One-Piece Propeller Shaft Replacement .
  36. Connect the oil cooler lines to the transmission. Refer to Transmission Fluid Cooler Hose/Pipe Replacement .
  37. Lower the vehicle.
  38. Caution: Refer to Battery Disconnect Caution in the Preface section.

  39. Connect the negative battery cable. Refer to Battery Negative Cable Disconnection and Connection .
  40. Fill the transmission to the proper level. Refer to Transmission Fluid Check .
  41. Important: It is recommended that transmission adaptive pressure (TAP) information be reset.

    Resetting the TAP values using a scan tool will erase all learned values in all cells. As a result, The engine control module (ECM), powertrain control module (PCM) or transmission control module (TCM) will need to relearn TAP values. Transmission performance may be affected as new TAP values are learned.

  42. Reset the TAP values. Refer to Transmission Adaptive Functions .

Transmission Replacement 5.3L Engine w/RPO HP2

Tools Required

J 21366 Converter Holding Strap

Caution: To help avoid personal injury, always treat the 3-phase cable and connectors as if voltage is present and as if the surface of all parts of the cable is hot.

Caution: To help avoid personal injury, always disconnect the 36V generator battery carrier before doing any work to the generator battery carrier system. To disconnect the generator battery carrier, turn the engine off and turn OFF the service disconnect switch, which is located on the passenger side of the generator battery carrier.

Removal Procedure


    Object Number: 1237060  Size: SH
  1. Disconnect the energy storage box (ESB). Refer to Hybrid Battery Service Disconnect/Connect in Engine Electrical.
  2. Disconnect the negative battery cable. Refer to Battery Negative Cable Disconnection and Connection in Engine Electrical.
  3. Remove the intake manifold. Refer to Intake Manifold Replacement .
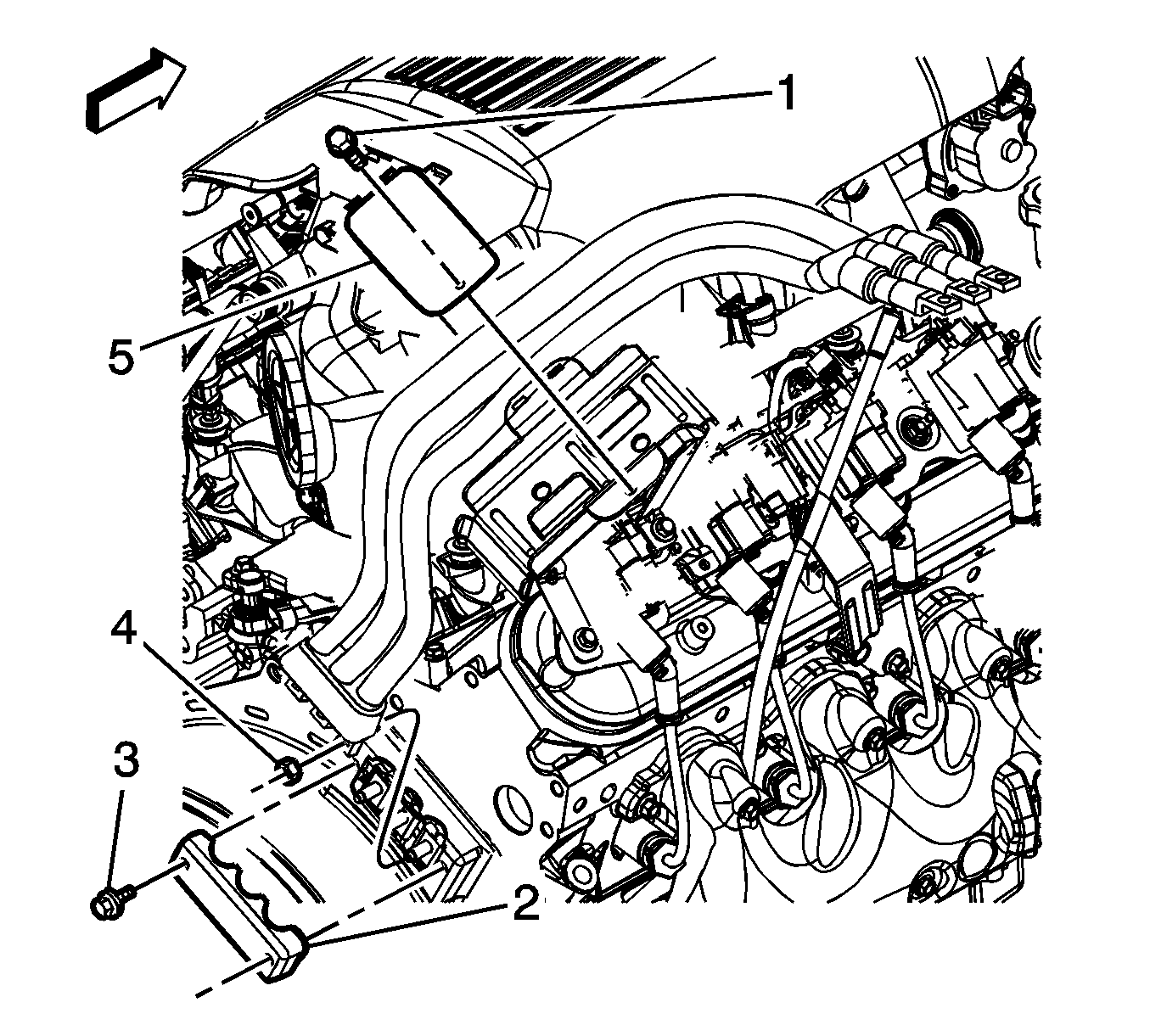
  4. Remove the 3-phase cable bracket cover bolt (1).

  5. Object Number: 1237061  Size: SH
  6. Remove the starter/generator control module (SGCM) cover bolts and cover.
  7. Remove the 3-phase cable nuts.
  8. Remove the 3-phase cable from the SGCM studs.

  9. Object Number: 1284303  Size: SH
  10. From under the hood, remove the transmission fill tube bolt. Reposition the fill tube.
  11. Drain the cooling system and engine block. Refer to Cooling System Draining and Filling in Engine Cooling.

  12. Object Number: 828574  Size: SH
  13. Raise and suitably support the vehicle. Refer to Lifting and Jacking the Vehicle in General Information.
  14. Drain the transmission fluid.
  15. Remove the transfer case, if equipped. Refer to Transfer Case Assembly Replacement in Transfer Case - NVG 261-NP2, or Transfer Case Assembly Replacement in Transfer Case - NVG 246-NP8.
  16. Remove the rear propeller shaft, if vehicle is a 2-wheel drive (2WD). Refer to One-Piece Propeller Shaft Replacement in Propeller Shaft.

  17. Object Number: 328107  Size: SH
  18. If vehicle is a 2WD, support the engine with a suitable adjustable jack.
  19. Important: If the vehicle is a 2WD, it is necessary to remove the crossbar, in order to remove the transmission.

  20. If vehicle is a 2WD, remove the crossbar bolts and bar.

  21. Object Number: 647997  Size: SH
  22. Support the transmission with a transmission jack.
  23. Remove the transmission mount nuts.

  24. Object Number: 702036  Size: SH
  25. Remove the transmission support bolts and nuts.
  26. Raise the transmission slightly and remove the transmission support.
  27. Remove the catalytic converter. Refer to Catalytic Converter Replacement in Engine Exhaust.
  28. Lower the transmission slightly, in order to gain access to the top of the transmission.

  29. Object Number: 394459  Size: SH
  30. Remove the transmission heat shield bolts and shield.

  31. Object Number: 1284299  Size: SH
  32. Remove the connector position assurance (CPA) retainer.
  33. Disconnect the park/neutral position (PNP) switch electrical connector (2).

  34. Object Number: 858994  Size: SH
  35. Disconnect the transmission harness 20-way connector (1) from the internal harness pass-through connector.
  36. Depress both tabs on the connector and pull straight up; do not pry the connector.

  37. If vehicle is a 2WD, disconnect the vehicle speed sensor (VSS) (2).

  38. Object Number: 396800  Size: SH
  39. Remove the bolt that secures the fuel line bracket to the left side of the transmission.
  40. Reposition the harness out of the way.

  41. Object Number: 738167  Size: SH
  42. Disconnect the range selector cable end (2) from the transmission range selector lever ball stud (1).

  43. Object Number: 777649  Size: SH
  44. Remove the transmission range selector cable bracket bolts (1).
  45. Reposition the selector cable bracket (2) and cable out of the way.

  46. Object Number: 707396  Size: SH
  47. Remove the driver side exhaust heat shield nuts (2).
  48. Remove the driver side exhaust heat shield (1).

  49. Object Number: 1195697  Size: SH
  50. Remove the thermal bypass hose bolt.
  51. Important: Ensure that the O-ring seal is removed with the hose.

  52. Reposition the thermal bypass hose clamp.
  53. Remove the thermal bypass hose from the fitting.

  54. Object Number: 1206694  Size: SH
  55. Remove the coolant inlet pipe to stator bolt (4).
  56. Reposition the inlet pipe (3) out of the way.

  57. Object Number: 1195702  Size: SH
  58. Remove the driver side closeout cover bolt and cover.

  59. Object Number: 1195704  Size: SH
  60. Remove the passenger side closeout cover bolt and cover.

  61. Object Number: 310119  Size: SH
  62. Remove the engine shield bolts and shield, if necessary.

  63. Object Number: 1195705  Size: SH

    Important: It is highly recommended to use a 3/8 inch, 6 point shallow thin wall socket and a wobble extension to loosen the torque converter bolts and a 8 mm ball end hex key to remove the bolts in order to prevent possibly stripping the bolts.

  64. Remove the torque converter bolts.

  65. Object Number: 396804  Size: SH
  66. Disconnect the transmission oil cooler lines from the transmission. Refer to Transmission Fluid Cooler Hose/Pipe Quick-Connect Fitting Disconnection and Connection .
  67. Plug the transmission oil cooler lines and fittings.

  68. Object Number: 1237060  Size: SH
  69. Lower the transmission, in order to access the 3-phase cable cover.
  70. Remove the 3-phase cable cover nuts (3).
  71. Remove the 3-phase cable nuts (4).
  72. Remove the 3-phase cable from the stator studs.
  73. Position the 3-phase cable up and out of the way, in order to access the fill tube bolt.

  74. Object Number: 1238747  Size: SH
  75. Remove the fuel line bracket nut and bracket from the upper left bellhousing stud.
  76. Remove the transmission vent hose bracket nut and bracket from the top bellhousing stud.
  77. Remove the vent hose from the transmission.

  78. Object Number: 1195707  Size: SH
  79. Remove the transmission studs (1) and bolts (2) to the engine.

  80. Object Number: 1195708  Size: SH
  81. Remove the transmission nuts to the engine.
  82. Pull the transmission straight back in order to disengage the torque converter.
  83. Once the transmission is pulled back far enough, install J 21366 onto the bell housing in order to retain the torque converter.
  84. Once the transmission is far enough back, remove the driver side stator stud.
  85. Remove the transmission from the vehicle while simultaneously removing the fluid level indicator tube.
  86. Flush the transmission oil cooler and cooling lines if necessary. Refer to Transmission Fluid Cooler Flushing and Flow Test .

Installation Procedure


    Object Number: 1195708  Size: SH
  1. Install the transmission to the vehicle while simultaneously installing the fluid level indicator tube.
  2. Notice: Refer to Fastener Notice in the Preface section.

  3. Once the transmission is half way installed, install the driver side stator stud.
  4. Tighten
    Tighten the stud to 16 N·m (12 lb ft).

  5. Once the transmission is half way installed, remove J 21366 from the bellhousing.
  6. Slide the transmission forward in order to engage the torque converter.
  7. Install the transmission nuts to the engine.
  8. Tighten
    Tighten the nuts to 12 N·m (106 lb in).


    Object Number: 1195707  Size: SH
  9. Install the transmission studs (1) and bolts (2) to the engine.
  10. Tighten
    Tighten the bolts and studs to 50 N·m (37 lb ft).


    Object Number: 1238747  Size: SH
  11. Install the vent hose to the transmission.
  12. Install the transmission vent hose bracket and nut to the top bellhousing stud.
  13. Tighten
    Tighten the nut to 12 N·m (106 lb in).

  14. Install the fuel line bracket and nut to the upper left bellhousing stud.
  15. Tighten
    Tighten the nut to 12 N·m (106 lb in).


    Object Number: 1237060  Size: SH
  16. Position the 3-phase cable to the stator studs.
  17. Install the 3-phase cable nuts (4).
  18. Tighten

    1. Tighten the nuts a first pass to 14 N·m (10 lb ft).
    2. Tighten the nuts a final pass to 14 N·m (10 lb ft).

    Important: The 3-phase cable cover studs may have a tendency to spread apart when the nuts are torqued. Once they have spread apart, they may not align with the holes in the cover. The studs can be realigned by squeezing them together at the tips. Each stud has a hex on the tip end where a tool cane be place without damaging the threads.

  19. Install the 3-phase cable cover and nuts (3).
  20. Tighten
    Tighten the nuts to 9 N·m (80 lb in).

  21. Raise the transmission to a level position.

  22. Object Number: 408374  Size: SH
  23. Remove the torque converter access plug.
  24. Rotate the torque converter in order to align the converter bolt holes with the flexplate holes.

  25. Object Number: 1195705  Size: SH

    Important: It is highly recommended to use a 8 mm ball end hex key to install and hand tighten the torque converter bolts, then a 3/8 inch, 6 point shallow thin wall socket and a wobble extension to torque the torque converter bolts in order to prevent possibly stripping the bolts.

  26. Install the torque converter bolts.
  27. Tighten
    Tighten the bolts to 63 N·m (46 lb ft).


    Object Number: 408374  Size: SH
  28. Install the torque converter access plug.

  29. Object Number: 310119  Size: SH
  30. Install the engine shield and bolts, if necessary.
  31. Tighten
    Tighten the bolt to 20 N·m (15 lb ft).


    Object Number: 1195704  Size: SH
  32. Install the passenger side closeout cover and bolt.
  33. Tighten
    Tighten the bolt to 12 N·m (106 lb in).


    Object Number: 1195702  Size: SH
  34. Install the driver side closeout cover and bolt.
  35. Tighten
    Tighten the bolt to 12 N·m (106 lb in).


    Object Number: 1206694  Size: SH
  36. Position the inlet pipe (3) to the stator.
  37. Install the coolant inlet pipe to stator bolt (4).
  38. Tighten
    Tighten the bolt to 9 N·m (80 lb in).


    Object Number: 1195697  Size: SH
  39. Install the thermal bypass hose to the fitting.
  40. Position the thermal bypass hose clamp.
  41. Important: Ensure that there is a O-ring seal on the bypass hose end that attaches to the transmission.

  42. Install the thermal bypass hose bolt.
  43. Tighten
    Tighten the bolt to 10 N·m (89 lb in).


    Object Number: 707396  Size: SH
  44. Install the driver side exhaust heat shield (1).
  45. Install the driver side exhaust heat shield nuts (2).
  46. Tighten
    Tighten the nuts to 9 N·m (80 lb in).


    Object Number: 777649  Size: SH
  47. Position the selector cable bracket (2) and cable.
  48. Install the transmission range selector cable bracket bolts (1).
  49. Tighten
    Tighten the bolts to 25 N·m (18 lb ft).


    Object Number: 738167  Size: SH
  50. Connect the range selector cable end (2) to the transmission range selector lever ball stud (1).

  51. Object Number: 396800  Size: SH
  52. Position the harness to the transmission.
  53. Install the bolt that secures the fuel line bracket to the left side of the transmission.
  54. Tighten
    Tighten the bolt to 10 N·m (89 lb in).


    Object Number: 858994  Size: SH
  55. If vehicle is a 2WD, connect the VSS (2).
  56. Connect the transmission harness 20-way connector (1) to the internal harness pass-through connector.

  57. Object Number: 1284299  Size: SH
  58. Connect the PNP switch electrical connector (2).
  59. Install the CPA retainer.

  60. Object Number: 394459  Size: SH
  61. Install the transmission heat shield and bolts.
  62. Tighten
    Tighten the bolts to 17 N·m (13 lb ft).


    Object Number: 702036  Size: SH
  63. Raise the transmission slightly.
  64. Install the catalytic converter. Refer to Catalytic Converter Replacement in Engine Exhaust.
  65. Install the transmission support.
  66. Install the transmission support bolts and nuts.
  67. Tighten
    Tighten the bolts to 70 N·m (50 lb ft).

  68. Lower the transmission onto the support.

  69. Object Number: 647997  Size: SH
  70. Install the transmission mount nuts.
  71. Tighten
    Tighten the nuts to 40 N·m (29 lb ft).

  72. Remove the support from the transmission.

  73. Object Number: 328107  Size: SH
  74. If vehicle is a 2WD, remove the support from the engine.
  75. If vehicle is a 2WD, install the crossbar bolts and bar.
  76. Tighten
    Tighten the bolts to 100 N·m (74 lb ft).

  77. If vehicle is a 2WD, install the rear propeller shaft. Refer to One-Piece Propeller Shaft Replacement in Propeller Shaft.

  78. Object Number: 396804  Size: SH
  79. Remove the plugs from the transmission oil cooler lines and fittings.
  80. Connect the transmission oil cooler lines to the transmission. Refer to Transmission Fluid Cooler Hose/Pipe Quick-Connect Fitting Disconnection and Connection

  81. Object Number: 828574  Size: SH
  82. Install the transfer case, if equipped. Refer to Transfer Case Assembly Replacement in Transfer Case - NVG 261-NP2, or Transfer Case Assembly Replacement in Transfer Case - NVG 246-NP8.

  83. Object Number: 1284303  Size: SH
  84. From under the hood, Position the fill tube. install the fill tube bolt.
  85. Tighten
    Tighten the bolt to 18 N·m (13 lb ft).


    Object Number: 1237061  Size: SH
  86. Install the 3-phase cable to the SGCM studs.
  87. Install the 3-phase cable nuts.
  88. Tighten
    Tighten the nuts to 15 N·m (11 lb ft).

  89. Install the SGCM cover and bolts.
  90. Tighten
    Tighten the bolts to 9 N·m (80 lb in).


    Object Number: 1237060  Size: SH
  91. Install the 3-phase cable bracket cover bolt (1).
  92. Tighten
    Tighten the bolt to 9 N·m (80 lb in).

  93. Install the intake manifold. Refer to Intake Manifold Replacement .
  94. Connect the negative battery cable. Refer to Battery Negative Cable Disconnection and Connection in Engine Electrical.
  95. Refill the cooling system and engine block. Refer to Cooling System Draining and Filling in Engine Cooling.
  96. Connect the ESB. Refer to Hybrid Battery Service Disconnect/Connect in Engine Electrical.
  97. Fill the transmission to the correct capacity. Refer to Approximate Fluid Capacities in Maintenance and Lubrication.
  98. Important: It is recommended that transmission adaptive pressure (TAP) information be reset.

    Resetting the TAP values using a scan tool will erase all learned values in all cells. As a result, The ECM, PCM or TCM will need to relearn TAP values. Transmission performance may be affected as new TAP values are learned.

  99. Reset the TAP values. Refer to Transmission Adaptive Functions .