GM Service Manual Online
For 1990-2009 cars only

Removal Procedure


    Object Number: 658988  Size: SH

    Important: Individual pressure switches cannot be replaced. When any pressure switch needs replacing, the entire assembly must be replaced.

    Important: The modulated main pressure solenoid G has been removed for clarity.

  1. Remove the oil pan and transmission internal oil filter. Refer to Oil Pan Replacement .
  2. Remove the two bolts (2). Remove the reverse signal pipe (1).
  3. Caution: Unless directed otherwise, the ignition and start switch must be in the OFF or LOCK position, and all electrical loads must be OFF before servicing any electrical component. Disconnect the negative battery cable to prevent an electrical spark should a tool or equipment come in contact with an exposed electrical terminal. Failure to follow these precautions may result in personal injury and/or damage to the vehicle or its components.


    Object Number: 658992  Size: SH
  4. Disconnect the internal wiring harness connector from the transmission fluid pressure (TFP) switch (2).
  5. Remove 5 bolts (1). Remove the TFP switch (2).

Installation Procedure

    Notice: Use the correct fastener in the correct location. Replacement fasteners must be the correct part number for that application. Fasteners requiring replacement or fasteners requiring the use of thread locking compound or sealant are identified in the service procedure. Do not use paints, lubricants, or corrosion inhibitors on fasteners or fastener joint surfaces unless specified. These coatings affect fastener torque and joint clamping force and may damage the fastener. Use the correct tightening sequence and specifications when installing fasteners in order to avoid damage to parts and systems.


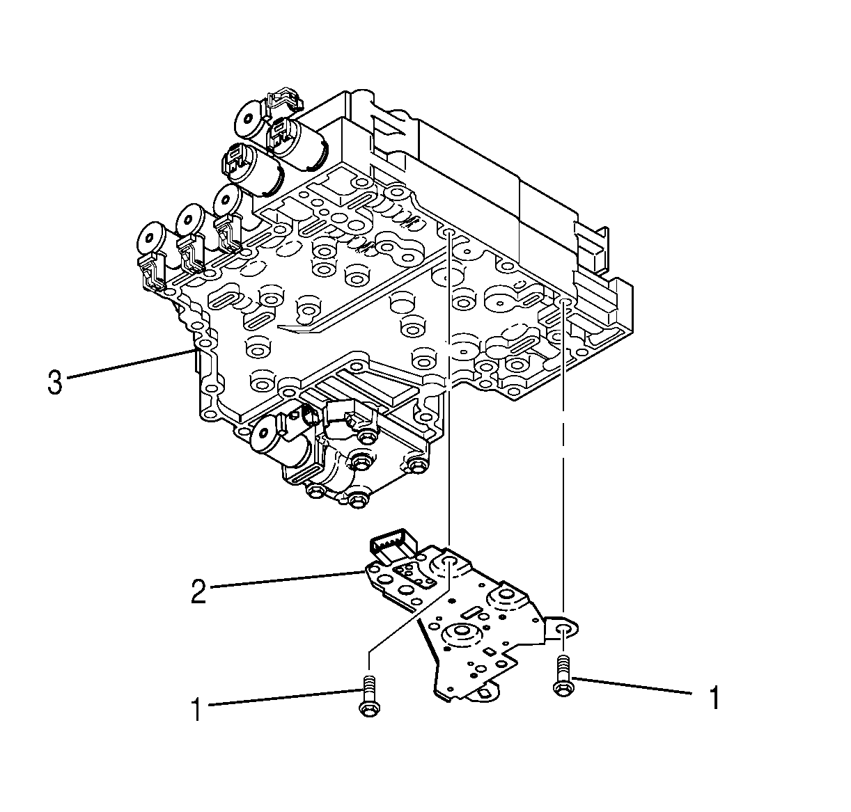
    Object Number: 1371105  Size: SH
  1. Place the new TFP manifold assembly (2) in position and install one bolt (1) in a recessed location to hold in position. Start the remaining four bolts (1) in recessed locations and tighten the bolts by hand.
  2. Tighten
    Torque the bolts to 12 N·m (108 lb in).

  3. Connect the internal wiring harness connector to the TFP switch.

  4. Object Number: 658988  Size: SH
  5. Install the reverse signal pipe (1). Install two bolts (2).
  6. Tighten
    Tighten the bolts to 12 N·m (108 lb in).

  7. Install the oil pan and transmission internal oil filter. Refer to Oil Pan Replacement .