GM Service Manual Online
For 1990-2009 cars only

Evaporator Tube Replacement W/O HP2

Tools Required

J 39400-A Halogen Leak Detector

Removal Procedure

  1. Recover the refrigerant from the A/C system. Refer to Refrigerant Recovery and Recharging .

  2. Object Number: 385463  Size: SH
  3. Remove the evaporator tube nut from the evaporator.
  4. Remove the evaporator tube from the evaporator.

  5. Object Number: 363033  Size: SH
  6. Remove the right park/turn signal lamp. Refer to Parking and Turn Signal Lamp Replacement .
  7. Remove the grille from the vehicle. Refer to Grille Replacement .
  8. Remove the evaporator tube nut from the condenser.
  9. Remove the evaporator tube from the condenser.
  10. Remove the evaporator tube from the vehicle.
  11. Discard all of the used sealing washers. Cap all of the open connections.

Installation Procedure

  1. Install the evaporator tube to the condenser using new sealing washers. Refer to Sealing Washer Replacement
  2. Notice: Use the correct fastener in the correct location. Replacement fasteners must be the correct part number for that application. Fasteners requiring replacement or fasteners requiring the use of thread locking compound or sealant are identified in the service procedure. Do not use paints, lubricants, or corrosion inhibitors on fasteners or fastener joint surfaces unless specified. These coatings affect fastener torque and joint clamping force and may damage the fastener. Use the correct tightening sequence and specifications when installing fasteners in order to avoid damage to parts and systems.


    Object Number: 363033  Size: SH
  3. Install the evaporator tube nut to the condenser.
  4. Tighten
    Tighten the nut to 16 N·m (12 lb ft).

  5. Install the grille to the vehicle. Refer to Grille Replacement .
  6. Install the right park/turn signal lamp. Refer to Parking and Turn Signal Lamp Replacement .
  7. Install the evaporator tube to the evaporator.

  8. Object Number: 385463  Size: SH
  9. Install the evaporator tube nut to the evaporator.
  10. Tighten
    Tighten the nut to 16 N·m (12 lb ft).

  11. Evacuate and recharge the A/C system. Refer to Refrigerant Recovery and Recharging .
  12. Leak test the fittings of the components using the J 39400-A .

Evaporator Tube Replacement W/HP2

Tools Required

J 39400-A Halogen Leak Detector

Removal Procedure

  1. Recover the refrigerant from the A/C system. Refer to Refrigerant Recovery and Recharging .

  2. Object Number: 385463  Size: SH
  3. Remove the evaporator tube nut from the evaporator.
  4. Remove the evaporator tube from the evaporator.

  5. Object Number: 703266  Size: SH
  6. Loosen the nut from the evaporator tube fitting.
  7. Remove the rear evaporator tube (3) from the vehicle.
  8. Remove the air cleaner assembly. Refer to Air Cleaner Assembly Replacement .

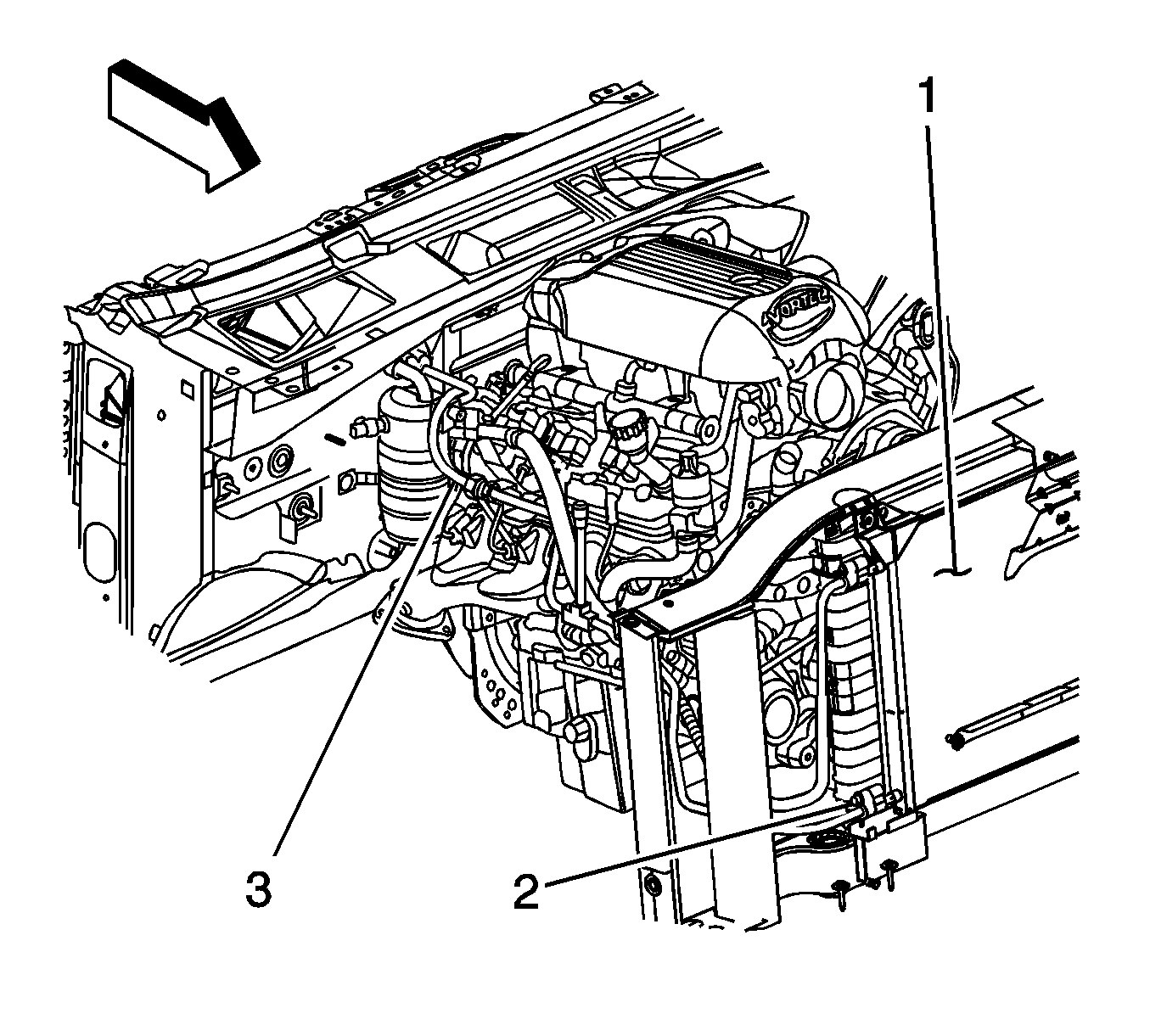
  9. Object Number: 1206679  Size: SH
  10. Remove the push pin from the right side radiator air baffle.
  11. Remove the bolts (2) from the starter/generator control module (SGCM) coolant pump (1).
  12. Reposition the SGCM coolant pump.

  13. Object Number: 363033  Size: SH
  14. Remove the right park/turn signal lamp. Refer to Parking and Turn Signal Lamp Replacement .
  15. Remove the grille from the vehicle. Refer to Grille Replacement .
  16. Remove the evaporator tube nut from the condenser.
  17. Remove the evaporator tube from the condenser.

  18. Object Number: 1336348  Size: SH
  19. Remove the front evaporator tube from the vehicle.
  20. Discard all of the used sealing washers. Cap all of the open connections.

Installation Procedure


    Object Number: 1336348  Size: SH
  1. Install the front evaporator tube to the vehicle.
  2. Uncap all of the open connections
  3. Install the evaporator tube to the condenser using new sealing washers. Refer to Sealing Washer Replacement .
  4. Notice: Refer to Fastener Notice in the Preface section.


    Object Number: 363033  Size: SH
  5. Install the evaporator tube nut to the condenser.
  6. Tighten
    Tighten the nut to 16 N·m (12 lb ft).

  7. Install the grille to the vehicle. Refer to Grille Replacement .
  8. Install the right park/turn signal lamp. Refer to Parking and Turn Signal Lamp Replacement .

  9. Object Number: 1206679  Size: SH
  10. Position the SGCM coolant pump (1) to the radiator core support (3).
  11. Install the bolts (2) to the SGCM coolant pump (1).
  12. Tighten
    Tighten the nut to 16 N·m (12 lb ft).

  13. Install the push pin to the right side radiator air baffle.

  14. Object Number: 703266  Size: SH
  15. Install the air cleaner assembly. Refer to Air Cleaner Assembly Replacement .
  16. Install the rear evaporator tube (3) to the vehicle.
  17. Connect the nut to the evaporator tube fitting.
  18. Tighten
    Tighten the nut to 9 N·m (80 lb in).

  19. Install the evaporator tube to the evaporator.

  20. Object Number: 385463  Size: SH
  21. Install the evaporator tube nut to the evaporator.
  22. Tighten
    Tighten the nut to 16 N·m (12 lb ft).

  23. Evacuate and recharge the A/C system. Refer to Refrigerant Recovery and Recharging .
  24. Leak test the fittings of the components using the J 39400-A .