GM Service Manual Online
For 1990-2009 cars only
Makes
🢒
Chevrolet
🢒
2004
🢒
Chevy C Silverado - 2WD
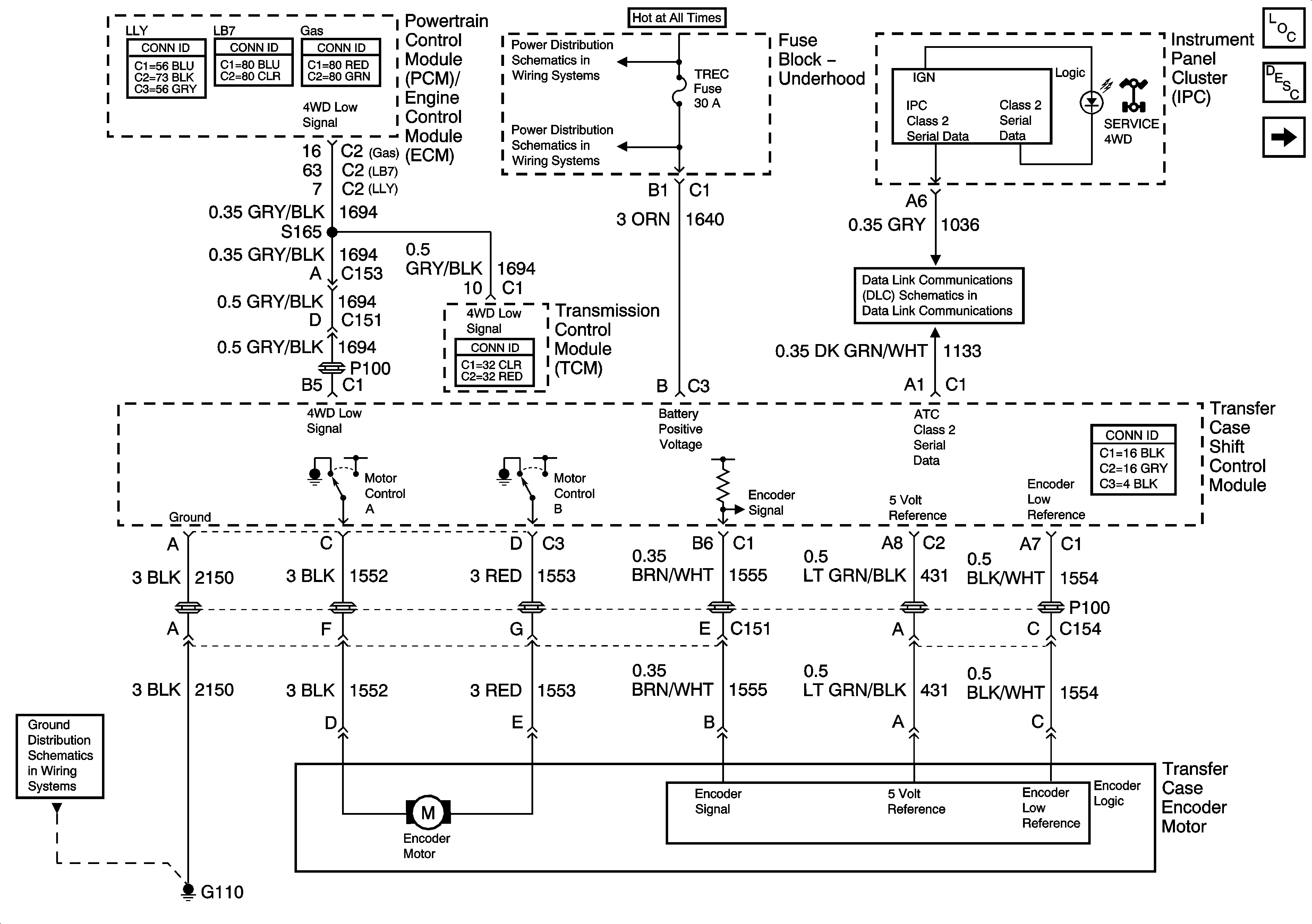
🢒 Power, Ground, Class 2 Serial Data and Transfer Case Encoder Motor
Power, Ground, Class 2 Serial Data and Transfer Case Encoder Motor
Power, Ground, Class 2 Serial Data and Transfer Case Encoder Motor
Master Electrical Component List
Transfer Case Description and Operation
Front Axle Actuator Control
B+ Bus Bar - 1 of 2
HVAC/ECAS, RR HVAC, BLOWER, RR DEFOG, STOP LP, and TREC Fuses
SP205 - 1 of 2
G110