GM Service Manual Online
For 1990-2009 cars only
Makes
🢒
Chevrolet
🢒
2004
🢒
Chevy C Silverado - 2WD
🢒 Right Doors
Right Doors
Right Doors
Master Electrical Component List
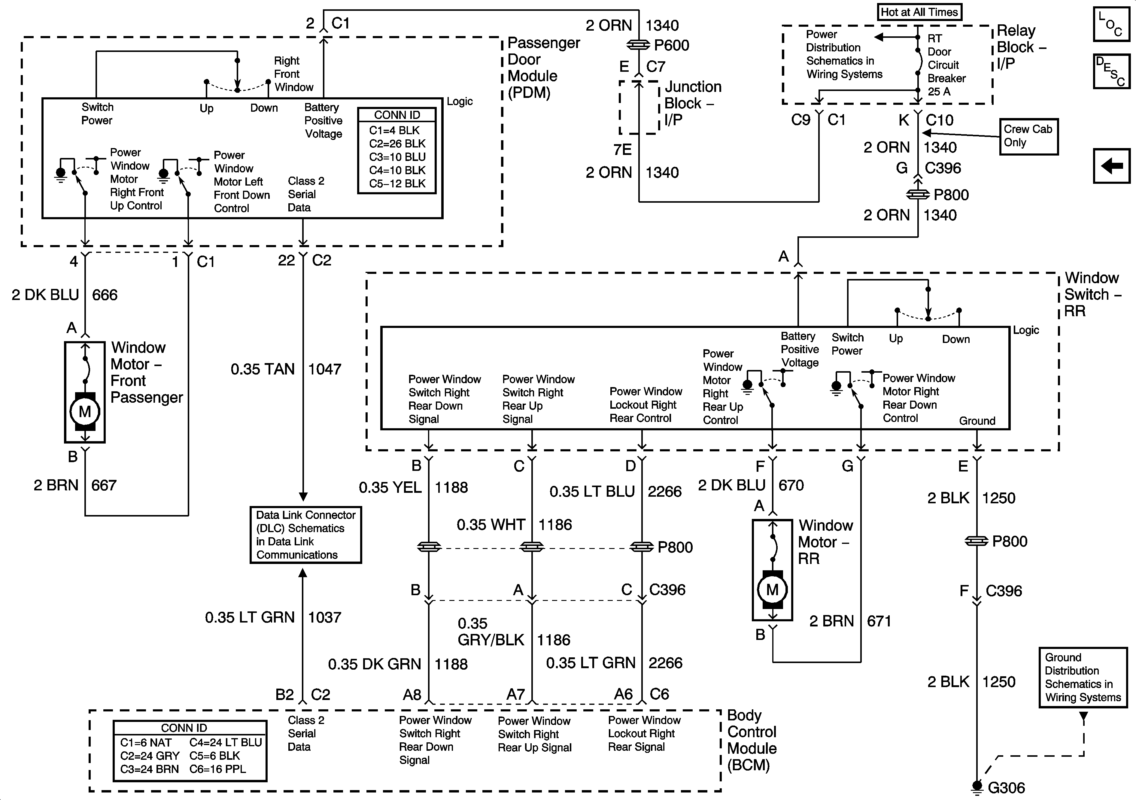
Power Windows Description and Operation
Left Door
LBEC 1, LBEC 2, and MBEC 1 Fuses
SP205 - 1 of 2
G306, G310, and G390