GM Service Manual Online
For 1990-2009 cars only
Makes
🢒
Chevrolet
🢒
2004
🢒
Chevy C Silverado - 2WD
🢒 Switches - Except YE9
Switches - Except YE9
Switches - Except YE9
Master Electrical Component List
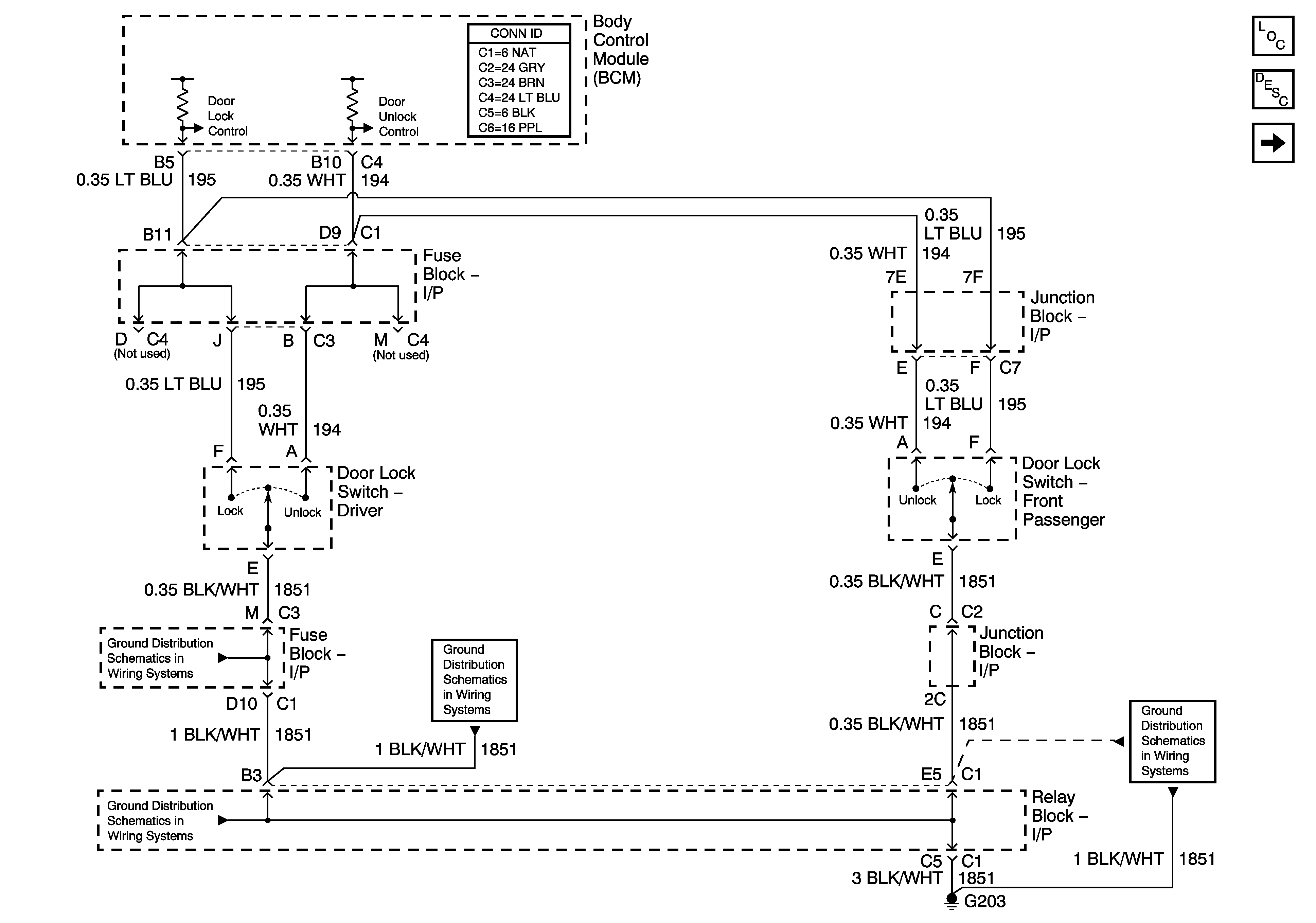
Power Door Locks Description and Operation
Relays - Except YE9
G203 - 2 of 3
G203 - 1 of 3
G203 - 2 of 3
G203 - 1 of 3