GM Service Manual Online
For 1990-2009 cars only
Makes
🢒
Chevrolet
🢒
2004
🢒
Chevy C Silverado - 2WD
🢒 Switches and Front Door Actuators - YE9
Switches and Front Door Actuators - YE9
Switches and Front Door Actuators - YE9
Master Electrical Component List
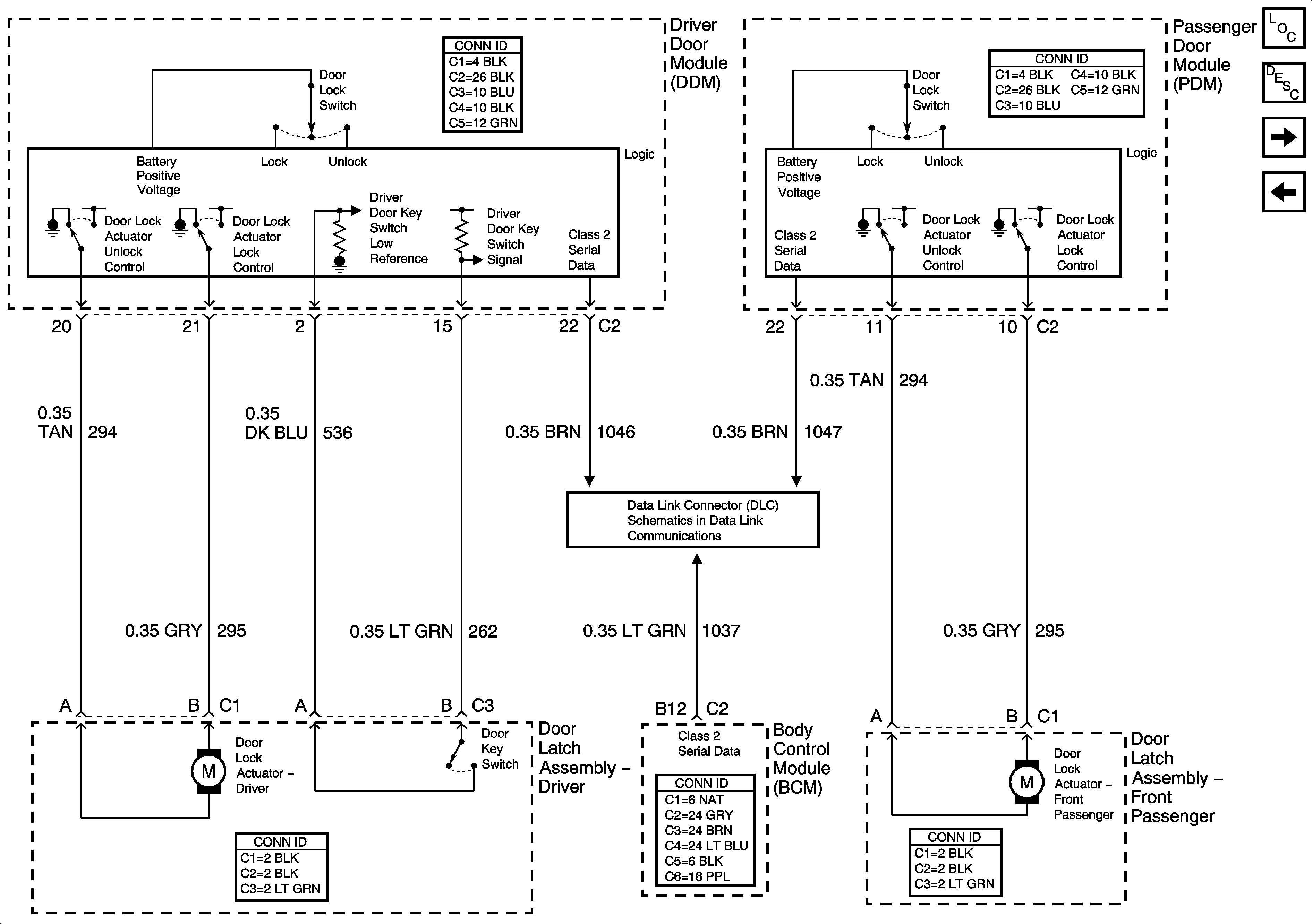
Power Door Locks Description and Operation
Relays - Crew Cab w/YE9
Actuators - Except YE9
SP205 - 1 of 2