GM Service Manual Online
For 1990-2009 cars only
Makes
🢒
Chevrolet
🢒
2004
🢒
Chevy C Silverado - 2WD
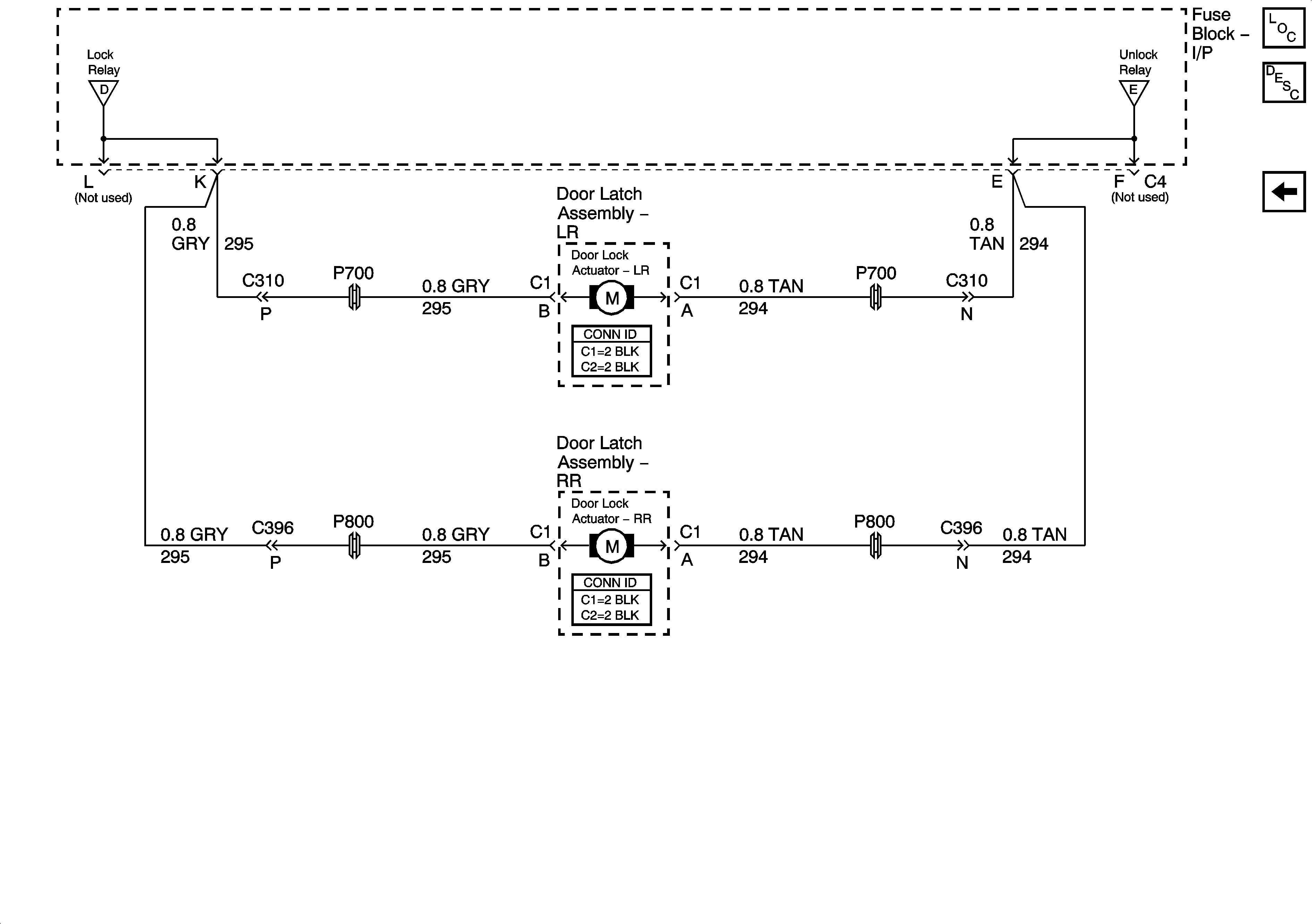
🢒 Rear Door Actuators - Crew Cab w/YE9
Rear Door Actuators - Crew Cab w/YE9
Actuators - Crew Cab w/YE9
Master Electrical Component List
Power Door Locks Description and Operation
Relays - Crew Cab w/YE9
Relays - Crew Cab w/YE9
Relays - Crew Cab w/YE9