GM Service Manual Online
For 1990-2009 cars only
Makes
🢒
Chevrolet
🢒
2004
🢒
Chevy C Silverado - 2WD
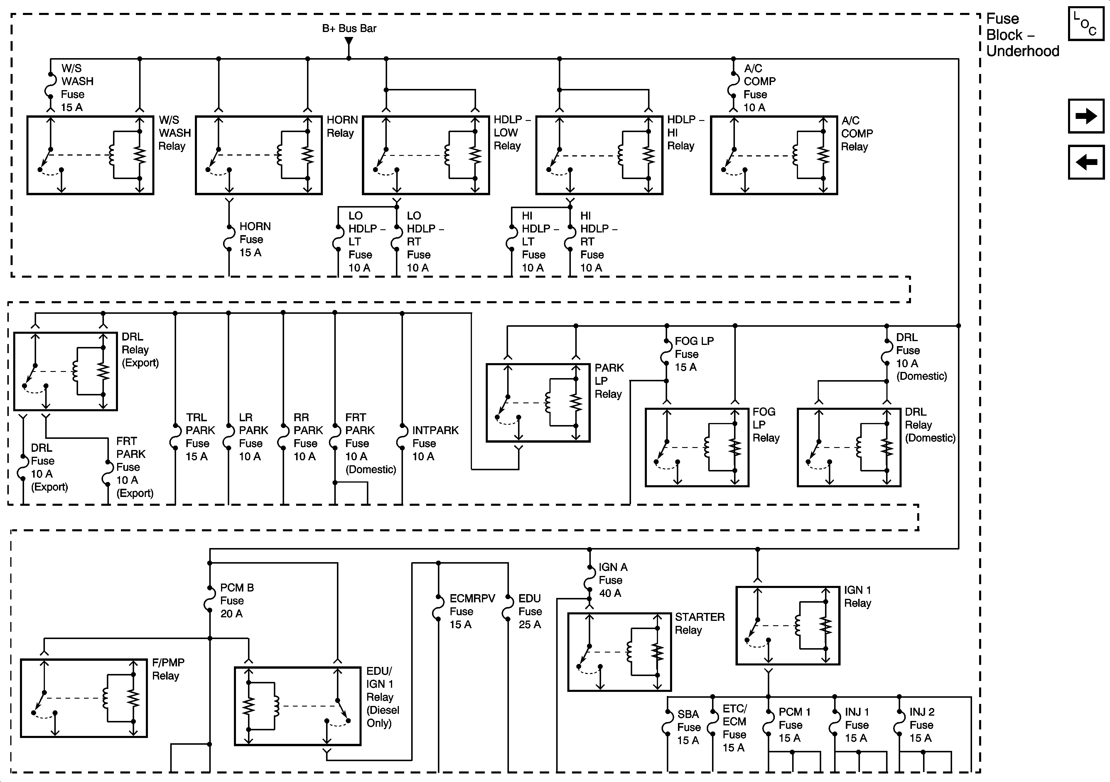
🢒 B+ Bus Bar - 2 of 2
B+ Bus Bar - 2 of 2
B+ Bus Bar - 2 of 2
Master Electrical Component List
Ignition Switch - START, RUN, and ACC/RUN/START Bus Bars
B+ Bus Bar - 1 of 2
B+ Bus Bar - 1 of 2