GM Service Manual Online
For 1990-2009 cars only
Makes
🢒
Chevrolet
🢒
2004
🢒
Chevy C Silverado - 2WD
🢒 Y91
Y91
Y91
Master Electrical Component List
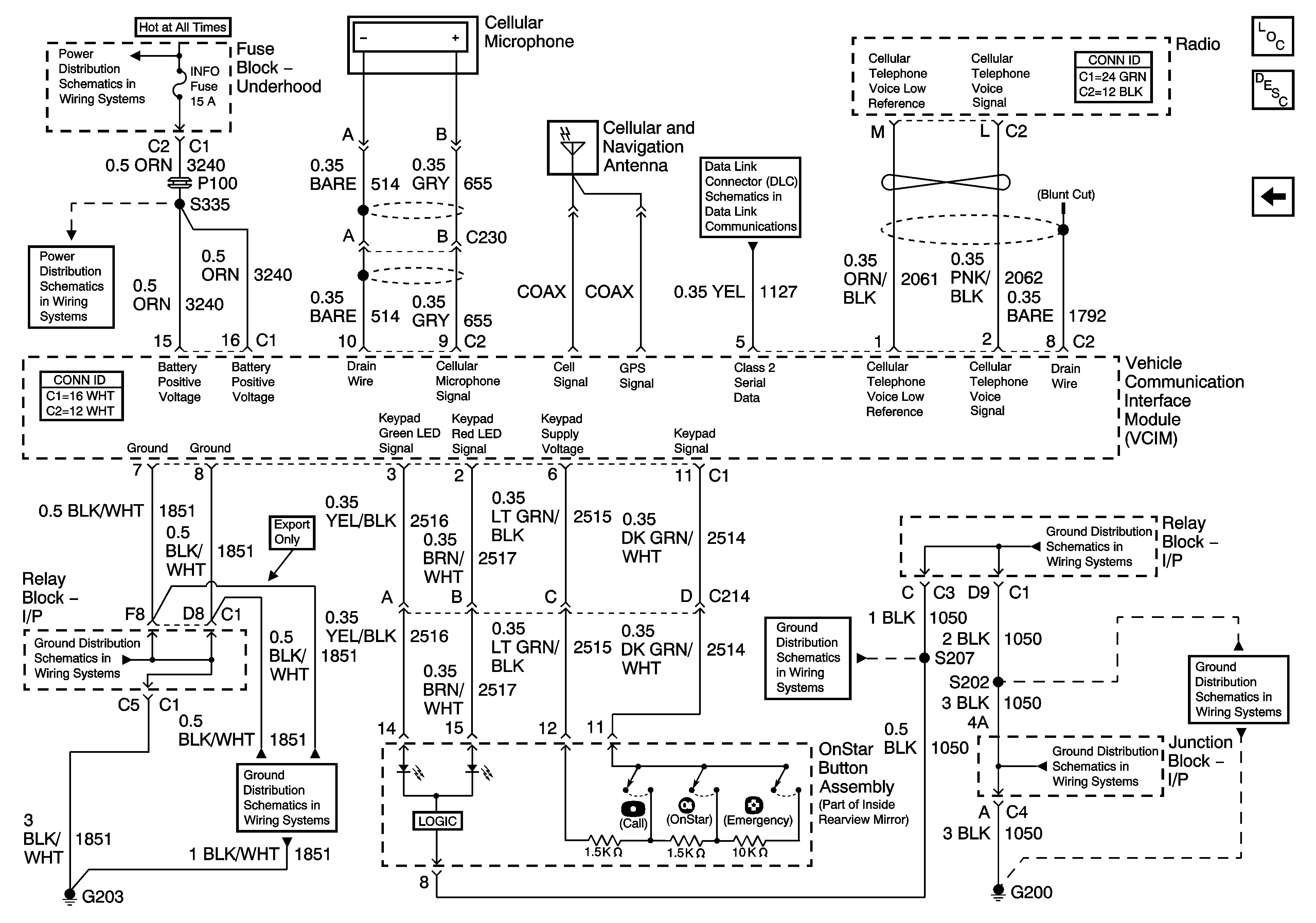
OnStar Description and Operation
Except Y91
B+ Bus Bar - 1 of 2
B+ Bus Bar - 1 of 2
SP207
G203 - 1 of 3
G203 - 1 of 3
G200 - 3 of 3
G200 - 3 of 3
G200 - 1 of 3
G200 - 1 of 3