GM Service Manual Online
For 1990-2009 cars only
Makes
🢒
Chevrolet
🢒
2004
🢒
Chevy C Silverado - 2WD
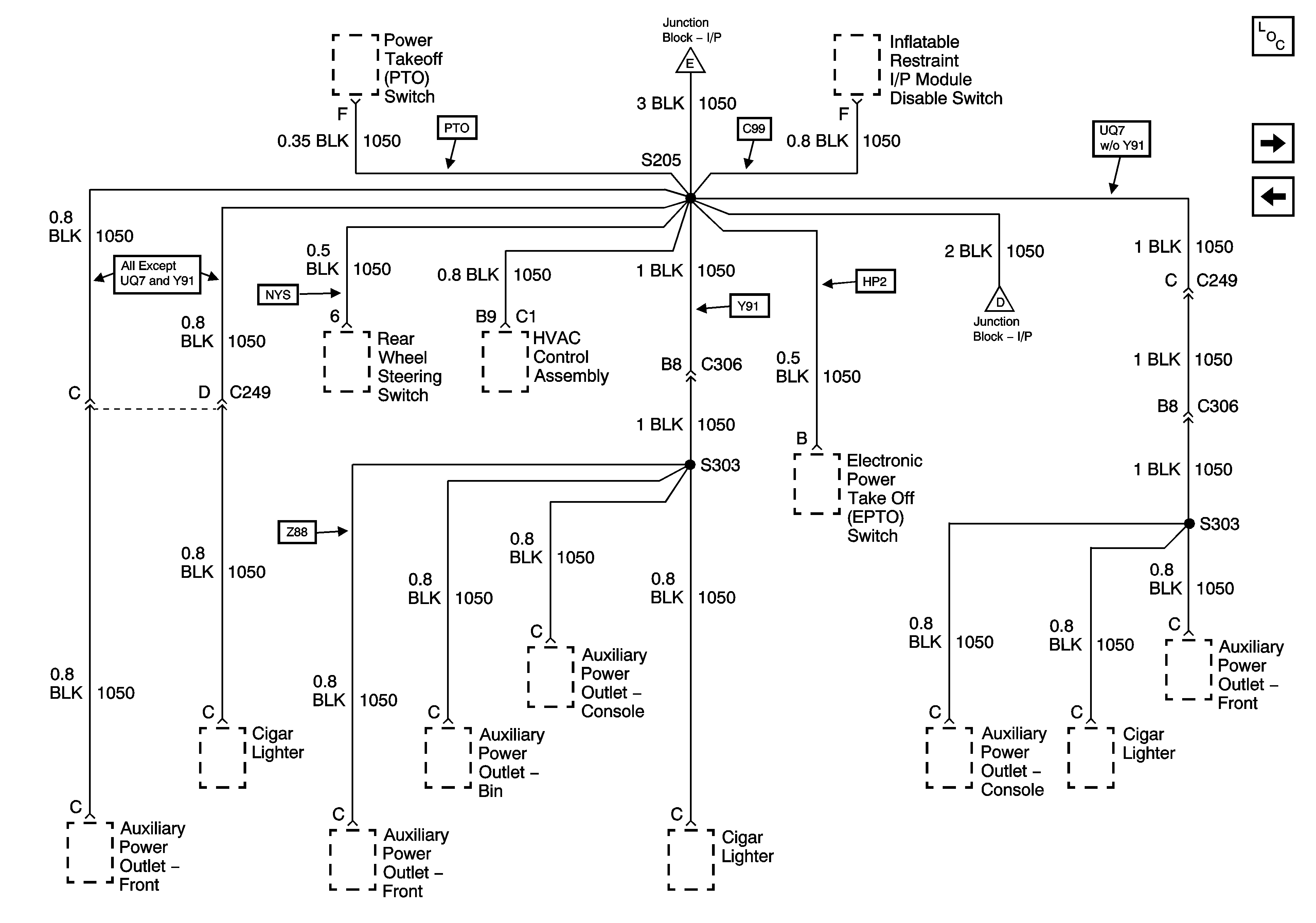
🢒 G200 - 2 of 3
G200 - 2 of 3
G200 - 2 of 3
Master Electrical Component List
G200 - 3 of 3
G200 - 1 of 3
G200 - 1 of 3
G200 - 1 of 3