GM Service Manual Online
For 1990-2009 cars only
Makes
🢒
Chevrolet
🢒
2004
🢒
Chevy C Silverado - 2WD
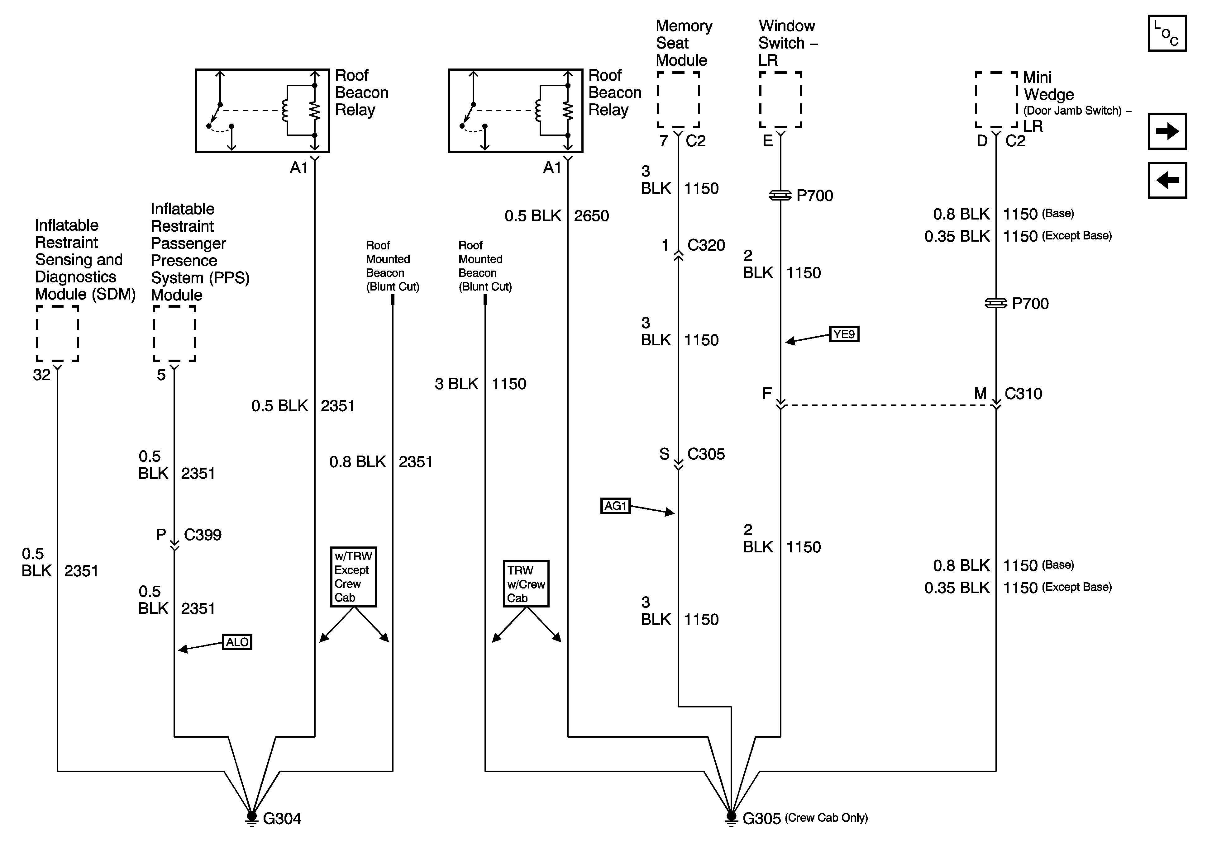
🢒 G304 and G305
G304 and G305
G304 and G305
Master Electrical Component List
G306, G310, and G390
G302