GM Service Manual Online
For 1990-2009 cars only
Makes
🢒
Chevrolet
🢒
2004
🢒
Chevy C Silverado - 2WD
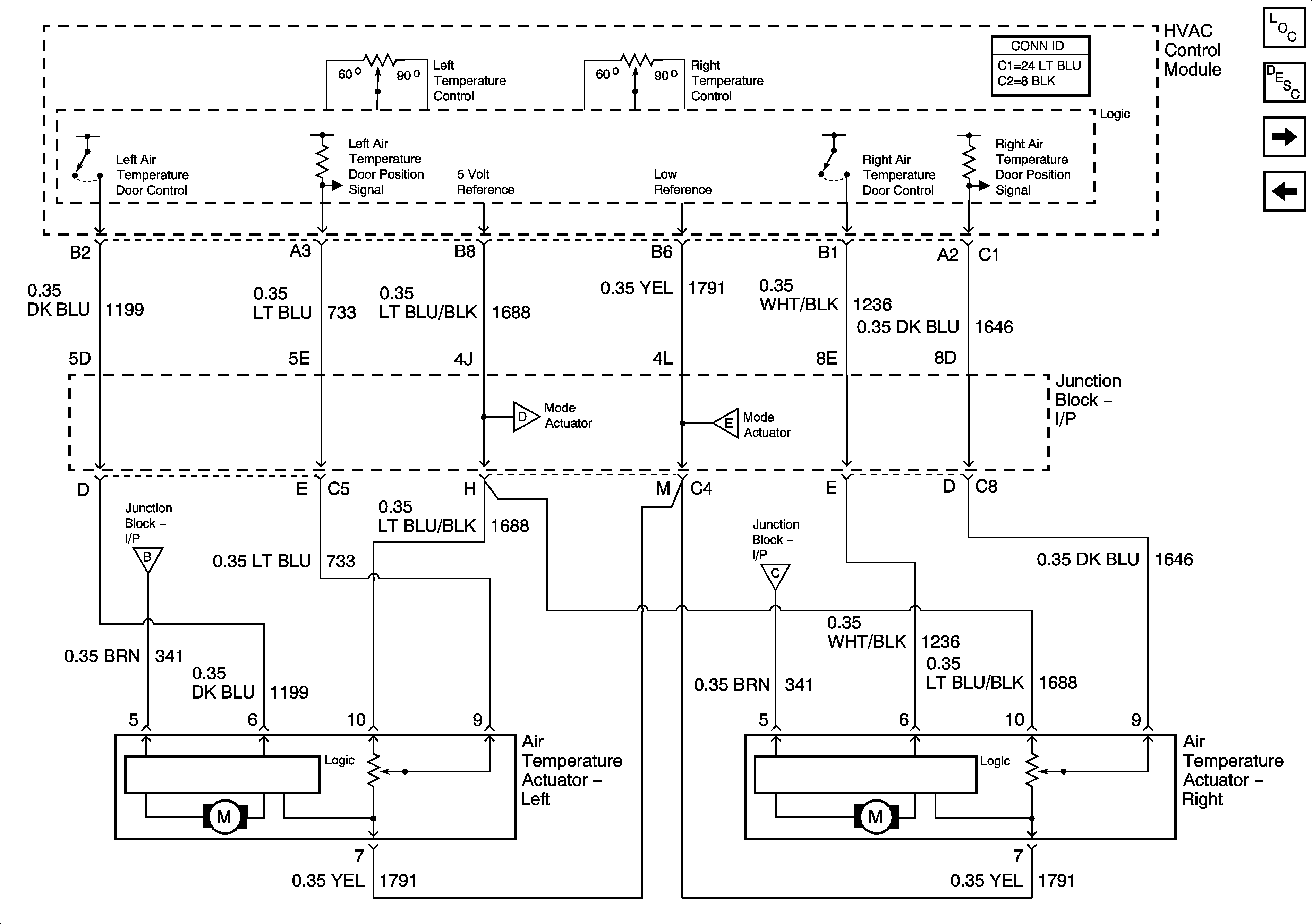
🢒 Front Left and Right Temperature Control
Front Left and Right Temperature Control
Front Left and Right Temperature Control
Master Electrical Component List
Air Delivery Description and Operation
Mode and Recirculation Door Controls
Front Blower Controls
Mode and Recirculation Door Controls
Mode and Recirculation Door Controls
Mode and Recirculation Door Controls
Mode and Recirculation Door Controls