GM Service Manual Online
For 1990-2009 cars only
Makes
🢒
Chevrolet
🢒
2004
🢒
Chevy C Silverado - 2WD
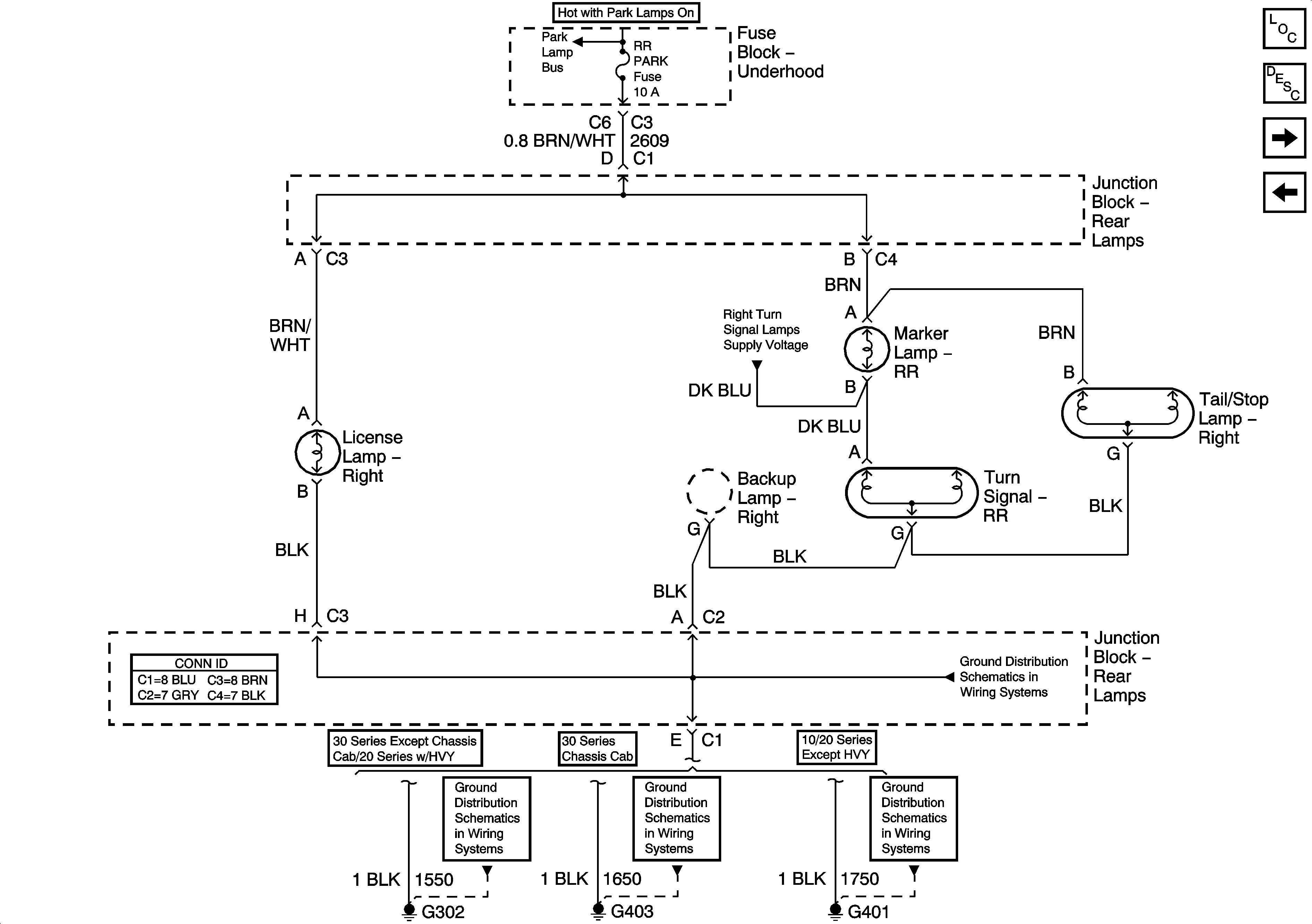
🢒 Right Rear PArk Lamps - Chevrolet
Right Rear PArk Lamps - Chevrolet
Right Rear Park Lamps - Chevrolet
Master Electrical Component List
Exterior Lighting Systems Description and Operation
Left Rear Park Lamps - GMC
Right Rear Park Lamps - GMC
Park Lamp Relay - Domestic
Right Turn Signals - Domestic - Chevrolet
G403
G302
G403
G401 and G402