GM Service Manual Online
For 1990-2009 cars only
Makes
🢒
Chevrolet
🢒
2004
🢒
Chevy C Silverado - 2WD
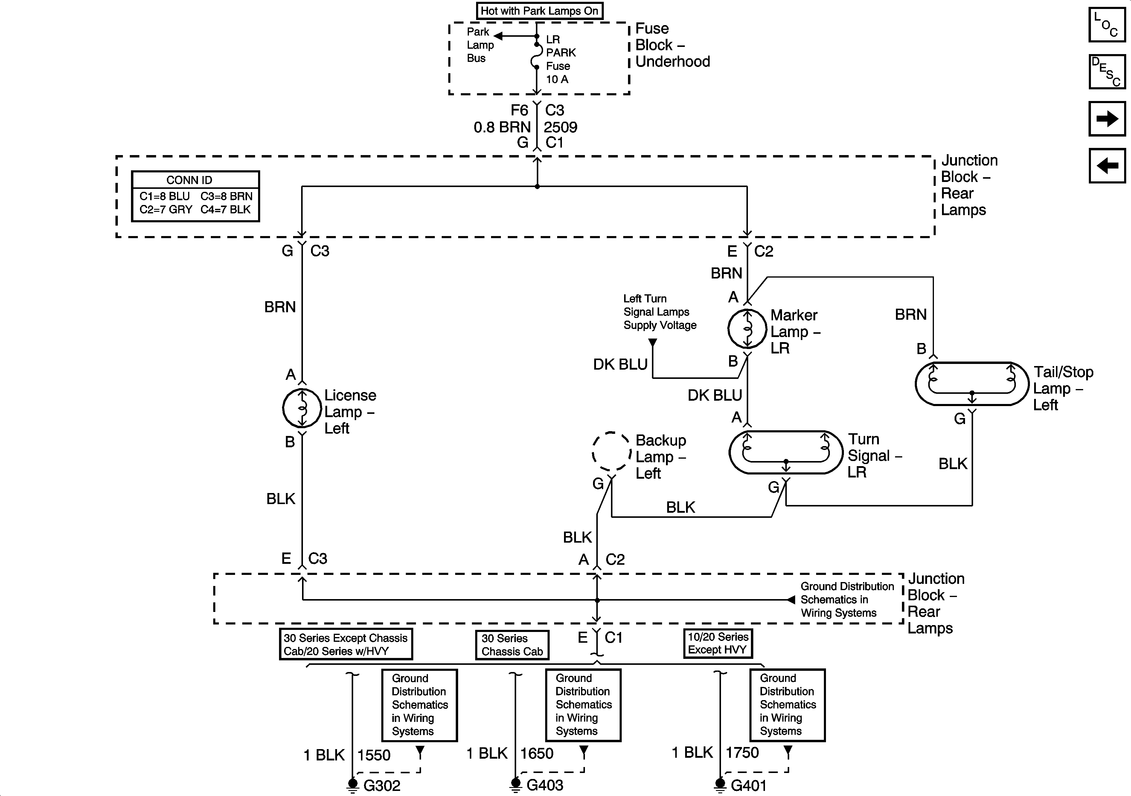
🢒 Left Rear Park Lamps - Chevrolet
Left Rear Park Lamps - Chevrolet
Left Rear Park Lamps - Chevrolet
Master Electrical Component List
Exterior Lighting Systems Description and Operation
Stop Lamps - GMC
Left Rear Park Lamps - GMC
Park Lamp Relay - Domestic
Left Turn Signals - Domestic - Chevrolet
G401 and G402
G302
G403
G401 and G402