GM Service Manual Online
For 1990-2009 cars only
Makes
🢒
Chevrolet
🢒
2004
🢒
Chevy C Silverado - 2WD
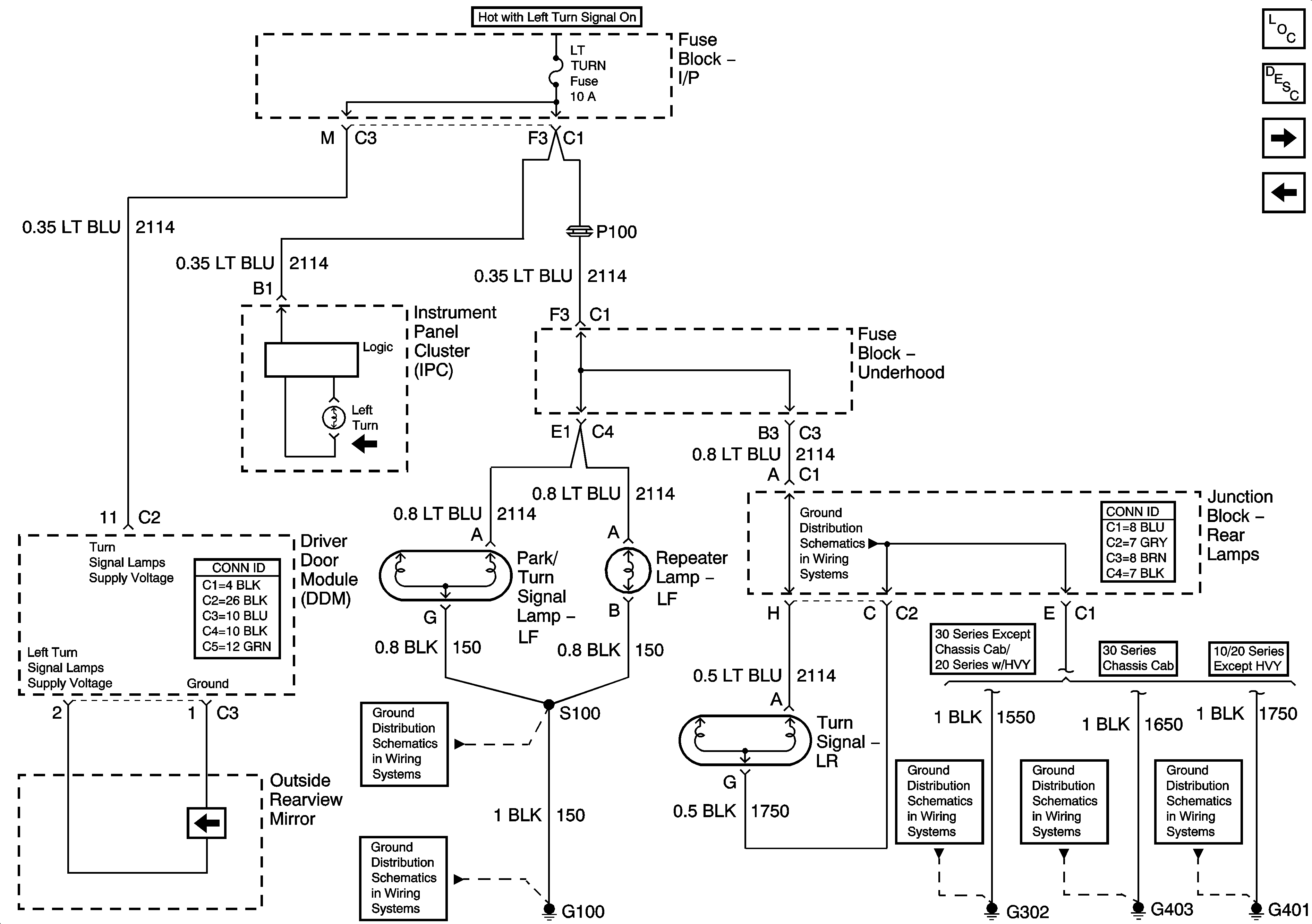
🢒 Left Turn Signals - Export - GMC
Left Turn Signals - Export - GMC
Left Turn Signals - Export - GMC
Master Electrical Component List
Exterior Lighting Systems Description and Operation
Left Turn Signals - Domestic - Chevrolet
Left Turn Signals - Domestic - GMC
G401 and G402
S100 - Export
G100 and G101
G302
G403
G401 and G402