GM Service Manual Online
For 1990-2009 cars only
Makes
🢒
Chevrolet
🢒
2004
🢒
Chevy C Silverado - 2WD
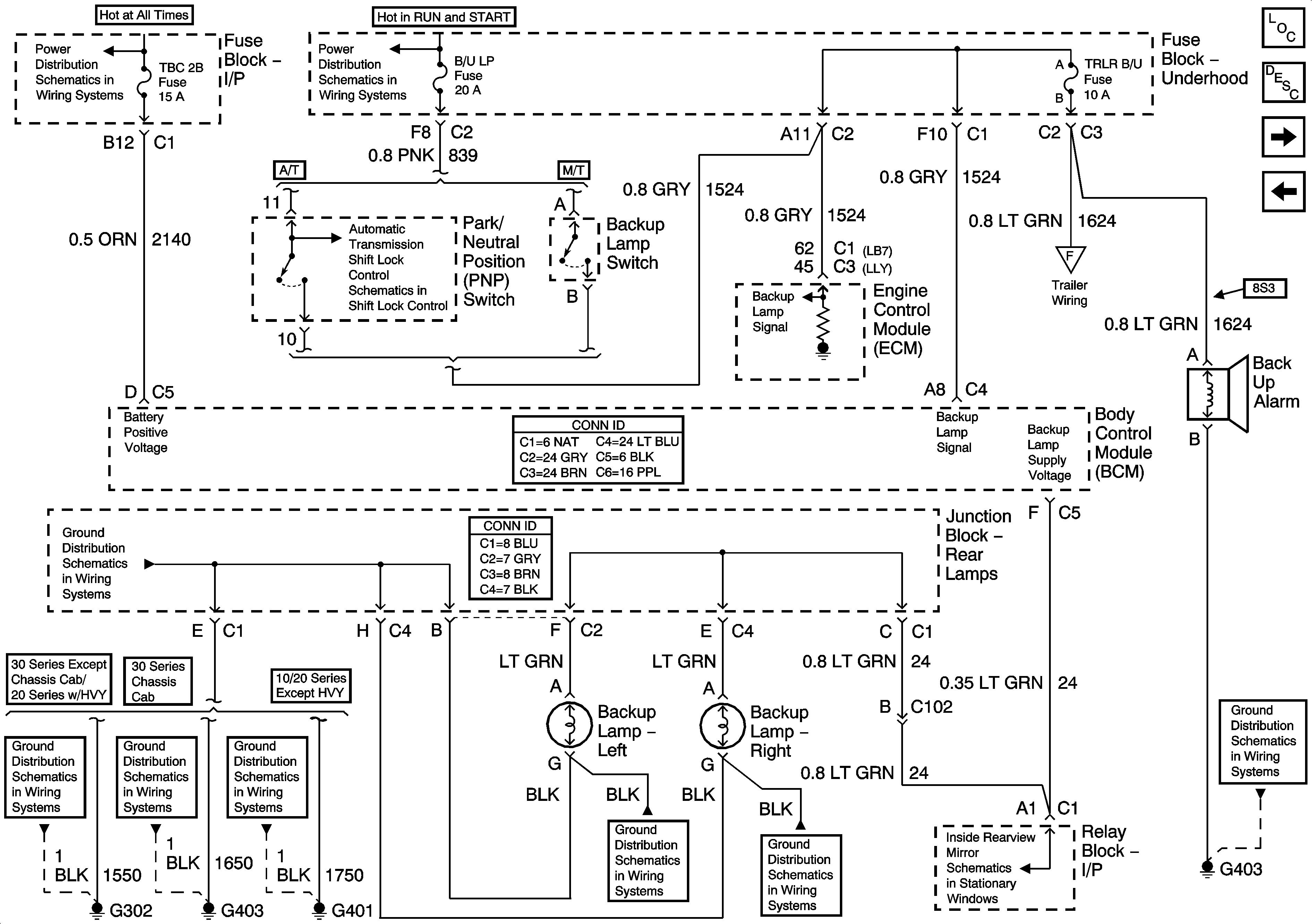
🢒 Backup Lamps - Chevrolet
Backup Lamps - Chevrolet
Backup Lamps - Chevrolet
Master Electrical Component List
Exterior Lighting Systems Description and Operation
Backup Lamps - GMC
Exterior Illumination Lamps
SEO B2, RR DEFOG, SEO IGN, and B/U LP Fuses
Automatic Transmission Shift Lock Control Schematics
G401 and G402
G302
G403
G401 and G402
Controlled/Monitored Subsystem References
G401 and G402
G401 and G402
Trailer Wiring/Connector
Power, Outside Air Temp, and Light Sensors
G403