GM Service Manual Online
For 1990-2009 cars only
Makes
🢒
Chevrolet
🢒
2004
🢒
Chevy C Silverado - 2WD
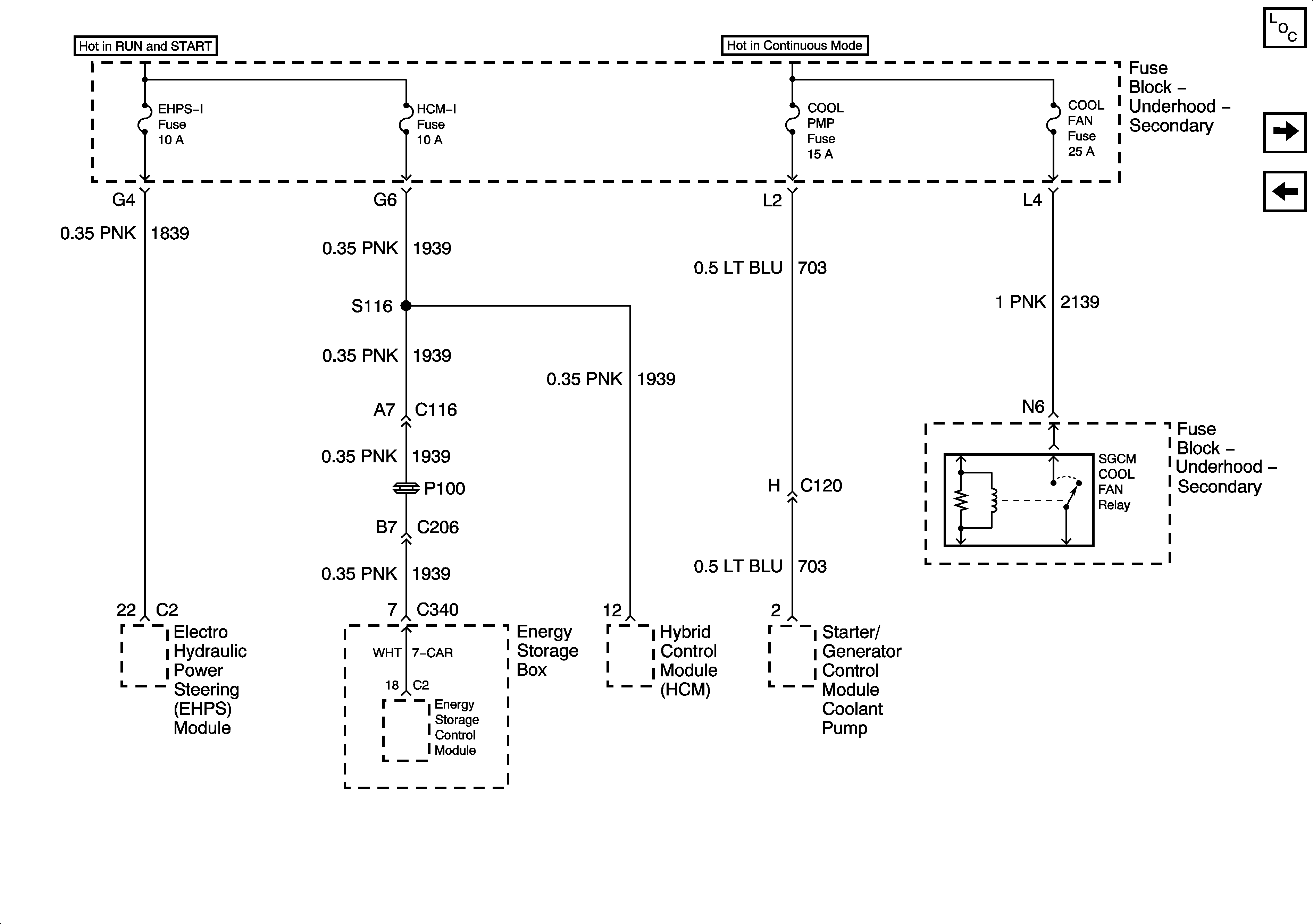
🢒 EHPS-I, HCM-I, COOL PMP, and COOL FAN Fuses (HP2)
EHPS-I, HCM-I, COOL PMP, and COOL FAN Fuses (HP2)
EHPS - I, HCM - I, COOL PMP, and COOL FAN Fuses (HP2)
Master Electrical Component List
TRANS PUMP, AUX HTR PMP, HCM-B, and ESCM Fuses (HP2)
PWR MAINT, HYBRID O2A, and HYBRID O2B Fuses (HP2)