GM Service Manual Online
For 1990-2009 cars only
Makes
🢒
Chevrolet
🢒
2004
🢒
Chevy C Silverado - 2WD
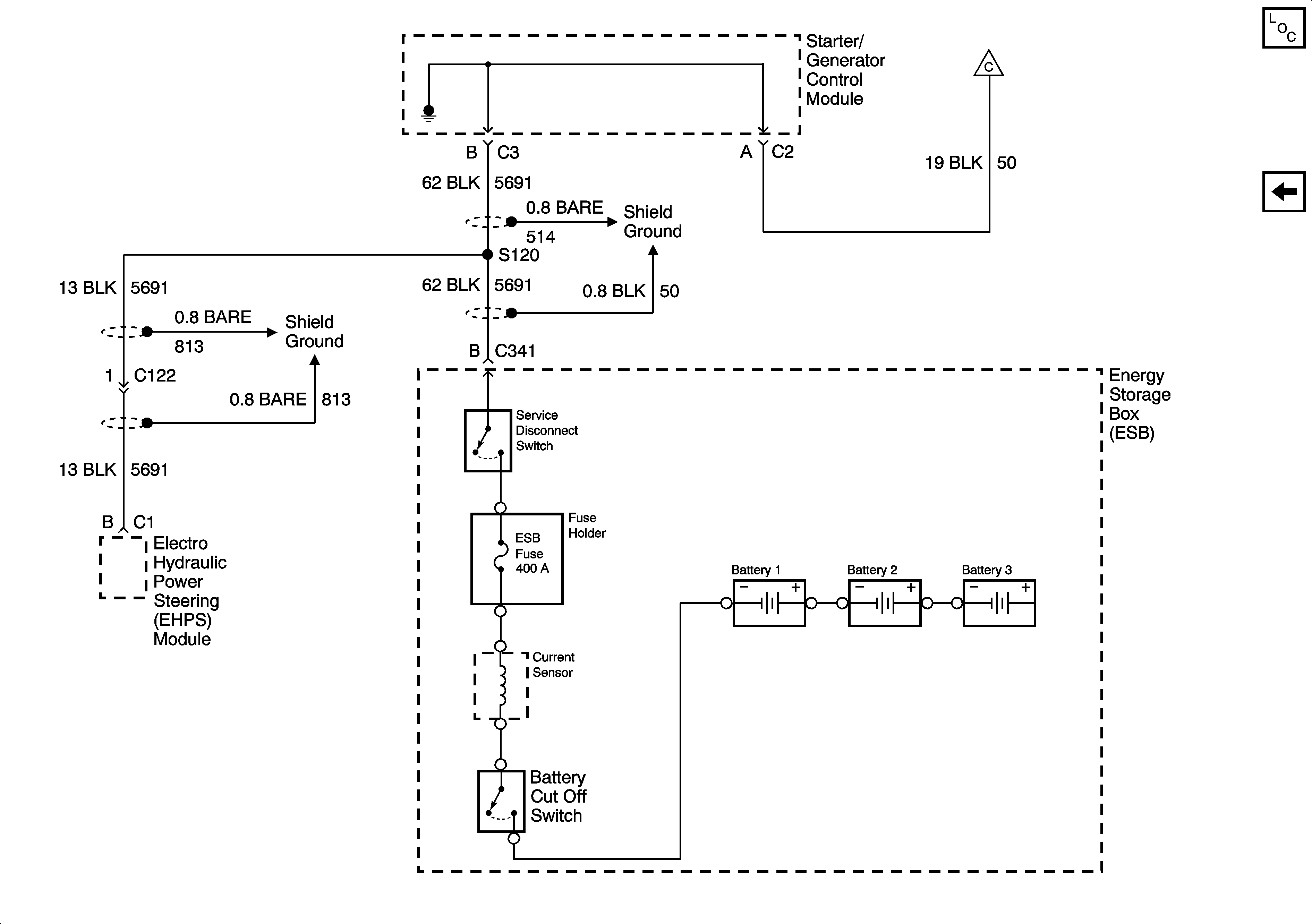
🢒 Hybrid Ground - 2 of 2
Hybrid Ground - 2 of 2
Hybrid Ground - 2 of 2
Master Electrical Component List
Hybrid Ground - 1 of 2
Hybrid Ground - 1 of 2
Hybrid Ground - 1 of 2
G100 and G101