GM Service Manual Online
For 1990-2009 cars only

Engine Replacement 4.8L, 5.3L, and 6.0L Engines

Tools Required

    • J 5824-A Clutch Alignment Tool
    • J 21366 Converter Holding Strap
    • J 41798 Engine Lifting Brackets
    • J 42371 Clutch Line Removal Tool

Removal Procedure


    Object Number: 310799  Size: SH
  1. Open the hood.
  2. Place the fender covers over both fenders.
  3. Raise the hood to the service position and perform the following:
  4. 3.1. Remove the hood hinge bolts (1).
    3.2. Raise the hood until vertical.
    3.3. Install the hood hinge bolts until snug in the service position (2).
  5. Remove the air conditioning (A/C) compressor. Refer to Air Conditioning Compressor Replacement .
  6. Remove the radiator support. Refer to Radiator Support Replacement .
  7. Remove the engine sight shield. Refer to Upper Intake Manifold Sight Shield Replacement .

  8. Object Number: 846666  Size: SH
  9. Open the hose clamp and remove the radiator inlet hose from the water pump.

  10. Object Number: 846668  Size: SH
  11. Open the hose clamp and remove the radiator outlet hose from the water pump.
  12. Remove the heater hoses. Refer to Heater Inlet Hose Replacement and Heater Outlet Hose Replacement .

  13. Object Number: 1235683  Size: SH
  14. Disconnect the following electrical connectors:
  15. • The evaporative emission (EVAP) canister purge solenoid (1)
    • The generator (3)
  16. Remove the harness bracket nut (2) in order to remove the engine harness from the intake manifold.

  17. Object Number: 659465  Size: SH
  18. Reposition the vent inlet hose clamp at the throttle body.
  19. Remove the radiator vent inlet hose from the throttle body.

  20. Object Number: 395686  Size: SH
  21. Remove the generator cable from the generator and perform the following procedure:
  22. 14.1. Slide the boot down revealing the terminal stud.
    14.2. Remove the generator cable nut from the terminal stud.
    14.3. Remove the generator cable.

    Object Number: 757686  Size: SH
  23. Disconnect the main coil harness (2) and fuel injector electrical connectors on the left side.

  24. Object Number: 1235686  Size: SH
  25. Disconnect the following electrical connectors:
  26. • The main coil harness (4)
    • The fuel injectors (3)
    • The electronic throttle control (ETC) (2)

    Object Number: 679510  Size: SH
  27. Disconnect the manifold absolute pressure (MAP) sensor (1) and knock sensor (2) electrical connectors.

  28. Object Number: 1235684  Size: SH
  29. Remove the harness ground bolt.
  30. Reposition the harness ground and negative battery cable from the block.
  31. Disconnect the following electrical connectors:
  32. • The engine coolant temperature (ECT) sensor (5)
    • The electronic variable orifice switch

    Object Number: 1236366  Size: SH
  33. Remove the harness ground bolt at the right rear of the engine block.
  34. Reposition the harness ground and auxiliary negative battery cable, if equipped, from the block.
  35. Remove the harness ground bolt at the left rear of the engine block.
  36. Reposition the harness ground and engine ground strap from the block.
  37. Disconnect the following electrical connectors:
  38. • The oil pressure sensor (1)
    • The camshaft position (CMP) sensor (3)
  39. Unclip all of the engine harness clips from the engine.

  40. Object Number: 662505  Size: SH
  41. Remove the battery cable junction block from the junction block bracket.

  42. Object Number: 832127  Size: SH
  43. Remove the EVAP purge solenoid vent tube. Perform the following procedure:
  44. 28.1. Remove the EVAP tube end from the solenoid (1).
    28.2. Remove the EVAP tube end from the vapor pipe (2).
  45. Disconnect the fuel pipes. Refer to Metal Collar Quick Connect Fitting Service .
  46. Raise the vehicle.

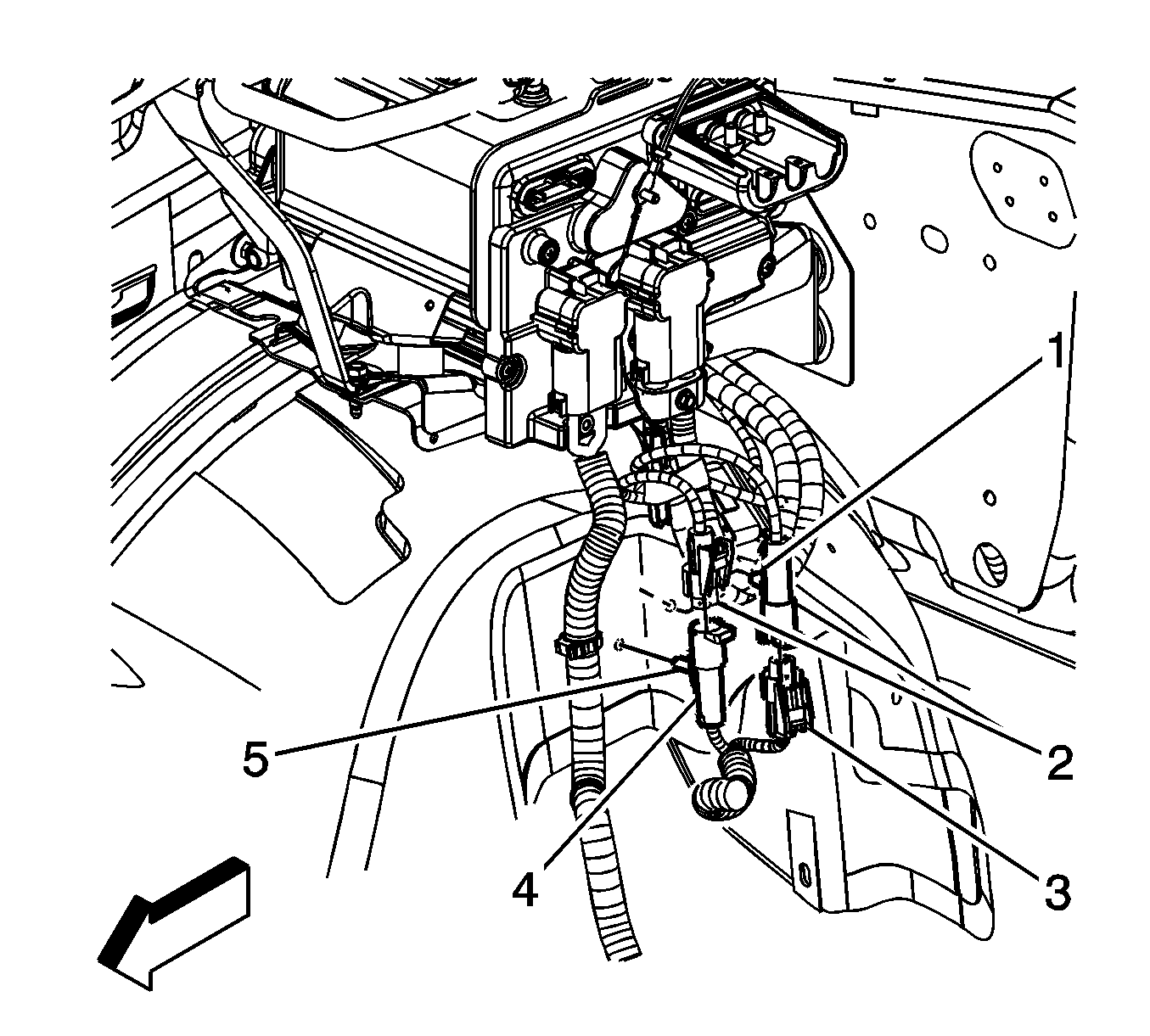
  47. Object Number: 1235682  Size: SH
  48. Disconnect the following electrical connectors:
  49. • The crankshaft position (CKP) sensor (1)
    • The engine oil sensor (3)
    • The coolant heater, if equipped

    Object Number: 1236368  Size: SH
  50. Remove the battery cable channel bolt.
  51. Slide the channel pin out of the oil pan tab.
  52. Gather all branches of the engine wiring harness and reposition off to the side.
  53. Lower the vehicle.

  54. Object Number: 310813  Size: SH
  55. Remove the rear power steering to engine block bolt.
  56. Remove the generator bracket bolts.
  57. Position the bracket aside.

  58. Object Number: 1236362  Size: SH
  59. Remove the vacuum brake booster hose.
  60. Remove the ignition coils, as required, for the proper fit of the J 41798 before lifting the engine. Refer to Ignition Coil Replacement .
  61. Notice: Refer to Fastener Notice in the Preface section.


    Object Number: 309151  Size: SH
  62. Install the J 41798 to the cylinder heads.
  63. Tighten

        • Tighten the M8 bolts to 25 N·m (18 lb ft).
        • Tighten the M10 bolts to 50 N·m (37 lb ft).

    Object Number: 307275  Size: SH
  64. Remove the left and right engine mount to engine mount bracket bolts.
  65. Raise the vehicle.

  66. Object Number: 349061  Size: SH
  67. Remove the engine sight shield bolts and shield.

  68. Object Number: 309158  Size: SH
  69. Remove the oil pan skid plate bolts and plate, if equipped.
  70. Drain the engine oil.
  71. Remove the starter motor. Refer to Starter Motor Replacement .
  72. Remove the catalytic converter. Refer to Catalytic Converter Replacement .

  73. Object Number: 310672  Size: SH
  74. Remove the positive battery cable clip bolt and clip.

  75. Object Number: 9096  Size: SH
  76. Remove the torque converter bolts, if equipped.

  77. Object Number: 396797  Size: SH
  78. Remove the transmission oil level indicator tube nut, if equipped.

  79. Object Number: 396798  Size: SH
  80. Remove the transmission oil level indicator tube, if equipped.

  81. Object Number: 859004  Size: SH
  82. If equipped with a 4L60-E transmission, remove the transmission bolt and stud on the right side.

  83. Object Number: 396795  Size: SH
  84. If equipped with a 4L80-E transmission, remove the transmission converter cover bolts.

  85. Object Number: 859003  Size: SH
  86. Remove the automatic transmission bolt/studs, if equipped.
  87. Separate the engine from the automatic transmission, if equipped. Install the J 21366 to the transmission in order to hold the torque converter.

  88. Object Number: 33768  Size: SH
  89. Using J 42371 , remove the clutch line form the concentric slave cylinder.

  90. Object Number: 394444  Size: SH
  91. Remove the manual transmission stud on the right side of the transmission, if equipped.

  92. Object Number: 394442  Size: SH
  93. Remove the manual transmission bolt/studs, if equipped.
  94. Separate the manual transmission from the engine, if equipped.

  95. Object Number: 685828  Size: SH
  96. Mark the flywheel and a clutch pressure plate lug for installation alignment.
  97. Remove the clutch pressure plate bolts, if equipped.
  98. Remove the clutch pressure plate and disc, if equipped.
  99. Lower the vehicle.
  100. Install an engine hoist to the J 41798 .
  101. Install a floor jack under the transmission for support.
  102. Notice: Use care while moving the engine assembly in order to avoid breaking the MAP sensor locating tabs. Broken MAP sensor tabs may result in decreased engine performance.

  103. Remove the engine.
  104. Install the engine to an engine stand.
  105. Remove the engine hoist.

  106. Object Number: 309151  Size: SH
  107. Remove the J 41798 from the engine.

Installation Procedure

Notice: Refer to Fastener Notice in the Preface section.


    Object Number: 309151  Size: SH
  1. Install the J 41798 to the engine.
  2. Tighten

        • Tighten the M8 bolts to 25 N·m (18 lb ft).
        • Tighten the M10 bolts to 50 N·m (37 lb ft).
  3. Install an engine hoist to the J 41798 .
  4. Remove the engine from the engine stand.
  5. Install the engine to the vehicle.
  6. Align the engine and transmission.

  7. Object Number: 307275  Size: SH
  8. Install the left and right engine mount to engine mount bracket bolts.
  9. Tighten
    Tighten the bolts to 65 N·m (48 lb ft).

  10. Install the upper transmission bolts until snug.
  11. Remove the floor jack from under the transmission.
  12. Remove the engine hoist.

  13. Object Number: 309151  Size: SH
  14. Remove the J 41798 from the engine.

  15. Object Number: 339300  Size: SH
  16. Install the ignition coils and the spark plug wires. Refer to Ignition Coil Replacement .
  17. Raise the vehicle.

  18. Object Number: 685828  Size: SH
  19. Install the disc and clutch pressure plate and bolts until snug, if equipped.
  20. Using J 5824-A , align the clutch disc splines with the pilot bearing.
  21. Align the marks made during removal.

  22. Object Number: 71490  Size: SH
  23. Tighten the clutch pressure plate bolts in the sequence shown, evenly over 3 increments with the fourth increment to the final specification.
  24. Tighten
    Tighten the bolts to 70 N·m (52 lb ft).


    Object Number: 33768  Size: SH
  25. Install the clutch line to the concentric slave cylinder.

  26. Object Number: 394442  Size: SH
  27. Install the manual transmission bolt/studs, if equipped.

  28. Object Number: 394444  Size: SH
  29. Install the manual transmission stud on the right side of the transmission, if equipped.
  30. Tighten
    Tighten the bolt/studs to 50 N·m (37 lb ft).


    Object Number: 859003  Size: SH
  31. Remove the J 21366 from the transmission.
  32. Install the automatic transmission, if equipped.

  33. Object Number: 396795  Size: SH
  34. If equipped with a 4L80-E transmission, install the transmission converter cover bolts.

  35. Object Number: 859004  Size: SH
  36. If equipped with a 4L60-E transmission, install the transmission bolt and stud on the right side.
  37. Tighten
    Tighten the bolts/studs to 50 N·m (37 lb ft).


    Object Number: 396798  Size: SH
  38. Install the automatic transmission oil level indicator tube, if equipped.

  39. Object Number: 396797  Size: SH
  40. Install the automatic transmission oil level indicator tube nut, if equipped.
  41. Tighten
    Tighten to nut to 18 N·m (13 lb ft).


    Object Number: 9096  Size: SH
  42. Install the torque converter bolts, if equipped.
  43. Tighten

        • If equipped with a 4L60-E transmission, tighten the bolts to 63 N·m (47 lb ft)
        • If equipped with a 4L80-E transmission, tighten the bolts to 60 N·m (44 lb ft).

    Object Number: 310672  Size: SH
  44. Install the positive cable clip and bolt.
  45. Tighten
    Tighten the bolt to 9 N·m (80 lb in).

  46. Install the catalytic converter. Refer to Catalytic Converter Replacement .
  47. Install the starter motor. Refer to Starter Motor Replacement .

  48. Object Number: 309158  Size: SH
  49. Install the oil pan skid plate and bolts, if equipped.
  50. Tighten
    Tighten the bolts to 20 N·m (15 lb ft).


    Object Number: 310119  Size: SH
  51. Install the engine shield and bolts.
  52. Tighten
    Tighten the bolts to 20 N·m (15 lb ft).

  53. Lower the vehicle.

  54. Object Number: 1236362  Size: SH
  55. Install the vacuum brake booster hose.

  56. Object Number: 310813  Size: SH
  57. Position the generator bracket to the front of the engine.
  58. Install the generator bracket bolts until snug.
  59. Install the rear power steering pump to engine block bolt until snug.
  60. Tighten
    Tighten the bolts to 50 N·m (37 lb ft).

  61. Route the engine wiring harness to the lower engine area.
  62. Raise the vehicle.

  63. Object Number: 1236368  Size: SH
  64. Slide the channel pin into the oil pan tab.
  65. Install the battery cable channel bolt.
  66. Tighten
    Tighten the bolt to 12 N·m (106 lb in).


    Object Number: 1235682  Size: SH
  67. Connect the following electrical connectors:
  68. • The CKP sensor (1)
    • The engine oil level sensor (3)
    • The coolant heater, if equipped
  69. Lower the vehicle.
  70. Connect the fuel pipes. Refer to Metal Collar Quick Connect Fitting Service .

  71. Object Number: 832127  Size: SH
  72. Install the EVAP purge solenoid vent tube to the solenoid (1).
  73. Install the EVAP tube to the vapor pipe (2).

  74. Object Number: 662505  Size: SH
  75. Install the battery cable junction block to the junction block bracket.
  76. Clip all of the engine wiring harness clips to their correct location.

  77. Object Number: 1236366  Size: SH
  78. Connect the following electrical connectors:
  79. • The oil pressure sensor (1)
    • The CMP sensor (3)
  80. Position the harness ground and the engine ground strap to the block.
  81. Install the harness ground bolt at the left rear of the engine block.
  82. Position the harness ground and auxiliary negative battery cable, if equipped, to the block.
  83. Install the harness ground bolt at the right rear of the engine block.
  84. Tighten
    Tighten the bolts to 16 N·m (12 lb ft).


    Object Number: 1235684  Size: SH
  85. Connect the following electrical connectors:
  86. • The ECT sensor (5)
    • The electronic variable orifice switch
  87. Position the harness ground and negative battery cable to the block.
  88. Install the harness ground bolt.
  89. Tighten
    Tighten the bolt to 25 N·m (18 lb ft).


    Object Number: 679510  Size: SH
  90. Connect the MAP sensor (1) and knock sensor (2) electrical connectors.

  91. Object Number: 1235686  Size: SH
  92. Connect the following electrical connectors:
  93. • The main coil harness (4)
    • The fuel injectors (3)
    • The ETC (2)

    Object Number: 757686  Size: SH
  94. Connect the main coil harness (2) and fuel injector electrical connectors on the left side.

  95. Object Number: 395686  Size: SH
  96. Install the generator cable to the generator. Perform the following procedure:
  97. 59.1. Install the generator cable.
    59.2. Install the generator cable nut to the terminal stud.

    Tighten
    Tighten the nut to 9 N·m (80 lb in).

    59.3. Slide the boot over the terminal stud.

    Object Number: 659465  Size: SH
  98. Install the radiator vent inlet hose to the throttle body.
  99. Position the vent inlet hose clamp at the throttle body.

  100. Object Number: 1235683  Size: SH
  101. Install the engine wiring harness bracket and nut (2).
  102. Tighten
    Tighten the nut to 5 N·m (44 lb in).

  103. Connect the following electrical connectors:
  104. • The EVAP canister purge solenoid (1)
    • The generator (3)
  105. Install the heater hoses. Refer to Heater Inlet Hose Replacement and Heater Outlet Hose Replacement .

  106. Object Number: 846668  Size: SH
  107. Open the hose clamp and install the radiator outlet hose to the water pump.

  108. Object Number: 846666  Size: SH
  109. Open the hose clamp and install the radiator inlet hose to the water pump.
  110. Install the radiator support. Refer to Radiator Support Replacement .
  111. Install the A/C compressor. Refer to Air Conditioning Compressor Replacement .

  112. Object Number: 310799  Size: SH
  113. Remove the hood hinge bolts from the service position (2).
  114. Lower the hood to the normal position.
  115. Install the hood hinge bolts.
  116. Tighten
    Tighten the bolts to 25 N·m (18 lb ft).

  117. Remove the fender covers.
  118. Fill the crankcase with the proper quantity and grade of engine oil. Refer to Approximate Fluid Capacities or Fluid and Lubricant Recommendations .
  119. Bleed the hydraulic clutch, if equipped. Refer to Hydraulic Clutch Bleeding .
  120. Perform the CKP system variation learn procedure. Refer to Crankshaft Position System Variation Learn .
  121. Important: After an overhaul, the engine should be tested. Use the following procedure after the engine is install in the vehicle.

  122. Test the vehicle using the following procedure:
  123. 76.1. Disable the ignition system.
    76.2. Crank the engine several times. Listen for any unusual noises or evidence that parts are binding.
    76.3. Enable the ignition system.
    76.4. Start the engine and listen for unusual noises.
    76.5. Check the vehicle oil pressure gage or light and confirm that the engine has acceptable oil pressure.
    76.6. Run the engine speed at about 1,000 RPM until the engine has reached normal operating temperature.
    76.7. Listen for sticking lifters and other unusual noises.
    76.8. Inspect for fuel, oil, and/or coolant leaks while the engine is running.
    76.9. Perform a final inspection for the proper engine oil an coolant levels.
  124. Install the engine shield. Refer to Upper Intake Manifold Sight Shield Replacement .
  125. Close the hood.

Engine Replacement 5.3L Engine w/RPO HP2

Tools Required

    • J 21366 Converter Holding Strap
    • J 41798 Engine Lift Bracket
    • J 46093 Rotor and Flexplate Holding Tool

Removal Procedure


    Object Number: 310799  Size: SH
  1. Open the hood.
  2. Place the fender covers over both fenders.
  3. Raise the hood to the service position. Perform the following procedure:
  4. 3.1. Remove the hood hinge bolts (1).
    3.2. Raise the hood until vertical.
    3.3. Install the hood hinge bolts until snug in the service position (2).
  5. Disconnect the energy storage box (ESB). Refer to Hybrid Battery Service Disconnect/Connect in Engine Electrical.
  6. Remove the engine sight shield. Refer to Upper Intake Manifold Sight Shield Replacement .
  7. Remove the radiator support. Refer to Radiator Support Replacement in Body Front End.

  8. Object Number: 648141  Size: SH
  9. Remove the A/C drive belt. Refer to Air Conditioning Compressor Belt Replacement .
  10. Remove the discharge hose bolt and hose from the compressor.
  11. Remove the suction hose bolt and hose from the compressor.
  12. Discard the sealing washers. Cap the compressor and line openings.
  13. Disconnect the compressor electrical connections.
  14. Remove the A/C compressor bolts. The lower right bolt (3) will stay with the compressor due to a lack of clearance.
  15. Remove the A/C compressor (2).

  16. Object Number: 846666  Size: SH
  17. Open the hose clamp and remove the radiator inlet hose from the water pump.

  18. Object Number: 1288138  Size: SH
  19. Open the hose clamp and remove the radiator outlet hose from the water pump.
  20. Remove the heater hoses. Refer to Heater Inlet Hose Replacement and Heater Outlet Hose Replacement in Heating, Ventilation and Air Conditioning.
  21. Remove the auxiliary heater water pump. Refer to Auxiliary Water Pump Replacement in Engine Cooling.

  22. Object Number: 1235683  Size: SH
  23. Disconnect the evaporative emission (EVAP) canister purge solenoid (1).
  24. Remove the harness bracket nut (2) in order to remove the engine harness from the intake manifold.

  25. Object Number: 679510  Size: SH
  26. Disconnect the manifold absolute pressure (MAP) sensor (1) and knock sensor (2) electrical connectors.

  27. Object Number: 1237555  Size: SH
  28. Remove the connector position assurance (CPA) retainer (1) from the main coil harness connector.
  29. Disconnect the main coil harness (4) and fuel injector (2) electrical connectors on the left side.
  30. Remove the harness clips (3, 5) from the fuel rail.

  31. Object Number: 1235686  Size: SH
  32. Remove the CPA retainer (1) from the main coil harness connector.
  33. Disengage the CPA retainer on the electronic throttle control (ETC).
  34. Disconnect the main coil harness (4), fuel injectors (3), and ETC (2) electrical connectors on the right side.
  35. Remove the harness clips (1) from the fuel rail.

  36. Object Number: 1235684  Size: SH
  37. Remove the engine wiring harness ground bolt (4).
  38. Reposition the harness ground (2) and negative battery cable (3) from the block.
  39. Disconnect the engine coolant temperature (ECT) sensor (5) electrical connector.

  40. Object Number: 1236366  Size: SH
  41. Remove the harness ground bolt at the right rear of the engine block.
  42. Reposition the harness ground (2) and auxiliary negative battery cable, if equipped, from the block.
  43. Remove the harness ground bolt at the left rear of the engine block.
  44. Reposition the harness ground, and engine ground strap from the block.
  45. Disconnect the following electrical connectors:
  46. • The oil pressure sensor (1)
    • The camshaft position (CMP) sensor (3)
  47. Unclip any missed engine harness clips from the engine.

  48. Object Number: 1285743  Size: SH
  49. Disconnect the EVAP purge solenoid vent tube from the solenoid (1) and vapor pipe (2).
  50. Remove the EVAP tube.
  51. Disconnect the fuel feed line. Refer to Metal Collar Quick Connect Fitting Service in Engine Controls - 4.8L, 5.3L, and 6.0L.
  52. Raise and suitably support the vehicle. Refer to Lifting and Jacking the Vehicle in General Information.

  53. Object Number: 1235682  Size: SH
  54. Disconnect the following electrical connectors from the engine:
  55. • The crankshaft position (CKP) sensor (1)
    • The engine oil level sensor (3)
    • The coolant heater, if equipped

    Object Number: 1236368  Size: SH
  56. Remove the battery cable channel bolt.
  57. Slide the channel pin out of the oil pan tab.
  58. Reposition the lower engine wiring harness off to the side.
  59. Lower the vehicle.
  60. Reposition the upper portion of the engine wiring harness off to the side.

  61. Object Number: 659465  Size: SH
  62. Reposition the vent inlet hose clamp at the throttle body.
  63. Remove the radiator vent inlet hose from the throttle body.

  64. Object Number: 1237060  Size: SH
  65. Remove the 3-phase cable bracket cover bolt (1).

  66. Object Number: 1237061  Size: SH
  67. Remove the starter/generator control module (SGCM) cover bolts and cover.
  68. Remove the 3-phase cable nuts.
  69. Remove the 3-phase cable from the SGCM studs.
  70. Tie the cable out of the way.

  71. Object Number: 1237574  Size: SH
  72. Disconnect the engine harness electrical connector (3) from the power steering pump.

  73. Object Number: 1237065  Size: SH
  74. Remove the power steering pump harness 42-volt connector (5) from the wheelhouse panel.
  75. Disconnect the power steering pump harness 42-volt electrical connectors (3, 5).

  76. Object Number: 1237063  Size: SH
  77. Remove the power steering pump harness bolt (3).
  78. Remove the power steering pump harness clip (2) from the bracket.

  79. Object Number: 1237572  Size: SH
  80. Remove the power steering pump harness clip (1) from the bracket.
  81. Remove the ground bolt (3).
  82. Disconnect the power steering pump harness electrical connector (4) from the power steering pump.
  83. Remove the power steering pump harness from the vehicle.

  84. Object Number: 1237043  Size: SH
  85. Remove the battery cable clip bolt (1).
  86. Remove the battery cable junction block bracket bolts (2) from the power steering pump bracket.

  87. Object Number: 1202279  Size: SH
  88. Remove the power steering pump bolts (2).
  89. Reposition the power steering pump (1) with the lines attached, off to the side.

  90. Object Number: 1202281  Size: SH
  91. Remove the power steering pump bracket bolts (1, 2) and bracket (3).

  92. Object Number: 1236362  Size: SH
  93. Remove the vacuum brake booster hose.
  94. Remove the ignition coils, as required, for the proper fit of the J 41798 . Refer to Ignition Coil Replacement in Engine Controls - 4.8L, 5.3L, and 6.0L.
  95. Notice: Refer to Fastener Notice in the Preface section.


    Object Number: 309151  Size: SH
  96. Install the J 41798 to the cylinder heads.
  97. Tighten

        • Tighten the M8 bolts to 25 N·m (18 lb ft).
        • Tighten the M10 bolts to 50 N·m (37 lb ft).

    Object Number: 307275  Size: SH
  98. Remove the left and right engine mount to engine mount bracket bolts.
  99. Raise the vehicle.

  100. Object Number: 349061  Size: SH
  101. Remove the engine shield bolts and shield, if equipped.

  102. Object Number: 309158  Size: SH
  103. Remove the oil pan skid plate bolts and plate, if equipped.
  104. Drain the engine oil.
  105. Remove the catalytic converter. Refer to Catalytic Converter Replacement in Engine Exhaust.

  106. Object Number: 310672  Size: SH
  107. Remove the positive battery cable clip bolt and clip.

  108. Object Number: 1195704  Size: SH
  109. Remove the passenger side closeout cover bolt and cover.

  110. Object Number: 1195705  Size: SH

    Important: It is highly recommended to use a 3/8 inch, 6-point shallow thin wall socket and a wobble extension to loosen the torque converter bolts, and a 8 mm ball end hex key to remove the bolts, in order to prevent possibly stripping the bolts.

  111. Remove the torque converter bolts.

  112. Object Number: 1277133  Size: SH
  113. Install J 46093 to the engine block.
  114. The flange of J 46093 should locate into a hole in the flexplate. Use 2 M10 1.5 x 40 mm bolts for proper tool operation.

    Tighten
    Tighten the bolts to 50 N·m (37 lb ft).


    Object Number: 1284303  Size: SH
  115. Remove the transmission oil level indicator tube bolt.

  116. Object Number: 1284302  Size: SH
  117. Remove the transmission oil level indicator tube from the transmission.

  118. Object Number: 1195707  Size: SH
  119. Remove the transmission studs (1) and bolts (2).

  120. Object Number: 1195708  Size: SH
  121. Remove the transmission nuts.
  122. Install an engine hoist to the J 41798 .
  123. Install a floor jack under the transmission bellhousing for support.
  124. Notice: Use care while moving the engine assembly in order to avoid breaking the MAP sensor locating tabs. Broken MAP sensor tabs may result in decreased engine performance.

  125. Separate the engine from the transmission. Install the J 21366 to the transmission in order to hold the torque converter.
  126. Position or remove the transmission fill tube while removing the engine.
  127. Remove the engine from the vehicle.
  128. Once the engine is out of the vehicle, set the engine down.

  129. Object Number: 1195710  Size: SH
  130. Remove the stator studs.
  131. Remove the stator.

  132. Object Number: 1281915  Size: SH
  133. Remove the flexplate bolts and flexplate.

  134. Object Number: 1195711  Size: SH
  135. Remove the rotor.
  136. Install the engine onto an engine stand.
  137. Remove the engine hoist.

  138. Object Number: 309151  Size: SH
  139. Remove the J 41798 from the engine.

Installation Procedure


    Object Number: 309151  Size: SH
  1. Install the J 41798 to the cylinder heads.
  2. Tighten

        • Tighten the M8 bolts to 25 N·m (18 lb ft).
        • Tighten the M10 bolts to 50 N·m (37 lb ft).
  3. Install an engine hoist to the J 41798 .
  4. Remove the engine from the engine stand.
  5. Set the engine down.

  6. Object Number: 1195711  Size: SH
  7. Install the rotor.

  8. Object Number: 1281915  Size: SH
  9. Install the flexplate and bolts.
  10. Tighten
    Tighten the bolts to 100 N·m (74 lb ft).


    Object Number: 1195710  Size: SH
  11. Install the stator.
  12. Install the stator studs.
  13. Tighten
    Tighten the studs to 16 N·m (12 lb ft).

  14. Install the engine to the vehicle.
  15. Remove the J 21366 from the transmission.
  16. Position or install the transmission fill tube while installing the engine.

  17. Object Number: 307275  Size: SH
  18. Install the left and right engine mount to engine mount bracket bolts.
  19. Tighten
    Tighten the bolts to 65 N·m (48 lb ft).

  20. Install the upper transmission stud until snug.
  21. Remove the floor jack from under the transmission bellhousing.
  22. Remove the engine hoist.

  23. Object Number: 309151  Size: SH
  24. Remove the J 41798 from the engine.
  25. Install the ignition coils, as required. Refer to Ignition Coil Replacement in Engine Controls - 4.8L, 5.3L, and 6.0L.
  26. Raise the vehicle.

  27. Object Number: 1195708  Size: SH
  28. Install the transmission nuts.
  29. Tighten
    Tighten the nuts to 12 N·m (106 lb in).


    Object Number: 1195707  Size: SH
  30. Install the transmission studs (1) and bolts (2).
  31. Tighten
    Tighten the studs/bolts to 50 N·m (37 lb ft).


    Object Number: 1284302  Size: SH
  32. Install the transmission oil level indicator tube to the transmission.

  33. Object Number: 1284303  Size: SH
  34. Install the transmission oil level indicator tube bolt.
  35. Tighten
    Tighten the bolt to 18 N·m (13 lb ft).


    Object Number: 1277133  Size: SH
  36. Remove the J 46093 from the engine block.

  37. Object Number: 1195705  Size: SH

    Important: It is highly recommended to use a 8 mm ball end hex key to install and hand tighten the torque converter bolts. Then use a 3/8 inch, 6-point shallow thin wall socket and a wobble extension to torque the torque converter bolts in order to prevent possibly stripping the bolts.

  38. Install the torque converter bolts.
  39. Tighten
    Tighten the bolts to 63 N·m (46 lb ft).


    Object Number: 1195704  Size: SH
  40. Install the passenger side closeout cover and bolt.
  41. Tighten
    Tighten the bolt to 12 N·m (106 lb in).


    Object Number: 310672  Size: SH
  42. Install the positive battery cable clip and bolt.
  43. Tighten
    Tighten the bolt to 9 N·m (80 lb in).

  44. Install the catalytic converter. Refer to Catalytic Converter Replacement in Engine Exhaust.

  45. Object Number: 309158  Size: SH
  46. Install the oil pan skid plate and bolts, if equipped.
  47. Tighten
    Tighten the bolts to 20 N·m (15 lb ft).


    Object Number: 349061  Size: SH
  48. Install the engine shield and bolts, if equipped.
  49. Tighten
    Tighten the bolts to 20 N·m (15 lb ft).

  50. Lower the vehicle.

  51. Object Number: 1236362  Size: SH
  52. Install the vacuum brake booster hose.

  53. Object Number: 1202281  Size: SH
  54. Install the power steering pump bracket (3) and bolts (1, 2).
  55. Tighten
    Tighten the bolts to 25 N·m (18 lb ft).


    Object Number: 1202279  Size: SH
  56. Position the power steering pump (1) with the lines attached to the bracket.
  57. Install the power steering pump bolts (2).
  58. Tighten
    Tighten the bolts to 25 N·m (18 lb ft).


    Object Number: 1237043  Size: SH
  59. Install the battery cable junction block bracket bolts (2) to the power steering pump bracket.
  60. Tighten
    Tighten the bolts to 9 N·m (80 lb in).

  61. Install the battery cable clip bolt (1).
  62. Tighten
    Tighten the bolt to 9 N·m (80 lb in).


    Object Number: 1237572  Size: SH
  63. Install the power steering pump harness to the vehicle.
  64. Connect the power steering pump harness electrical connector (4) to the power steering pump.
  65. Install the ground bolt (3).
  66. Tighten
    Tighten the bolt to 25 N·m (18 lb ft).

  67. Install the power steering pump harness clip (1) to the bracket.

  68. Object Number: 1237063  Size: SH
  69. Install the power steering pump harness clip (2) to the bracket.
  70. Install the power steering pump harness bolt (3).
  71. Tighten
    Tighten the bolt to 25 N·m (18 lb ft).


    Object Number: 1237065  Size: SH
  72. Connect the power steering pump harness 42-volt electrical connectors (3, 5).
  73. Install the power steering pump harness 42-volt connector (5) to the wheelhouse panel.

  74. Object Number: 1237574  Size: SH
  75. Connect the engine harness electrical connector (3) to the power steering pump.

  76. Object Number: 1237061  Size: SH
  77. Position the cable.
  78. Install the 3-phase cable to the SGCM studs.
  79. Install the 3-phase cable nuts.
  80. Tighten
    Tighten the nuts to 9 N·m (80 lb in).

  81. Install the SGCM cover and bolts.
  82. Tighten
    Tighten the bolts to 9 N·m (80 lb in).


    Object Number: 1237060  Size: SH
  83. Install the 3-phase cable bracket cover bolt (1).
  84. Tighten
    Tighten the bolt to 9 N·m (80 lb in).


    Object Number: 659465  Size: SH
  85. Install the radiator vent inlet hose to the throttle body.
  86. Position the vent inlet hose clamp at the throttle body.

  87. Object Number: 1236368  Size: SH
  88. Position the upper portion of the engine wiring harness.
  89. Raise the vehicle.
  90. Position the lower engine wiring harness.
  91. Slide the channel pin into the oil pan tab.
  92. Install the battery cable channel bolt.
  93. Tighten
    Tighten the bolt to 12 N·m (106 lb in).


    Object Number: 1235682  Size: SH
  94. Connect the following electrical connectors to the engine:
  95. • The CKP sensor (1)
    • The engine oil level sensor (3)
    • The coolant heater, if equipped
  96. Lower the vehicle.

  97. Object Number: 1285743  Size: SH
  98. Connect the fuel feed line. Refer to Metal Collar Quick Connect Fitting Service in Engine Controls - 4.8L, 5.3L, and 6.0L.
  99. Install the EVAP tube.
  100. Connect the EVAP purge solenoid vent tube to the solenoid (1) and vapor pipe (2).

  101. Object Number: 1236366  Size: SH
  102. Connect the following electrical connectors:
  103. • The oil pressure sensor (1)
    • The CMP sensor (3)
  104. Position the harness ground and engine ground strap to the block.
  105. Install the harness ground bolt at the left rear of the engine block.
  106. Tighten
    Tighten the bolt to 16 N·m (12 lb ft).

  107. Position the harness ground (2) and auxiliary negative battery cable, if equipped, to the block.
  108. Install the harness ground bolt at the right rear of the engine block.
  109. Tighten
    Tighten the bolt to 16 N·m (12 lb ft).


    Object Number: 1235684  Size: SH
  110. Connect the ECT sensor (5) electrical connector.
  111. Position the harness ground (2) and negative battery cable (3) to the block.
  112. Install the engine wiring harness ground bolt (4).
  113. Tighten
    Tighten the bolt to 25 N·m (18 lb ft).


    Object Number: 1235686  Size: SH
  114. Install the harness clips (1) to the fuel rail.
  115. Connect the main coil harness (4), fuel injectors (3), and ETC (2) electrical connectors on the right side.
  116. Engage the CPA retainer on the ETC.
  117. Install the CPA retainer (1) to the main coil harness connector.

  118. Object Number: 1237555  Size: SH
  119. Install the harness clips (3, 5) to the fuel rail.
  120. Connect the main coil harness (4) and fuel injector (2) electrical connectors on the left side.
  121. Install the CPA retainer (1) to the main coil harness connector.

  122. Object Number: 679510  Size: SH
  123. Connect the MAP sensor (1) and knock sensor (2) electrical connectors.

  124. Object Number: 1235683  Size: SH
  125. Install the harness bracket nut (2).
  126. Tighten
    Tighten the nut to 5 N·m (44 lb in).

  127. Connect the EVAP canister purge solenoid (1).
  128. Install the auxiliary heater water pump. Refer to Auxiliary Water Pump Replacement in Engine Cooling.
  129. Install the heater hoses. Refer to Heater Inlet Hose Replacement and Heater Outlet Hose Replacement in Heating, Ventilation and Air Conditioning.

  130. Object Number: 1288138  Size: SH
  131. Install the radiator outlet hose to the water pump and close the hose clamp.

  132. Object Number: 846666  Size: SH
  133. Install the radiator inlet hose to the water pump and close the hose clamp.

  134. Object Number: 648141  Size: SH
  135. Install the A/C compressor (2).
  136. Install the A/C compressor bolts.
  137. Tighten
    Tighten the bolts to 50 N·m (37 lb ft).

  138. Connect the compressor electrical connections.
  139. Remove the caps from the compressor and line openings. Install NEW sealing washers.
  140. Install the suction hose and bolt to the compressor.
  141. Tighten
    Tighten the bolt to 16 N·m (12 lb ft).

  142. Install the discharge hose and bolt to the compressor.
  143. Tighten
    Tighten the bolt to 16 N·m (12 lb ft).

  144. Install the A/C drive belt. Refer to Air Conditioning Compressor Belt Replacement .
  145. Install the radiator support. Refer to Radiator Support Replacement in Body Front End.
  146. Connect the ESB. Refer to Hybrid Battery Service Disconnect/Connect in Engine Electrical.

  147. Object Number: 310799  Size: SH
  148. Remove the hood hinge bolts from the service position.
  149. Lower the hood to the normal position.
  150. Install the hood hinge bolts.
  151. Tighten
    Tighten the bolt to 25 N·m (18 lb ft).

  152. Remove the fender covers.
  153. Fill the crankcase with the proper quantity and grade of engine oil. Refer to Approximate Fluid Capacities or Fluid and Lubricant Recommendations in Maintenance and Lubrication.
  154. Perform the CKP system variation learn procedure. Refer to Crankshaft Position System Variation Learn in Engine Controls - 4.8L, 5.3L, and 6.0L.
  155. Test the vehicle using the following procedure:
  156. 100.1. Disable the ignition system.
    100.2. Crank the engine several times. Listen for any unusual noises or evidence that parts are binding.
    100.3. Enable the ignition system.
    100.4. Start the engine and listen for unusual noises.
    100.5. Check the vehicle oil pressure gage or light and confirm that the engine has acceptable oil pressure.
    100.6. Run the engine speed at about 1,000 RPM until the engine has reached normal operating temperature.
    100.7. Listen for sticking lifters and other unusual noises.
    100.8. Inspect for fuel, oil, and/or coolant leaks while the engine is running.
    100.9. Perform a final inspection for the proper engine oil and coolant levels.
  157. Install the engine sight shield. Refer to Upper Intake Manifold Sight Shield Replacement .
  158. Close the hood.