GM Service Manual Online
For 1990-2009 cars only
Figure 1:

Upper and Lower Intake Manifold View


Object Number: 1562660  Size: LF
(307)Thermostat
(308)Thermostat Seal
(309)Thermostat Housing
(310)Thermostat Housing Stud
(503)Lower Intake Manifold
(504)Fuel Meter Body
(505)PCV Valve Cover Seal
(506)PCV Valve Cover
(507)Wire Harness Bracket
(508)Wire Harness Bracket Nut
(509)Fuel Pipe Bolt
(510)Fuel Pipe Nut
(511)Fuel Pipe Seal Retainer
(512)Upper Fuel Pipe Seal
(513)Fuel Pipe Spacer
(514)Lower Fuel Pipe Seal
(515)Throttle Body Gasket
(516)Throttle Body
(517)Throttle Body Stud
(518)Upper Intake Manifold Stud
(519)Fuel Meter Body Seal
(533)Upper Intake Manifold
(534)Upper Intake Manifold Gasket
(535)Heater Inlet Hose Fitting
(701)Throttle Position Sensor Bolt
(702)Throttle Position Sensor
(703)Idle Air Control Sensor Bolt
(704)Idle Air Control Sensor
(705)Idle Air Control Sensor Seal
(749)Fuel Pipe - Returnless
(750)Fuel Pipe Plug
(751)Fuel Service Port Cap
(752)Fuel Service Port Schreder Valve
(753)Fuel Pipe Retainer
Figure 2:

Upper Engine View 1


Object Number: 1523557  Size: LF
(500)Intake Manifold Assembly
(501)Lower Intake Manifold Gasket
(502)Lower Intake Manifold Bolt
(710)Ignition Coil Wire
(711)Evaporative Emission (EVAP) Purge Valve Hose
(712)Evaporative Emission (EVAP) Purge Valve Bolt
(713)Evaporative Emission (EVAP) Purge Valve
(714)MAP Sensor
(715)Evaporative Emission (EVAP) Purge Valve Seal
(716)MAP Sensor Seal
(717)Ignition Coil Module Bolt
(718)Ignition Coil Module
(719)Ignition Coil Bolt
(720)Ignition Coil
(721)Throttle Cable Bracket Nut
(722)Throttle Cable Bracket
(723)Throttle Cable Bracket Bolt
(724)Throttle Cable Bracket Stud
(725)Ignition Wire Harness - Right
(726)Ignition Wire Harness Retainer
(727)Ignition Wire Harness Retainer
(728)Ignition Wire Harness Retainer
(729)Distributor Bolt
(730)Distributor
(731)Ignition Wire Harness - Left
(732)Ignition Wire Harness Retainer
(733)Ignition Wire Harness Retainer
(734)Ignition Wire Harness Retainer
(735)Distributor Gasket
(740)Spark Plug
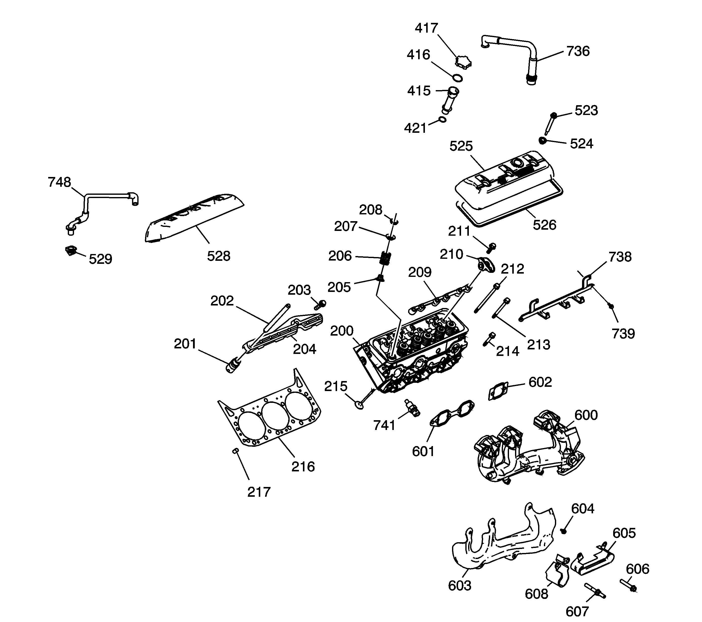
Figure 3:

Upper Engine View 2


Object Number: 1562661  Size: LF
(200)Cylinder Head
(201)Valve Lifter
(202)Valve Pushrod
(203)Valve Lifter Retainer Bolt
(204)Valve Lifter Retainer
(205)Valve Stem Oil Seal
(206)Valve Spring
(207)Valve Spring Cap
(208)Valve Spring Key
(209)Valve Rocker Arm Support
(210)Valve Rocker Arm
(211)Valve Rocker Arm Bolt
(212)Cylinder Head Bolt - Long
(213)Cylinder Head Bolt - Medium
(214)Cylinder Head Bolt - Short
(215)Valve
(216)Cylinder Head Gasket
(217)Cylinder Head Locating Pin
(415)Oil Fill Tube
(416)Oil Fill Cap Seal
(417)Oil Fill Cap
(421)Oil Fill Tube Seal
(523)Valve Rocker Arm Cover Bolt
(524)Valve Rocker Arm Cover Bolt Grommet
(525)Valve Rocker Arm Cover - Left
(526)Valve Rocker Arm Cover Gasket
(528)Valve Rocker Arm Cover - Right
(529)Fresh Air Tube Grommet
(600)Exhaust Manifold
(601)Exhaust Manifold Gasket - Large
(602)Exhaust Manifold Gasket - Small
(603)Exhaust Manifold Heat Shield
(604)Exhaust Manifold Heat Shield Bolt
(605)Spark Plug Wire Heat Shield - Large
(606)Exhaust Manifold Bolt
(607)Exhaust Manifold Stud
(608)Spark Plug Wire Heat Shield - Small
(736)PCV Hose
(738)Ignition Wire Bracket
(739)Ignition Wire Bracket Bolt
(741)Engine Coolant Temperature Sensor
(748)Fresh Air Tube
Figure 4:

Lower Engine View 1


Object Number: 1312884  Size: LF
(100)Engine Block
(116)Balance Shaft Bearing - Rear
(117)Camshaft Bearing
(118)Balance Shaft
(119)Balance Shaft Bearing - Front
(121)Balance Shaft Retainer Plate
(122)Balance Shaft Retainer Plate Bolt
(123)Balance Shaft Driven Gear
(124)Balance Shaft Driven Gear Bolt
(125)Connecting Rod Nut
(126)Connecting Rod Cap
(127)Connecting Rod Bearing
(128)Connecting Rod
(129)Connecting Rod Bolt
(130)Piston Pin
(131)Piston
(132)Piston Ring Set
(144)Front Oil Gallery Plug - Left
(145)Front Oil Gallery Plug - Right
(146)Side Oil Gallery Plug - Left
(147)Engine Block Coolant Drain Plug - Left
(148)Engine Block Core Plug
(151)Balance Shaft Rear Bearing Hole Plug
(152)Camshaft Rear Bearing Hole Plug
(153)Rear Oil Gallery Plug - Left
(154)Transmission Locating Pin
(155)Rear Oil Gallery Plug - Right
(217)Cylinder Head Locating Pin
(218)Camshaft
(219)Camshaft Retainer Plate
(220)Camshaft Retaining Plate Bolt
(221)Camshaft Drive Gear Locating Pin
(222)Camshaft Drive Gear
(223)Camshaft Timing Gear
(225)Timing Chain
(226)Camshaft Timing Gear Bolt
(227)Timing Chain Tensioner Bracket
(228)Timing Chain Tensioner Bracket Bolt
(229)Timing Chain Tensioner Shoe
(300)Water Pump
(301)Water Pump Bypass Hose Clamp
(302)Water Pump Bypass Hose
(303)Water Pump Gasket
(304)Water Pump Bolt
(305)Water Pump Pulley
(306)Water Pump Pulley Bolt
(413)Oil Filter
(418)Oil Level Indicator Tube Bolt
(419)Oil Level Indicator Tube
(420)Oil Level Indicator
(424)Oil Pressure Relief Valve O-Ring Seal
(430)Oil Filter Bypass Valve
(431)Oil Cooler Adapter Bolt
(432)Oil Cooler Adapter
(433)Oil Cooler Adapter Seal
(434)Oil Cooler Adapter Gasket
(706)Oil Pressure Sensor Fitting
(707)Oil Pressure Sensor
(708)Knock Sensor
(709)Knock Sensor Bolt
(745)Engine Lift Bracket - Front
(746)Engine Lift Bracket Stud - Front
(747)Engine Lift Bracket Bolt - Front
Figure 5:

Lower Engine View 2


Object Number: 1463038  Size: LF
(101)Crankshaft Main Bearing - Thrust
(101)Crankshaft Main Bearing - Thrust
(102)Crankshaft Main Bearing
(102)Crankshaft Main Bearing
(103)Crankshaft Balancer Key
(104)Crankshaft
(106)Crankshaft Main Bearing Cap
(107)Crankshaft Main Bearing Cap - Thrust
(108)Crankshaft Main Bearing Cap Bolt
(109)Crankshaft Rear Oil Seal Housing Gasket
(110)Crankshaft Rear Oil Seal Housing Locating Pin
(111)Crankshaft Rear Oil Seal Housing Stud
(112)Crankshaft Rear Oil Seal Housing
(113)Crankshaft Rear Oil Seal Housing Nut
(114)Crankshaft Rear Oil Seal
(115)Crankshaft Rear Oil Seal Housing Bolt
(133)Crankshaft Position (CKP) Sensor Reluctor Ring
(134)Crankshaft Balancer
(135)Crankshaft Balancer Weight
(136)Crankshaft Drive Belt Pulley
(137)Crankshaft Drive Belt Pulley Bolt
(138)Crankshaft Balancer Washer
(139)Crankshaft Balancer Bolt
(140)Flywheel - Auto Transmission
(141)Flywheel Bolt
(142)Flywheel - Manual Transmission
(143)Flywheel Weight - Manual Transmission
(156)Rear Oil Seal Housing Bolt - Large
(157)Clutch Pilot Bearing
(159)Front Cover Bolt
(160)Front Cover
(224)Crankshaft Timing Sprocket
(400)Oil Pan
(401)Oil Pan Drain Plug Seal
(402)Oil Pan Drain Plug
(403)Oil Pan Bolt
(404)Oil Pan Baffel
(405)Oil Pan Baffel Bolt
(406)Oil Pan Gasket
(407)Oil Pump Bolt
(408)Oil Pump Pick Up Screen
(409)Oil Pump
(410)Oil Pump Drive Retainer
(411)Oil Pump Drive Shaft
(412)Oil Pump Locating Pin
(435)Oil Pan Nut
(436)Crankshaft Rear Oil Seal Housing Stud
(521)Crankshaft Front Oil Seal
(742)Crankshaft Position Sensor Seal
(743)Crankshaft Position Sensor
(744)Crankshaft Position Sensor Bolt