GM Service Manual Online
For 1990-2009 cars only

Removal Procedure


    Object Number: 1237061  Size: SH
  1. Disconnect the generator battery carrier. Refer to Hybrid Battery Service Disconnect/Connect .
  2. Remove the air cleaner assembly. Refer to Air Cleaner Assembly Replacement for the 4.8L, 5.3L, and 6.0L engines.
  3. Remove the surge tank. Refer to Radiator Surge Tank Replacement .
  4. Remove the generator control module (GCM) coolant tank. Refer to Generator Control Module Coolant Tank Replacement .
  5. Remove the GCM cover bolts, and cover.
  6. Remove the 3-phase cable nuts to the GCM.
  7. Remove the 3-phase cable from the GCM.

  8. Object Number: 1480429  Size: SH
  9. Remove the connector position assurance (CPA) retainer on the engine harness electrical connector.
  10. Disconnect the engine harness electrical connector.

  11. Object Number: 1257479  Size: SH
  12. Disconnect the accessory power receptacle electrical connector from the GCM.

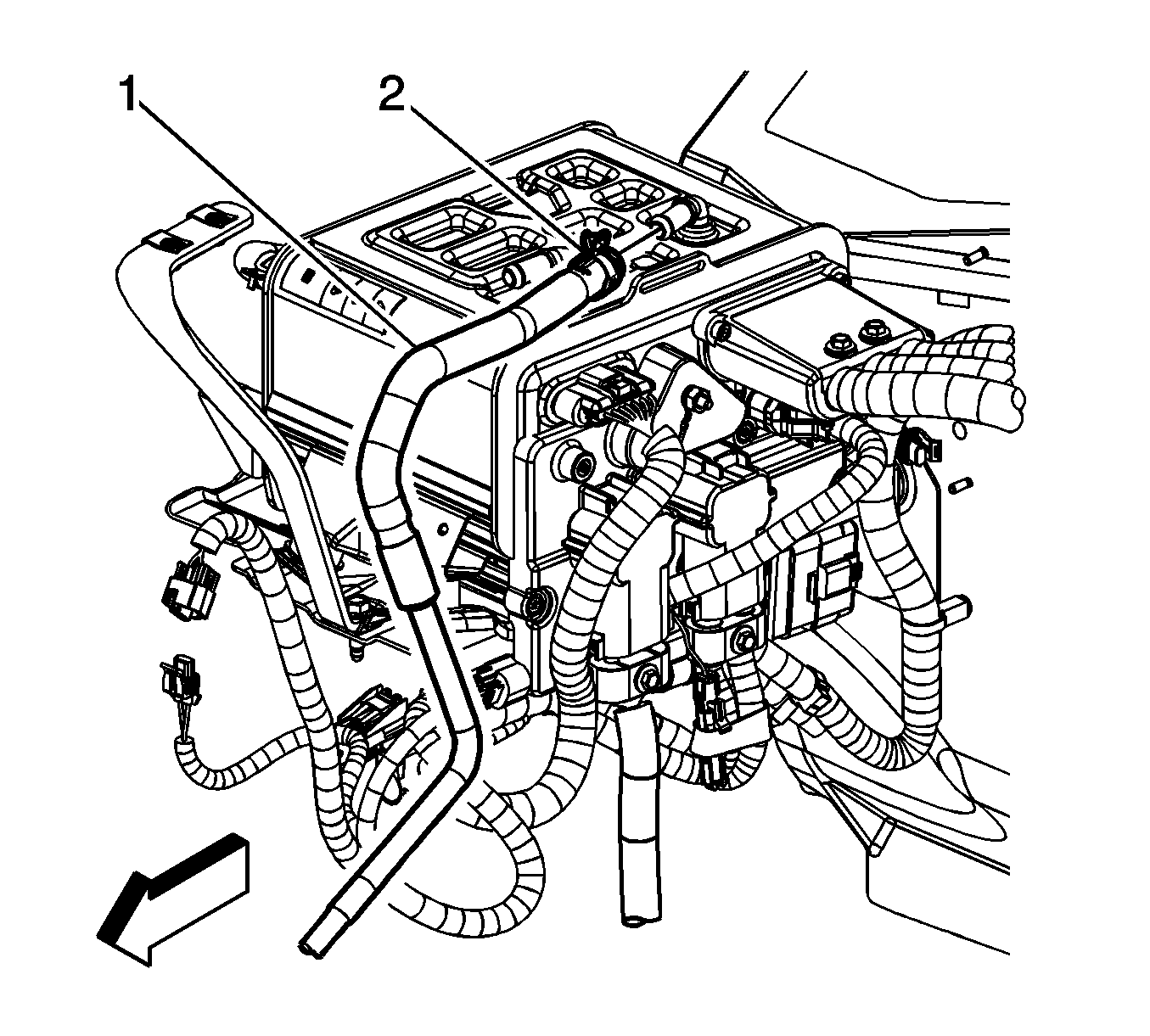
  13. Object Number: 1480439  Size: SH
  14. Reposition the GCM coolant outlet hose clamp (2).
  15. Remove the GCM coolant outlet hose (1).

  16. Object Number: 1237045  Size: SH
  17. Loosen the 14-volt positive/negative battery cable bolt (1).
  18. Remove the red CPA retainer.
  19. Disconnect the 14-volt positive/negative battery cable.

  20. Object Number: 1237049  Size: SH
  21. Loosen the 42-volt positive/negative battery cable bolt (1).
  22. Remove the red CPA retainer.
  23. Disconnect the 42-volt positive/negative battery cable.
  24. Disconnect the 42-volt jumper ground wire connector (2).

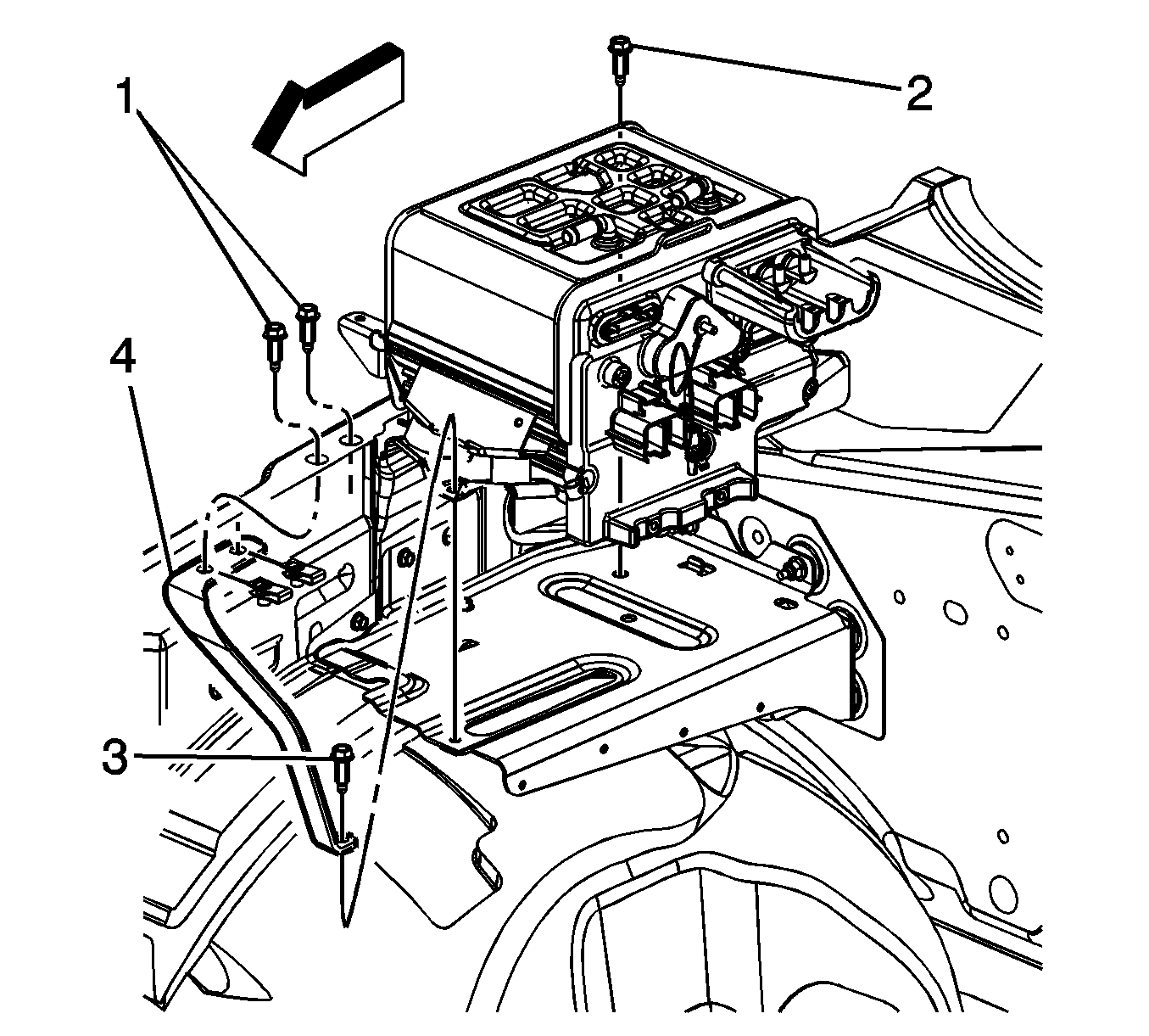
  25. Object Number: 1237056  Size: SH
  26. Remove the GCM rear bolt (2).
  27. Remove the GCM front bolt (3).
  28. Remove the brace (4).
  29. Remove the GCM.

Installation Procedure


    Object Number: 1237056  Size: SH
  1. Install the GCM.
  2. Install the brace (4).
  3. Install the GCM front bolt (3).
  4. Notice: Refer to Fastener Notice in the Preface section.

  5. Install the GCM rear bolt (2).
  6. Tighten
    Tighten the bolts to 20 N·m (15 lb ft).


    Object Number: 1237049  Size: SH
  7. Connect the 42-volt jumper ground wire connector (2).
  8. Connect the 42-volt positive/negative battery cable.
  9. Install the red CPA retainer.
  10. Tighten the 42-volt positive/negative battery cable bolt (1).
  11. Tighten
    Tighten the bolt to 9 N·m (80 lb in).


    Object Number: 1237045  Size: SH
  12. Connect the 14-volt positive/negative battery cable.
  13. Install the red CPA retainer.
  14. Tighten the 14-volt positive/negative battery cable bolt (1).
  15. Tighten
    Tighten the bolt to 9 N·m (80 lb in).


    Object Number: 1480439  Size: SH
  16. Install the GCM coolant outlet hose (1).
  17. Position the GCM coolant outlet hose clamp (2).

  18. Object Number: 1257479  Size: SH
  19. Connect the accessory power receptacle electrical connector to the GCM.

  20. Object Number: 1480429  Size: SH
  21. Connect the engine harness electrical connector.
  22. Install the CPA retainer on the engine harness electrical connector.

  23. Object Number: 1237061  Size: SH
  24. Install the 3-phase cable to the GCM.
  25. Install the 3-phase cable nuts to the GCM.
  26. Tighten
    Tighten the nuts to 15 N·m (11 lb ft).

  27. Install the GCM cover and bolts.
  28. Tighten
    Tighten the bolts to 9 N·m (80 lb in).

  29. Install the GCM coolant tank. Refer to Generator Control Module Coolant Tank Replacement .
  30. Install the surge tank. Refer to Radiator Surge Tank Replacement .
  31. Install the air cleaner assembly. Refer to Air Cleaner Assembly Replacement for the 4.8L, 5.3L, and 6.0L engines.
  32. Connect the generator battery carrier. Refer to Hybrid Battery Service Disconnect/Connect .
  33. Program the GCM. Refer to Control Module References for programming and setup information.