GM Service Manual Online
For 1990-2009 cars only

Removal Procedure


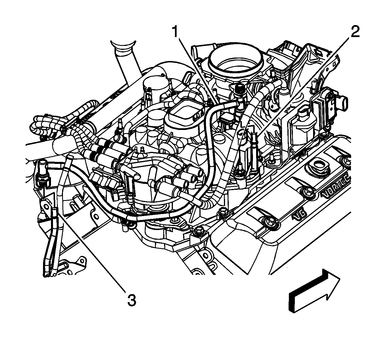
    Object Number: 1501881  Size: SH
  1. Remove the air cleaner outlet resonator. Refer to Air Cleaner Outlet Resonator Replacement .
  2. Disconnect the evaporative emission (EVAP) canister purge solenoid valve tube (1) from the valve (2).

  3. Object Number: 1502053  Size: SH
  4. Disconnect the purge solenoid electrical connector (1).

  5. Object Number: 1503010  Size: SH
  6. Remove the purge solenoid nut.
  7. Remove the engine wiring harness bracket from the stud.
  8. Remove the purge solenoid stud.
  9. Remove the purge solenoid from the intake manifold.

Installation Procedure

    Notice: Refer to Fastener Notice in the Preface section.


    Object Number: 1503010  Size: SH
  1. Install the purge solenoid to the intake manifold.
  2. Install the purge solenoid stud.
  3. Tighten
    Tighten the stud to 12 N·m (106 lb in).

  4. Install the engine wiring harness bracket to the stud.
  5. Install the purge solenoid nut.
  6. Tighten
    Tighten the nut to 12 N·m (106 lb in).


    Object Number: 1502053  Size: SH
  7. Connect the purge solenoid electrical connector (1).

  8. Object Number: 1501881  Size: SH
  9. Connect the EVAP canister purge solenoid valve tube (1) to the valve (2).
  10. Install the air cleaner outlet resonator. Refer to Air Cleaner Outlet Resonator Replacement .