GM Service Manual Online
For 1990-2009 cars only

Evaporative Emission Canister Replacement Pickup

Removal Procedure

Important: Clean all evaporative emission (EVAP) connections and surrounding areas prior to disconnecting the lines in order to avoid possible system contamination.


    Object Number: 1228104  Size: SH
  1. Raise and suitably support the vehicle. Refer to Lifting and Jacking the Vehicle in General Information.
  2. Disconnect the EVAP canister vent solenoid (CVS) line from the EVAP canister.
  3. Disconnect the fuel tank EVAP line from the canister.
  4. Disconnect the canister EVAP line from the fuel bundle line.
  5. Remove the EVAP canister nut.
  6. Remove the EVAP canister with shield from the bracket.
  7. If necessary, remove the EVAP canister from the shield, perform the following:
  8. 7.1. Lift up the retaining clip on the bottom of the canister.
    7.2. Remove the canister from the shield.
  9. If necessary, disconnect the EVAP lines from the canister.

Installation Procedure


    Object Number: 1228104  Size: SH
  1. If necessary, connect the EVAP lines to the canister.
  2. If necessary, install the EVAP canister to the shield, perform the following:
  3. 2.1. Install the canister to the shield.
    2.2. Ensure the retaining clip engages on the bottom of the canister.

    Notice: Refer to Fastener Notice in the Preface section.

  4. Install the EVAP canister with shield to the bracket.
  5. Install the EVAP canister nut.
  6. Tighten
    Tighten the nut to 25 N·m (18 lb ft).

  7. Connect the canister EVAP line to the fuel bundle line.
  8. Connect the fuel tank EVAP line to the canister.
  9. Connect the EVAP CVS line to the canister.
  10. Lower the vehicle.

Evaporative Emission Canister Replacement Cab/Chassis

Removal Procedure

Important: Clean all evaporative emission (EVAP) connections and surrounding areas prior to disconnecting the lines in order to avoid possible system contamination.


    Object Number: 1228177  Size: SH
  1. Raise and suitably support the vehicle. Refer to Lifting and Jacking the Vehicle .
  2. Disconnect the EVAP canister vent solenoid (CVS) line from the canister.
  3. Disconnect the fuel tank EVAP line from the canister.
  4. Disconnect the canister EVAP line from the fuel bundle line.
  5. Remove the EVAP canister nuts.
  6. Remove the EVAP canister.

Installation Procedure

    Notice: Refer to Fastener Notice in the Preface section.


    Object Number: 1228177  Size: SH
  1. Install the EVAP canister.
  2. Install the EVAP canister nuts.
  3. Tighten
    Tighten the nuts to 25 N·m (18 lb ft).

  4. Connect the canister EVAP line to the fuel bundle line.
  5. Connect the fuel tank EVAP line to the canister.
  6. Connect the EVAP CVS line to the canister.
  7. Lower the vehicle.

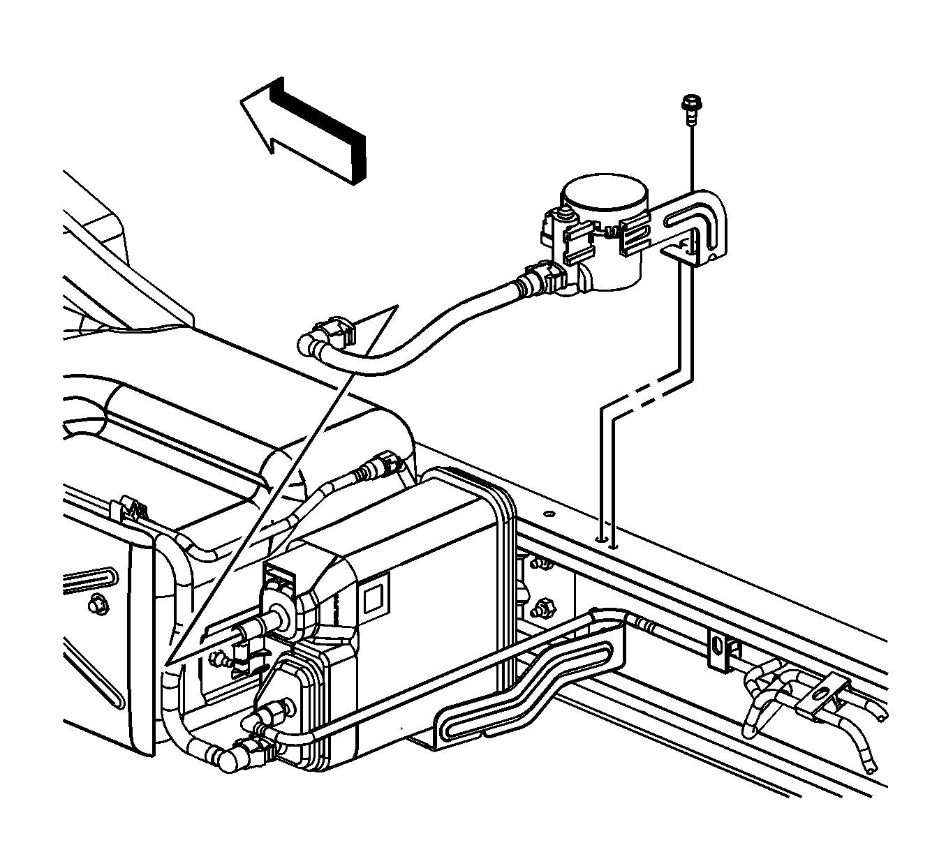
Evaporative Emission Canister Replacement 1500 Crew Cab

Removal Procedure

Important: Clean all evaporative emission (EVAP) connections and surrounding areas prior to disconnecting the lines in order to avoid possible system contamination.


    Object Number: 1223732  Size: SH
  1. Raise and suitably support the vehicle. Refer to Lifting and Jacking the Vehicle .
  2. Disconnect the canister vent solenoid (CVS) line from the EVAP canister. Refer to Plastic Collar Quick Connect Fitting Service .

  3. Object Number: 1223729  Size: SH
  4. Disconnect the fuel/EVAP bundle line from the EVAP canister. Refer to Plastic Collar Quick Connect Fitting Service .
  5. Disconnect the fuel tank line from the EVAP canister. Refer to Plastic Collar Quick Connect Fitting Service .
  6. Remove the EVAP canister bracket bolts.
  7. Remove the EVAP canister from the bracket, if necessary.

Installation Procedure

    Notice: Refer to Fastener Notice in the Preface section.


    Object Number: 1223729  Size: SH
  1. Install the EVAP canister to the bracket, if necessary.
  2. Install the EVAP canister bracket bolts.
  3. Tighten
    Tighten the bolts to 18 N·m (13 lb ft).

  4. Connect the fuel tank line to the EVAP canister. Refer to Plastic Collar Quick Connect Fitting Service .
  5. Connect the fuel/EVAP bundle line to the EVAP canister. Refer to Plastic Collar Quick Connect Fitting Service .

  6. Object Number: 1223732  Size: SH
  7. Connect the CVS line to the EVAP canister. Refer to Plastic Collar Quick Connect Fitting Service .
  8. Lower the vehicle.