GM Service Manual Online
For 1990-2009 cars only
Figure 1:

LF of Engine Compartment


Object Number: 1543919  Size: LF
(1)Fuse Block - Underhood - Cooling Fan
(2)Fuse Block - Underhood C1
(3)Fuse Block - Underhood C2
(4)Fuse Block - Underhood C4
(5)Fuse Block - Underhood C3
(6)Battery Positive Voltage (Forward Lamp Harness)
(7)Battery Positive Voltage (Chassis Harness)
(8)Fuse Block - Underhood C9
(9)Fuse Block - Underhood C6
(10)Fuse Block - Underhood C5
(11)Fuse Block - Underhood C7
(12)Battery Positive Voltage (I/P Harness)
(13)G100
(14)G115
Figure 2:

LF of Engine Compartment (HP2)


Object Number: 1543916  Size: LF
(1)Fuse Block - Underhood - Cooling Fan
(2)Fuse Block - Underhood C1
(3)Fuse Block - Underhood C2
(4)Fuse Block - Underhood C4
(5)Fuse Block - Underhood C3
(6)Battery Positive Voltage (Forward Lamp Harness)
(7)Battery Positive Voltage (Chassis Harness)
(8)Fuse Block - Underhood C9
(9)Fuse Block -Underhood C6
(10)Fuse Block - Underhood C5
(11)Fuse Block - Underhood C7
(12)Battery Positive Voltage (I/P Harness)
(13)Fuse Block - Underhood - Secondary
(14)G100
(15)G115
Figure 3:

G102 (4.3L)


Object Number: 1373404  Size: LF
(1)Starter
(2)G102
(3)Crankshaft Position (CKP) Sensor Connector
(4)Negative Battery Cable
Figure 4:

G103 and G104 (4.3L)


Object Number: 1373403  Size: LF
(1)Camshaft Position (CMP) Sensor Connector
(2)Engine Oil Pressure (EOP) Sensor Connector
(3)G103
(4)G104
(5)Ground Strap
(6)Knock Sensor (KS) Connector
Figure 5:

G103 and G104 (4.8L, 5.3L, and 6.0L)


Object Number: 1373407  Size: LF
(1)Engine Oil Pressure (EOP) Sensor Connector
(2)G103
(3)Camshaft Position (CMP) Sensor Connector
(4)G104
Figure 6:

G102 (4.8L, 5.3L, and 6.0L)


Object Number: 1373408  Size: LF
(1)Engine Coolant Temperature (ECT) Sensor Connector
(2)G102
(3)Negative Battery Cable
Figure 7:

Lower Right Side of the Engine (Diesel)


Object Number: 1217665  Size: MF
(1)G103
(2)Engine Block
(3)G102
(4)G109
Figure 8:

Lower Left Side of the Engine (Diesel)


Object Number: 1217662  Size: MF
(1)Engine Block
(2)G108
(3)G104
Figure 9:

G102 - 8.1L


Object Number: 656528  Size: MF
(1)Engine - 8.1L
(2)Knock Sensor (KS) - 2
(3)Knock Sensor (KS) - 2 Connector
(4)Engine Harness
(5)G102 - Engine Harness Ground
Figure 10:

G103 and G104 (8.1L)


Object Number: 1373405  Size: LF
(1)G104
(2)Engine
(3)Engine Oil Pressure (EOP) Sensor Connector
(4)Ground Strap
(5)Crankshaft Position (CKP) Sensor Connector
(6)G103
Figure 11:

G106 (Gas w/TP2 or 8Y9 and Diesel)


Object Number: 1459002  Size: LF
(1)G106 (Engine Harness)
(2)G106 (Battery Cable)
(3)Back of Engine Block
Figure 12:

G120 (HP2)


Object Number: 1395890  Size: LF
(1)Starter/Generator Control Module Bracket
(2)Starter/Generator Control Module
(3)Dash Panel
(4)G120
(5)Starter/Generator Control Module Coolant Hose
Figure 13:

G121 (HP2)


Object Number: 1395897  Size: LF
(1)Engine Block
(2)G121
(3)Electro Hydraulic Power Steering (EHPS) 42V Harness
Figure 14:

G122 (HP2)


Object Number: 1395896  Size: LF
(1)Electro Hydraulic Power Steering (EHPS) Module Assembly
(2)G122
(3)Water Pump
Figure 15:

G200


Object Number: 403970  Size: MF
(1)Instrument Panel
(2)G200
(3)Ground Stud
Figure 16:

Junction Block - I/P


Object Number: 310167  Size: LF
(1)Junction Block - I/P
(2)Instrument Panel
Figure 17:

C210 and Relay Block - I/P - C4


Object Number: 814939  Size: LF
(1)Relay Block - I/P
(2)Relay Block - I/P - C4
(3)C210 - Roof Beacon Relay Inline
Figure 18:

Body Control Module (BCM)


Object Number: 886494  Size: MF
(1)Fuse Block - Left I/P
(2)Instrument Panel
(3)Body Control Module (BCM)
(4)Body Harness to Body Control Module (BCM)
Figure 19:

Steering Wheel and Column Sub-System Components


Object Number: 856748  Size: LF
(1)Steering Wheel Audio Controls - Left
(2)Passlock Sensor Connector
(3)Ignition Key Alarm Switch
(4)Ignition Lock Cylinder Control Actuator
(5)Ignition Lock Cylinder Control Actuator Connector
(6)Ignition Switch
(7)Ignition Key Cylinder
(8)Steering Wheel Audio Controls - Right
(9)Horn Switch
(10)Steering Wheel Driver Information (DIC) Controls - Right
(11)C277
(12)Steering Wheel Driver Information Center (DIC) Controls - Left
(13)Turn Signal/Multifunction Switch
Figure 20:

G203


Object Number: 1373386  Size: LF
(1)Upper Plenum
(2)G203
Figure 21:

G110 and G302


Object Number: 1373402  Size: LF
(1)Left Front Body Mount
(2)G110
(3)G302 (10 Series)
Figure 22:

G302 (HVY)


Object Number: 1393697  Size: LF
(1)Fuel Pump and Sender Assembly
(2)Fuel Tank
(3)Frame
(4)G302
(5)Evaporative Emission (EVAP) Canister Purge Solenoid
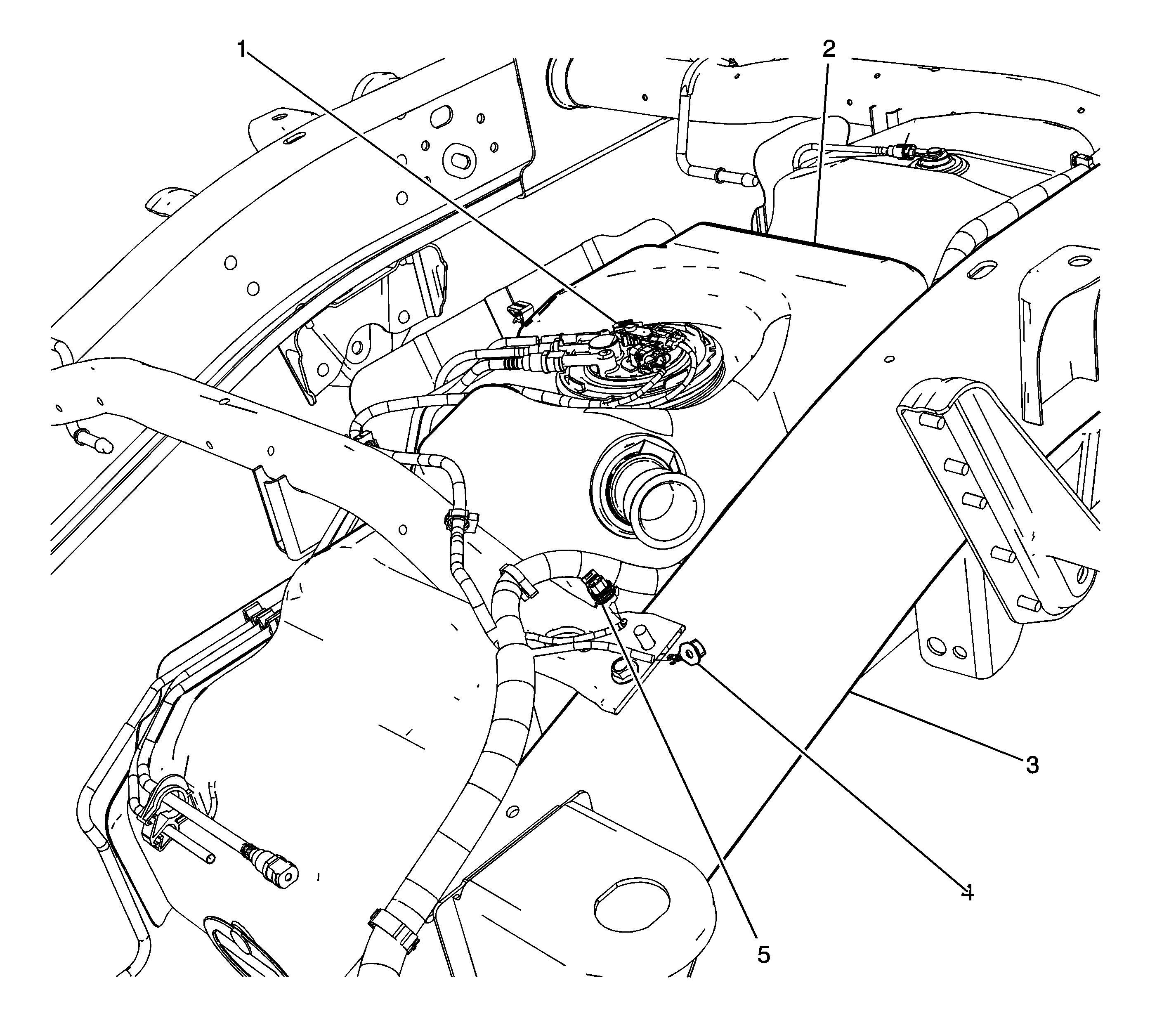
Figure 23:

G304 and G306


Object Number: 1373409  Size: LF
(1)C396 (Crew Cab)
(2)G306
(3)G304
(4)C399
(5)RH B-Pillar
Figure 24:

G305 (Crew Cab)


Object Number: 1373410  Size: LF
(1)G305
(2)LH B-Pillar
(3)C305
(4)Inflatable Restraint Sensing and Diagnostic Module (SDM)
Figure 25:

Energy Storage Box (HP2)


Object Number: 1395899  Size: LF
(1)Energy Storage Control Module (ESCM)
(2)400A Fuse Holder
(3)Energy Storage Box (ESB) Fan
(4)Battery Cut Off Switch
(5)Voltage Sensor - 1
(6)Temperature Sensor - Battery 1
(7)C340
(8)Battery 1
(9)Voltage Sensor - 2
(10)Temperature Sensor - Battery 2
(11)Battery 2
(12)Current Sensor
(13)Auxiliary Power Outlet
(14)Voltage Sensor - 3
(15)Temperature Sensor - Battery 3
(16)Battery 3
(17)Voltage Sensor - 4
(18)Auxiliary Power Outlet Connector
(19)C341
(20)Service Disconnect Switch
(21)G311
(22)G310
Figure 26:

G401


Object Number: 1373411  Size: LF
(1)Frame
(2)Fuel Tank
(3)Rear Differential
(4)G401
Figure 27:

G403 (Chassis Cab, 853 or 5Y0)


Object Number: 1393698  Size: LF
(1)Electronic Brake Control Module (EBCM)
(2)Chassis Harness
(3)G403
Figure 28:

G405 (HP2)


Object Number: 1395898  Size: LF
(1)Spare Tire Carrier Bracket
(2)Rear EPTO Outlet Connector
(3)G405
(4)Frame