Torque Converter Locator Bushing Replacement 5.3L Engine w/RPO HP2
Tools Required
| • | J 45949 Pilot Bearing
and Flywheel Locator Installer |
Removal Procedure
- Remove
the starter/generator rotor. Refer to
Generator Rotor Replacement
.
- Install the J 45849
(1) into the locator bushing (2).
- Using 2 wrenches, rotate the inner shaft of J 45849
, in order to remove the bushing.
- Remove the locator bushing.
Installation Procedure
- Position the bushing into the end of the
crankshaft.
- UsingJ 8433-1
(1) and J 45949
(2) install the locator bushing (3) into the
rear of the crankshaft.
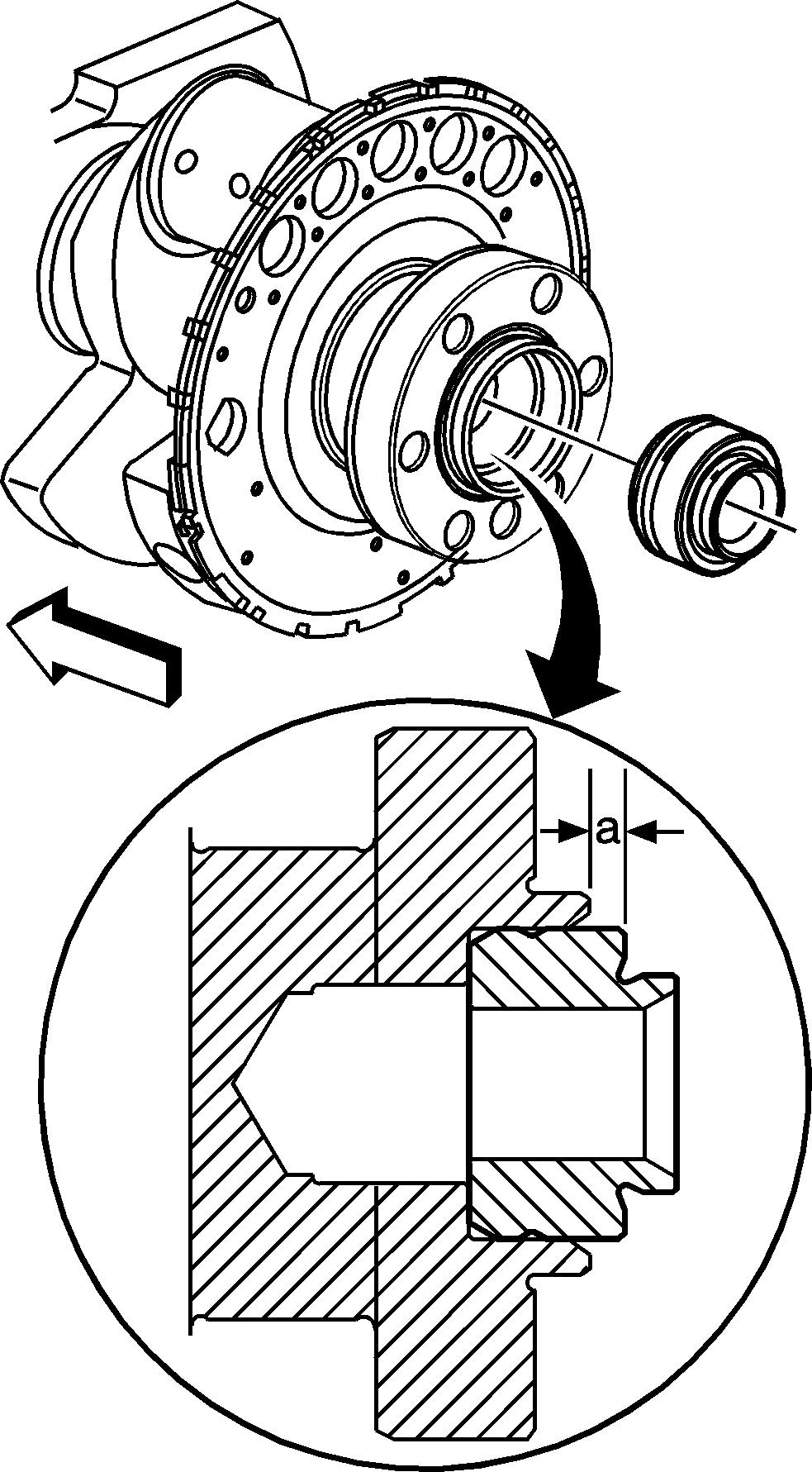
- Inspect
the locator bushing for proper installation. A properly installed bushing should protrude
no more than 8.4 mm (0.33 in) (a) from the rear of the crankshaft.
- Install the starter/generator rotor. Refer to
Generator Rotor Replacement
.