GM Service Manual Online
For 1990-2009 cars only
Makes
🢒
Chevrolet
🢒
2005
🢒
Chevy C Silverado - 2WD
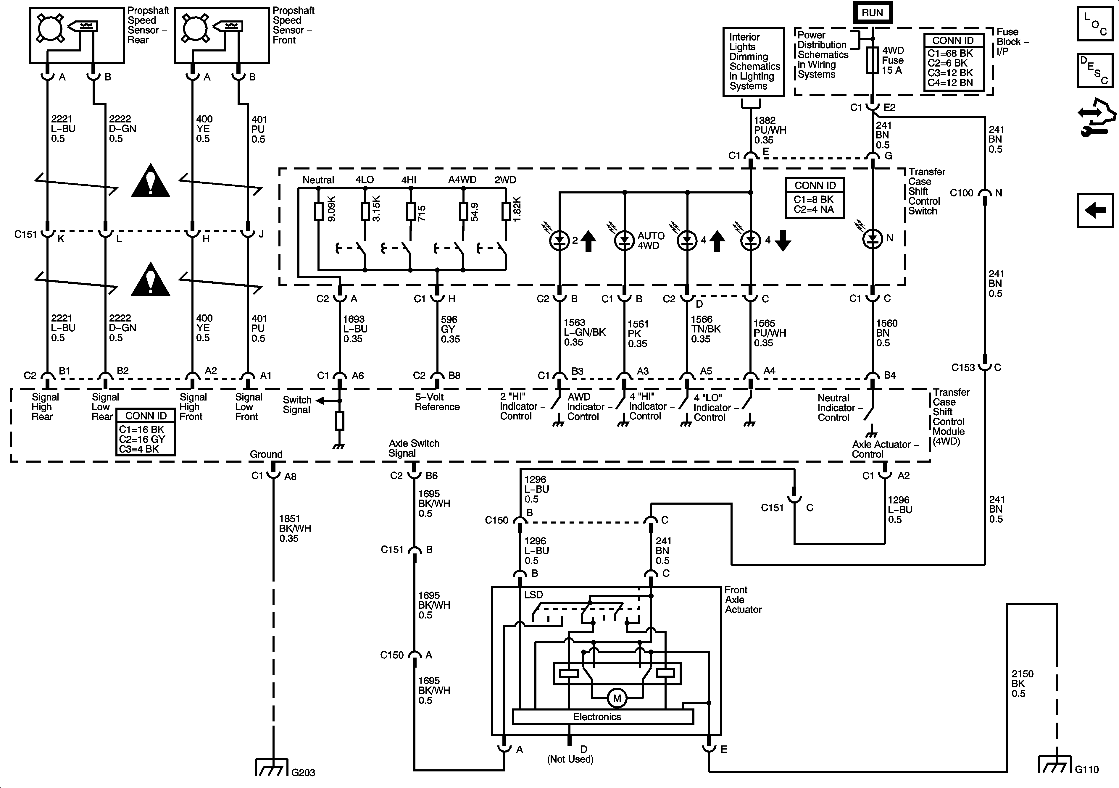
🢒 Propshaft Speed Sensors, Front Axle Actuator and Transfer Case Shift Control Switch
Propshaft Speed Sensors, Front Axle Actuator and Transfer Case Shift Control Switch
Propshaft Speed Sensors, Front Axle Actuator and Transfer Case Shift Control Switch
Master Electrical Component List
Transfer Case Description and Operation
Control Module References
Power, Ground, Serial Data and Transfer Case Encoder Motor
LED Dimming Supply - 2 of 2
Ignition Switch - START, RUN, and ACC/RUN/START Bus Bars and IGN A and CRANK Fuses
Transfer Case Control Schematic Icons
Transfer Case Control Schematic Icons
G203 - 1 of 2
G104, G106, G107 and G110