GM Service Manual Online
For 1990-2009 cars only
Makes
🢒
Chevrolet
🢒
2005
🢒
Chevy C Silverado - 2WD
🢒 Power, Ground, Serial Data, Indicator Control, and Switches
Power, Ground, Serial Data, Indicator Control, and Switches
Power, Ground, Serial Data, Indicator Control and Switches
Master Electrical Component List
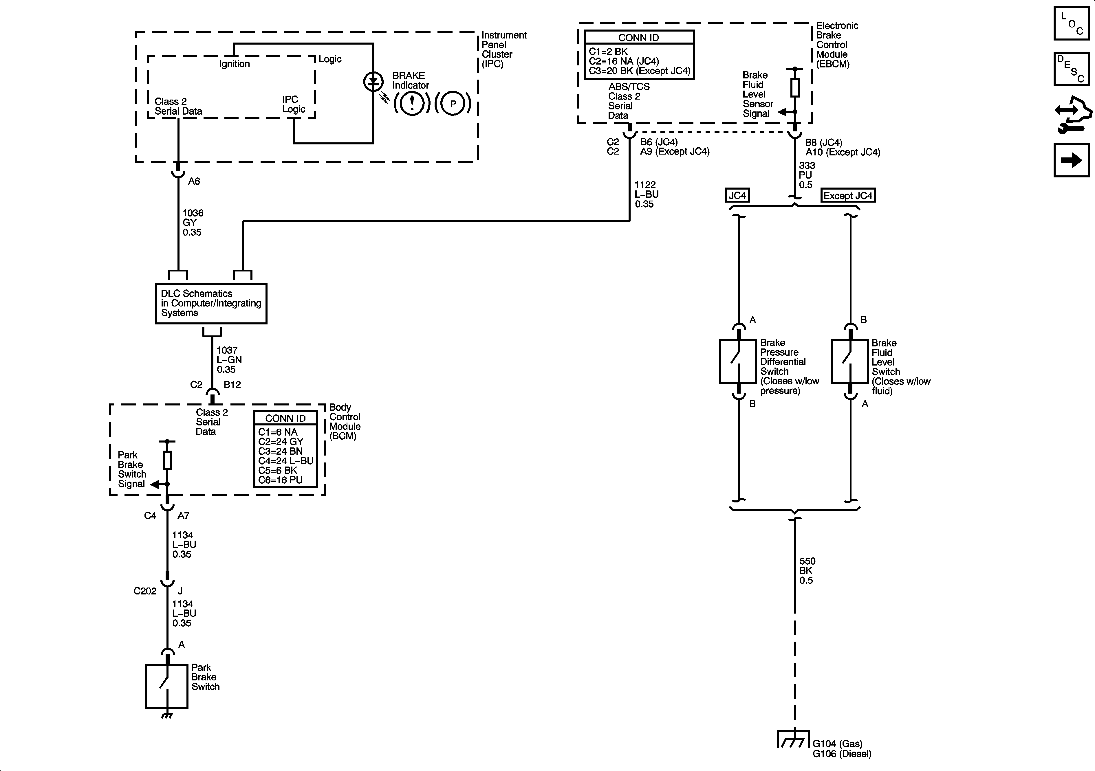
Brake Warning System Description and Operation
Control Module References
Supplimental Brake Assist
Power, Ground, DLC and Splice Pack SP 205
G104, G106, G107 and G110