GM Service Manual Online
For 1990-2009 cars only
Makes
🢒
Chevrolet
🢒
2005
🢒
Chevy C Silverado - 2WD
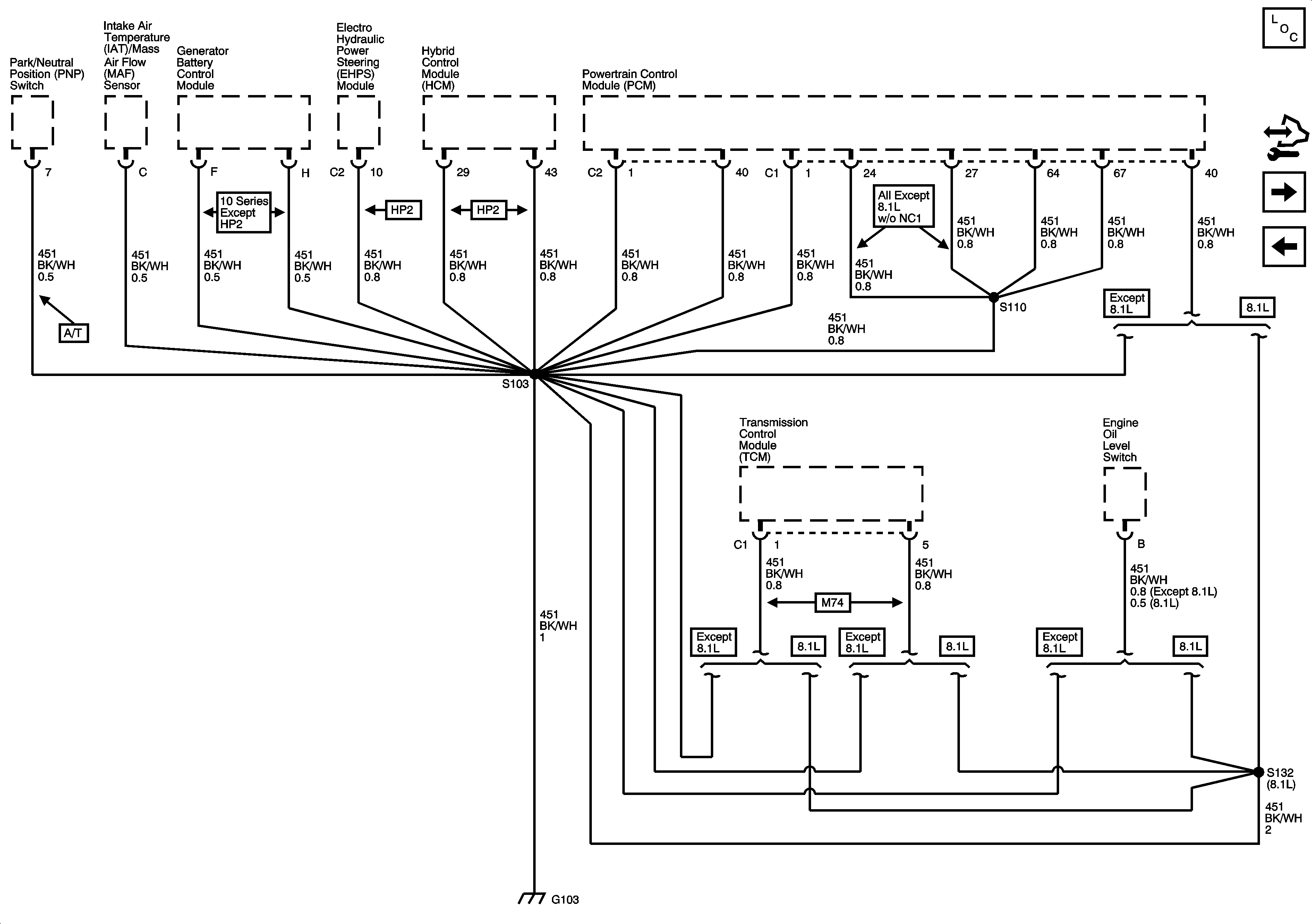
🢒 G103 - Gas
G103 - Gas
G103 - Gas
Master Electrical Component List
Control Module References
G102, G103, G108 and G109 - Diesel
G100, G101, and G102