GM Service Manual Online
For 1990-2009 cars only
Makes
🢒
Chevrolet
🢒
2005
🢒
Chevy C Silverado - 2WD
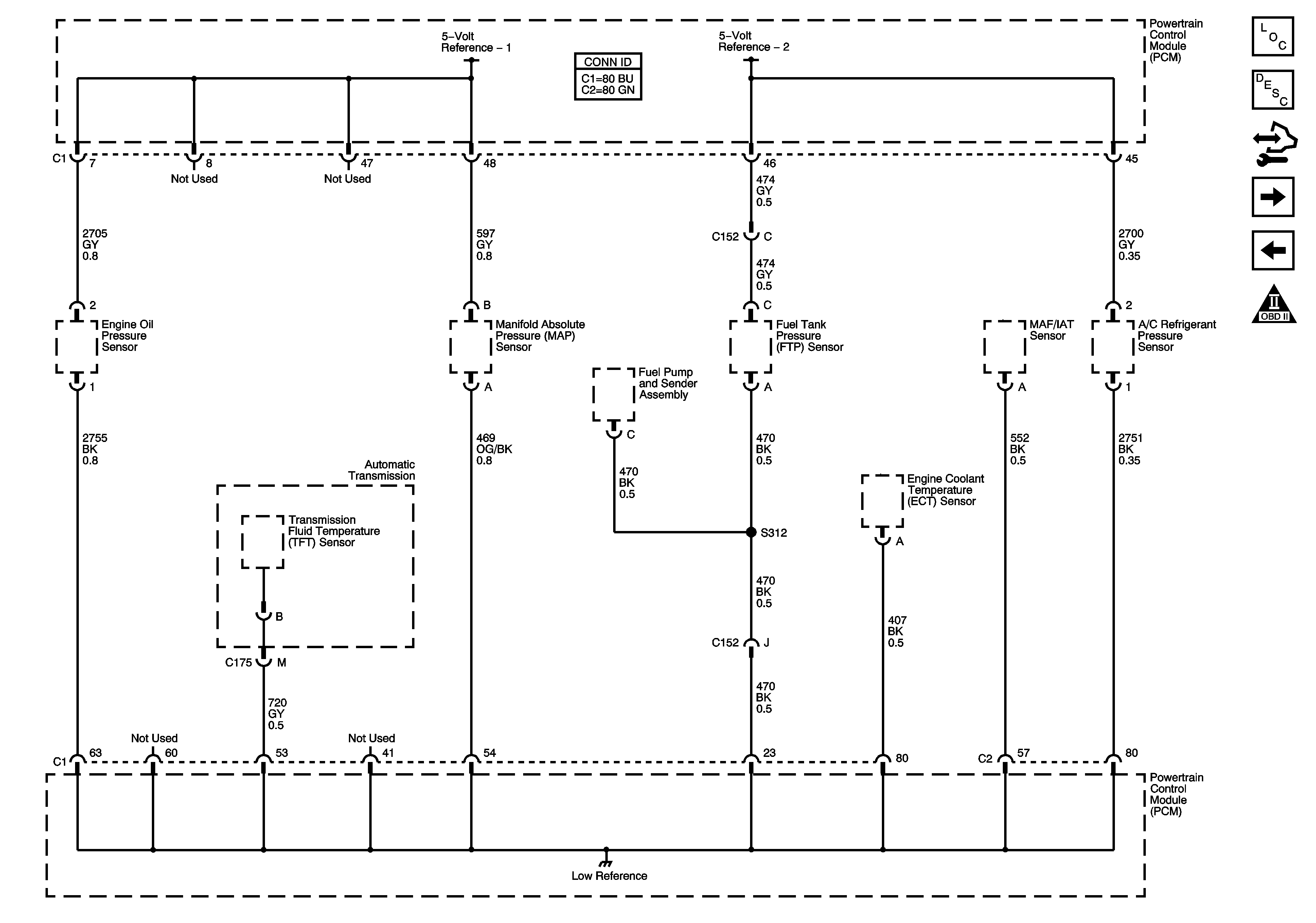
🢒 Engine Data Sensors - 5-Volt and Low Reference
Engine Data Sensors - 5-Volt and Low Reference
Engine Data Sensors - 5-Volt and Low Reference
Master Electrical Component List
Powertrain Control Module Description
Control Module References
Engine Data Sensors - Pressure, Temperature, MAF, and VSS
Module Power, Ground, Serial Data and MIL
Engine Controls Schematic Icons