GM Service Manual Online
For 1990-2009 cars only
Makes
🢒
Chevrolet
🢒
2005
🢒
Chevy C Silverado - 2WD
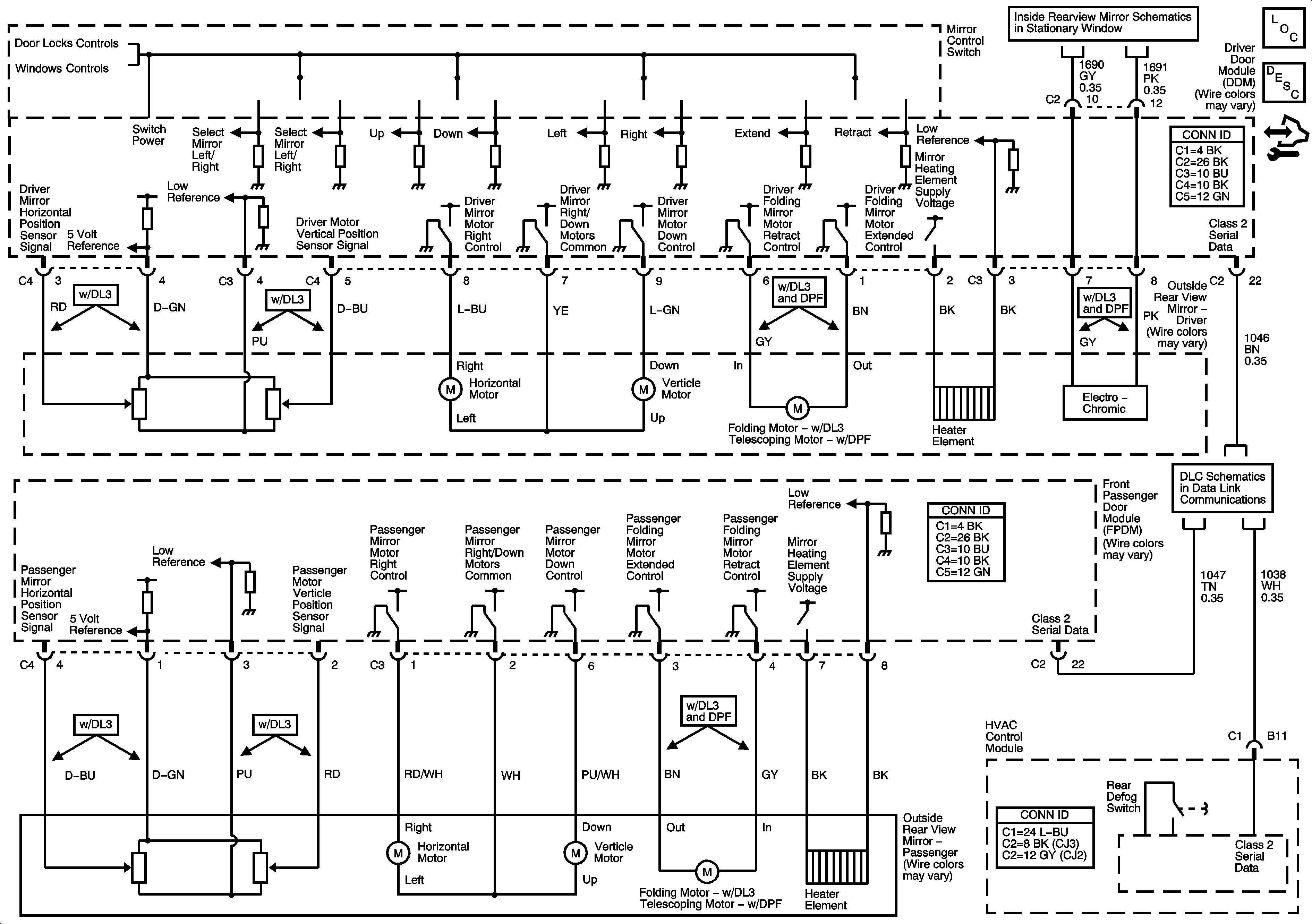
🢒 Outside Mirror Schematics
Outside Mirror Schematics
Master Electrical Component List
Outside Mirror Description and Operation Heated Mirrors
Control Module References
Switches and Front Door Activators (YE9)
Left Doors
Inside Rearview Mirror Schematics
Power, Ground, DLC and Splice Pack SP 205