GM Service Manual Online
For 1990-2009 cars only
Makes
🢒
Chevrolet
🢒
2006
🢒
Chevy C Silverado - 2WD
🢒
Body
🢒
Instrument Panel, Gages, and Console
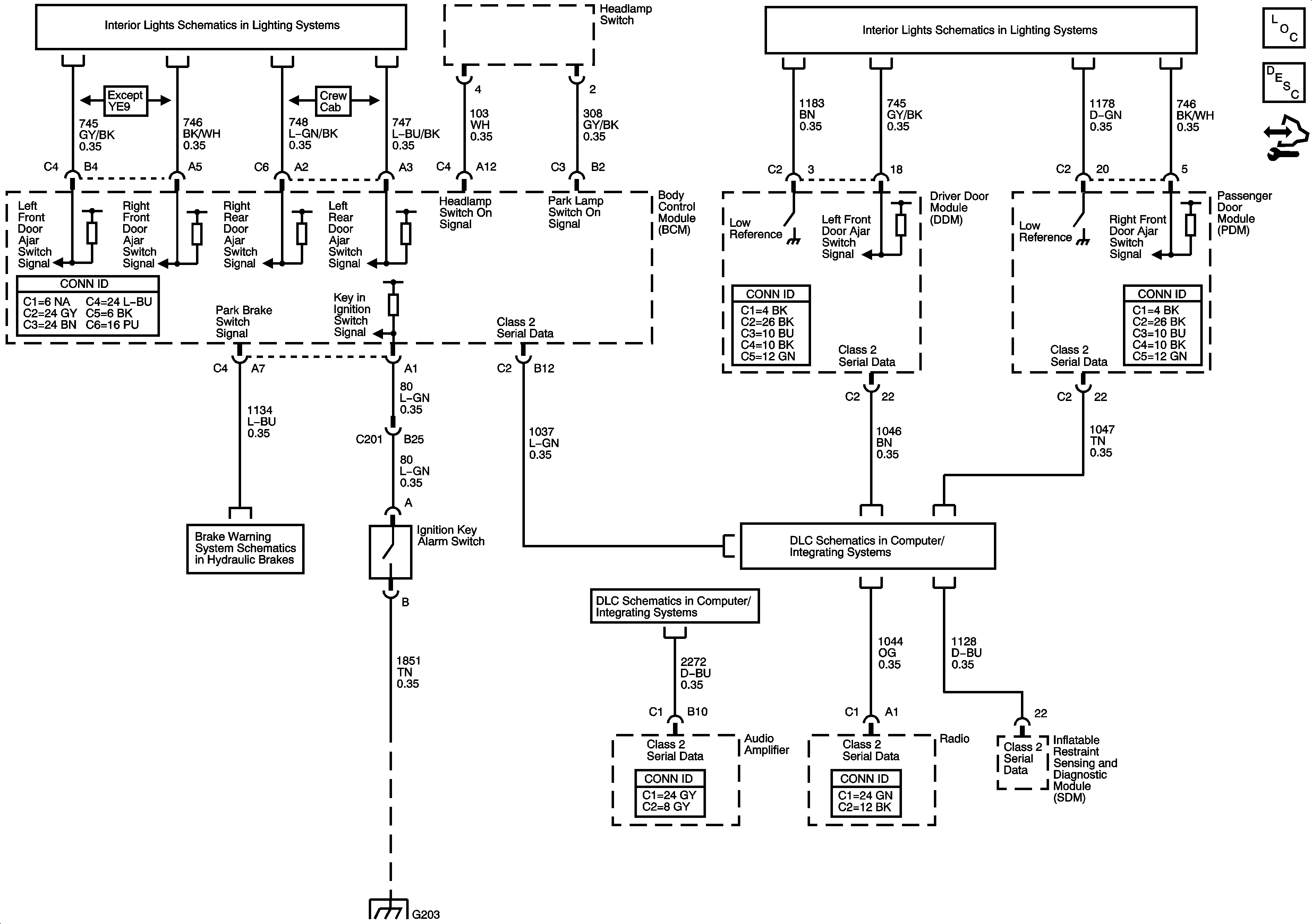
🢒 Audible Warnings Schematics
Master Electrical Component List
Audible Warnings Description and Operation
Control Module References
Door Jamb Switches (w/o YE9/Y91)
Power, Ground, Serial Data, Indicator Control, and Switches
Door Jamb Switches (YE9/Y91)
Power, Ground, DLC, and Splice Pack SP205
Splice Pack SP207
G203 - 1 of 2