GM Service Manual Online
For 1990-2009 cars only

Radio/Audio System Schematics Base

Figure 1:

Power, Ground, Serial Data, and Digital Radio


Object Number: 1570594  Size: FS
Master Electrical Component List
Radio/Audio System Description and Operation
Control Module References
Speakers
Entertainment Schematic Icons
G203 - 2 of 2
G203 - 1 of 2
G203 - 1 of 2
Power, Ground, DLC, and Splice Pack SP205
Entertainment Schematic Icons
Power, Ground, DLC, and Splice Pack SP205
B+ Bus Bar
RADIO, RADIO/AMP, and S/ROOF Fuses
Figure 2:

Speakers


Object Number: 1570596  Size: FS
Master Electrical Component List
Radio/Audio System Description and Operation
Control Module References
Power, Ground, Serial Data, and Digital Radio
Entertainment Schematic Icons
Entertainment Schematic Icons
Entertainment Schematic Icons
Entertainment Schematic Icons
Entertainment Schematic Icons
Entertainment Schematic Icons

Radio/Audio System Schematics Premium

Figure 1:

Power, Ground, Serial Data, and VCIM


Object Number: 1570597  Size: FS
Master Electrical Component List
Radio/Audio System Description and Operation
Control Module References
Rear Seat Entertainment (RSE) Assembly (U42)
B+ Bus Bar
RADIO, RADIO/AMP, and S/ROOF Fuses
Power, Ground, DLC, and Splice Pack SP205
Entertainment Schematic Icons
G203 - 1 of 2
Figure 2:

Rear Seat Entertainment (RSE) Assembly (U42)


Object Number: 1570598  Size: FS
Master Electrical Component List
Video Entertainment System Description and Operation
Control Module References
Digital Radio Receiver (U2K)
Power, Ground, Serial Data, and VCIM
B+ Bus Bar
CIG LTR, EAP, INFO, and RVC Fuses
Power, Ground, DLC, and Splice Pack SP205
G203 - 1 of 2
Figure 3:

Digital Radio Receiver (U2K)


Object Number: 1570599  Size: FS
Master Electrical Component List
Video Entertainment System Description and Operation
Control Module References
Digital Radio Receiver (U2K) and Rear Seat Entertainment (RSE) Assembly (U42)
Rear Seat Entertainment (RSE) Assembly (U42)
B+ Bus Bar
RADIO, RADIO/AMP, and S/ROOF Fuses
OnStar
Power, Ground, DLC, and Splice Pack SP205
Entertainment Schematic Icons
G203 - 1 of 2
Figure 4:

Digital Radio Receiver (U2K) and Rear Seat Entertainment (RSE) Assembly (U42)


Object Number: 1570601  Size: FS
Master Electrical Component List
Video Entertainment System Description and Operation
Control Module References
Amplifier (D07 w/o UK6)
Digital Radio Receiver (U2K)
B+ Bus Bar
OnStar
Power, Ground, DLC, and Splice Pack SP205
Entertainment Schematic Icons
G203 - 1 of 2
RADIO, RADIO/AMP, and S/ROOF Fuses
RADIO, RADIO/AMP, and S/ROOF Fuses
Power, Ground, DLC, and Splice Pack SP205
Entertainment Schematic Icons
Entertainment Schematic Icons
G203 - 1 of 2
Figure 5:

Amplifier (D07 w/o UK6)


Object Number: 1570602  Size: FS
Master Electrical Component List
Radio/Audio System Description and Operation
Control Module References
Amplifier and Rear Seat Audio (RSA) Controller (D07/UK6)
Digital Radio Receiver (U2K) and Rear Seat Entertainment (RSE) Assembly (U42)
Entertainment Schematic Icons
Entertainment Schematic Icons
B+ Bus Bar
G203 - 1 of 2
Figure 6:

Amplifier and Rear Seat Audio (RSA) Controller (D07/UK6)


Object Number: 1570604  Size: FS
Master Electrical Component List
Radio/Audio System Description and Operation
Control Module References
Front Speakers
Amplifier (D07 w/o UK6)
Entertainment Schematic Icons
Entertainment Schematic Icons
B+ Bus Bar
Entertainment Schematic Icons
RADIO, RADIO/AMP, and S/ROOF Fuses
RADIO, RADIO/AMP, and S/ROOF Fuses
Entertainment Schematic Icons
Power, Ground, DLC, and Splice Pack SP205
G203 - 1 of 2
Figure 7:

Front Speakers


Object Number: 1570605  Size: FS
Master Electrical Component List
Radio/Audio System Description and Operation
Control Module References
Rear Speakers and Subwoofer
Amplifier and Rear Seat Audio (RSA) Controller (D07/UK6)
Entertainment Schematic Icons
Entertainment Schematic Icons
Entertainment Schematic Icons
Entertainment Schematic Icons
Entertainment Schematic Icons
Entertainment Schematic Icons
Entertainment Schematic Icons
Entertainment Schematic Icons
Entertainment Schematic Icons
Figure 8:

Rear Speakers and Subwoofer


Object Number: 1570606  Size: FS
Master Electrical Component List
Radio/Audio System Description and Operation
Control Module References
Front Speakers
Entertainment Schematic Icons
Entertainment Schematic Icons
Entertainment Schematic Icons
Entertainment Schematic Icons
Entertainment Schematic Icons
Entertainment Schematic Icons

Radio/Audio System Schematics Luxury

Figure 1:

Power, Ground, Serial Data, and Vehicle Communication Interface Module (VCIM)


Object Number: 1570769  Size: FS
Master Electrical Component List
Radio/Audio System Description and Operation
Control Module References
Remote Playback Device - CD PLayer (U1S)
B+ Bus Bar
RADIO, RADIO/AMP, and S/ROOF Fuses
G203 - 1 of 2
Power, Ground, DLC, and Splice Pack SP205
Entertainment Schematic Icons
Figure 2:

Remove Playback Device - CD Player (U1S)


Object Number: 1570770  Size: FS
Master Electrical Component List
Radio/Audio System Description and Operation
Control Module References
Power, Ground, Serial Data, and Vehicle Communication Interface Module (VCIM)
Rear Seat Entertainment (RSE) Asembly (U42), Digital Radio Receiver (U2K), and Remote Playback - CD Player (U1S)
B+ Bus Bar
CIG LTR, EAP, INFO, and RVC Fuses
G203 - 1 of 2
Rear Seat Entertainment (RSE) Asembly (U42), Digital Radio Receiver (U2K), and Remote Playback - CD Player (U1S)
Rear Seat Entertainment (RSE) Asembly (U42), Digital Radio Receiver (U2K), and Remote Playback - CD Player (U1S)
Rear Seat Entertainment (RSE) Asembly (U42), Digital Radio Receiver (U2K), and Remote Playback - CD Player (U1S)
Rear Seat Entertainment (RSE) Asembly (U42), Digital Radio Receiver (U2K), and Remote Playback - CD Player (U1S)
Power, Ground, DLC, and Splice Pack SP205
I/P Lamps Dimming Control Supply - 1 of 3
Figure 3:

Rear Seat Entertainment (RSE) Assembly (U42), Digital Radio Receiver (U2K), and Remote Playback - CD Player (U1S)


Object Number: 1570772  Size: FS
Master Electrical Component List
Video Entertainment System Description and Operation
Control Module References
Rear Seat Audio (RSA) Controller and Amplifier
Remote Playback Device - CD PLayer (U1S)
B+ Bus Bar
RADIO, RADIO/AMP, and S/ROOF Fuses
Power, Ground, DLC, and Splice Pack SP205
Entertainment Schematic Icons
Remote Playback Device - CD PLayer (U1S)
G203 - 1 of 2
Remote Playback Device - CD PLayer (U1S)
Remote Playback Device - CD PLayer (U1S)
Remote Playback Device - CD PLayer (U1S)
OnStar
Power, Ground, DLC, and Splice Pack SP205
CIG LTR, EAP, INFO, and RVC Fuses
Entertainment Schematic Icons
Entertainment Schematic Icons
G203 - 1 of 2
Figure 4:

Rear Seat Audio (RSA) Controller and Amplifier


Object Number: 1570776  Size: FS
Master Electrical Component List
Radio/Audio System Description and Operation
Control Module References
Front Speakers
Rear Seat Entertainment (RSE) Asembly (U42), Digital Radio Receiver (U2K), and Remote Playback - CD Player (U1S)
Entertainment Schematic Icons
Entertainment Schematic Icons
Entertainment Schematic Icons
Entertainment Schematic Icons
Power, Ground, DLC, and Splice Pack SP205
RADIO, RADIO/AMP, and S/ROOF Fuses
B+ Bus Bar
G203 - 1 of 2
Figure 5:

Front Speakers


Object Number: 1570777  Size: FS
Master Electrical Component List
Radio/Audio System Description and Operation
Control Module References
Rear Speakers and Subwoofer
Rear Seat Audio (RSA) Controller and Amplifier
Entertainment Schematic Icons
Entertainment Schematic Icons
Entertainment Schematic Icons
Entertainment Schematic Icons
Entertainment Schematic Icons
Entertainment Schematic Icons
Entertainment Schematic Icons
Entertainment Schematic Icons
Figure 6:

Rear Speakers and Subwoofer


Object Number: 1570779  Size: FS
Master Electrical Component List
Radio/Audio System Description and Operation
Control Module References
Front Speakers
Entertainment Schematic Icons
Entertainment Schematic Icons
Entertainment Schematic Icons
Entertainment Schematic Icons
Entertainment Schematic Icons

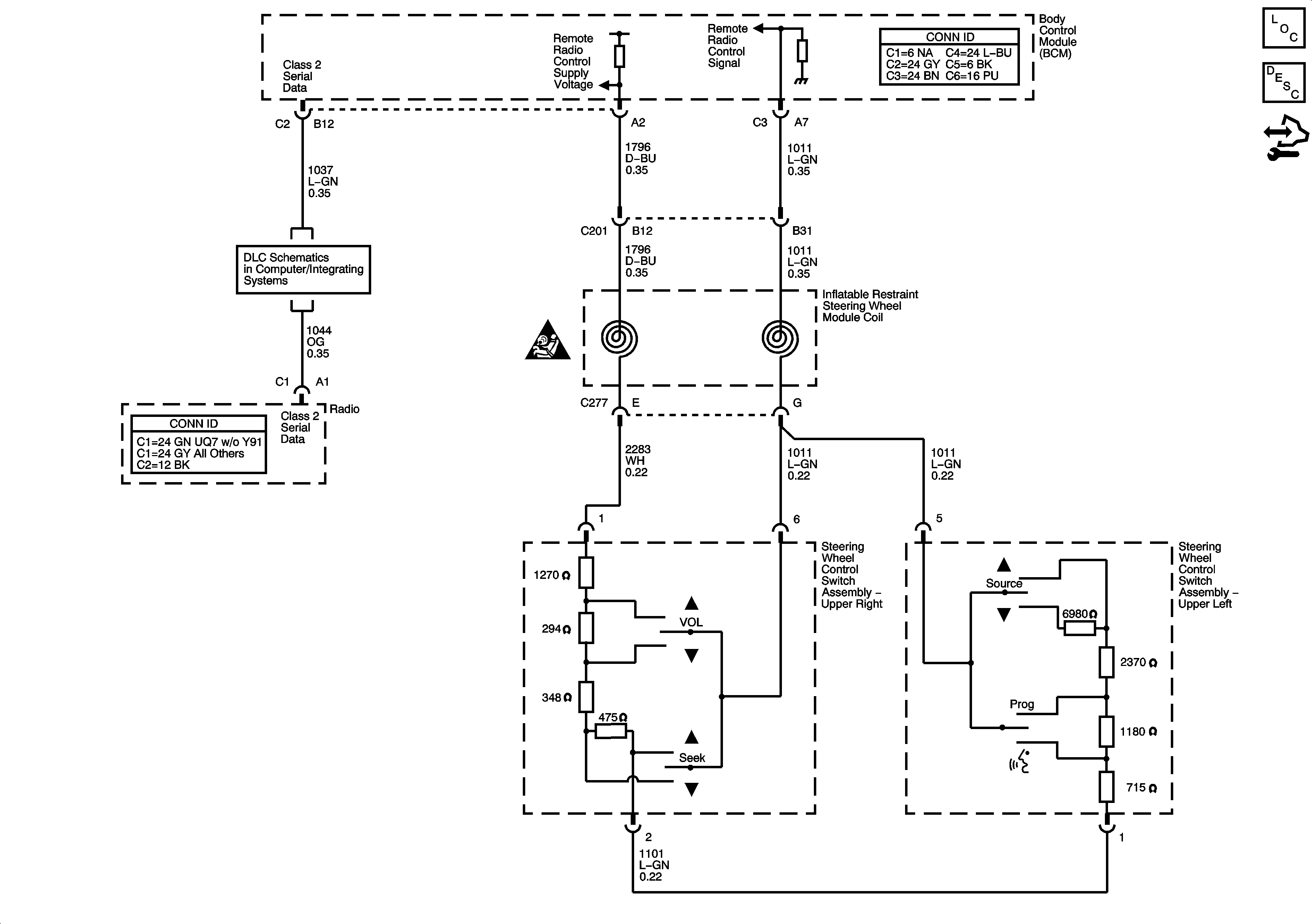
Radio/Audio System Schematics Steering Wheel Controls (UK3)


Object Number: 1570593  Size: FS