GM Service Manual Online
For 1990-2009 cars only

Removal Procedure

  1. Partially drain the coolant. Refer to Cooling System Draining and Filling .
  2. Remove the air cleaner and the duct.
  3. Remove the coolant recovery reservoir or the surge tank (Diesel).
  4. • For the reservoir, refer to Coolant Recovery Reservoir Replacement .
    • For the surge tank, refer to Surge Tank (Diesel) .

    Object Number: 71650  Size: SH
  5. Remove the upper fan shroud.
  6. Remove the lower fan shroud.
  7. Remove the fan and the clutch from the engine. Refer to Fan Clutch Replacement .
  8. Disconnect the electrical connections from the radiator.

  9. Object Number: 71652  Size: SH
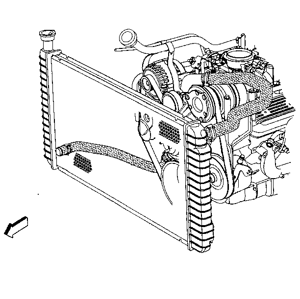
  10. For the 4.3L, disconnect the clamps and the upper and the lower hoses from the radiator.

  11. Object Number: 71655  Size: SH
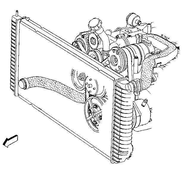
  12. For the 5.0L and 5.7L, disconnect the clamps and the upper and the lower hoses from the radiator.

  13. Object Number: 71659  Size: SH
  14. For the 7.4L, disconnect the clamps and the upper and the lower hoses from the radiator.

  15. Object Number: 71665  Size: SH
  16. For the 6.5L diesel engine, disconnect the clamps and the upper and the lower hoses from the radiator.
  17. Disconnect the transmission oil cooler lines from the radiator. Refer to Oil Cooler Line Replacement in Automatic Transaxle.
  18. Disconnect the oil cooler lines from the radiator. Refer to Oil Cooler Hose/Pipe Replacement .
  19. Remove the radiator.

Installation Procedure

  1. Install the radiator.
  2. Install the oil cooler lines to the vehicle. Refer to Oil Cooler Hose/Pipe Replacement .
  3. Install the transmission oil cooler lines. Refer to Oil Cooler Lines Replacement in Automatic Transaxle.

  4. Object Number: 71652  Size: SH
  5. For the 4.3L, connect the clamps and the upper and the lower hoses to the radiator.

  6. Object Number: 71655  Size: SH
  7. For the 5.0L and 5.7L, connect the clamps and the upper and the lower hoses to the radiator.

  8. Object Number: 71659  Size: SH
  9. For the 7.4L, connect the clamps and the upper and the lower hoses to the radiator.

  10. Object Number: 71665  Size: SH
  11. For the diesel engine, connect the clamps and the upper and the lower hoses to the radiator.
  12. Install the electrical connections to the radiator.
  13. Install the fan and the clutch to the engine. Refer to Fan Clutch Replacement .

  14. Object Number: 71650  Size: SH
  15. Install the lower fan shroud.
  16. Install the upper fan shroud.
  17. Tighten
    Tighten the upper and the lower fan shroud retaining bolts to 11 N·m (97 lb ft).

    Notice: Use the correct fastener in the correct location. Replacement fasteners must be the correct part number for that application. Fasteners requiring replacement or fasteners requiring the use of thread locking compound or sealant are identified in the service procedure. Do not use paints, lubricants, or corrosion inhibitors on fasteners or fastener joint surfaces unless specified. These coatings affect fastener torque and joint clamping force and may damage the fastener. Use the correct tightening sequence and specifications when installing fasteners in order to avoid damage to parts and systems.

  18. Install the coolant recovery reservoir or the surge tank.
  19. • For the reservoir, refer to Coolant Recovery Reservoir Replacement .
    • For the surge tank, refer to Surge Tank (Diesel) .
  20. Install the air cleaner and the duct.
  21. Refill the coolant. Refer to Cooling System Draining and Filling .