GM Service Manual Online
For 1990-2009 cars only
Figure 1:

Engine Wiring Harness to Blower/A/C Evaporator Module


Object Number: 95781  Size: MF
(1)Air Conditioning Evaporator
(2)Engine Wiring Harness Retaining Bolt
(3)Engine Wiring to I/P Harness
(4)Air Conditioning Evaporator Canister
(5)Air Conditioning High Pressure Switch
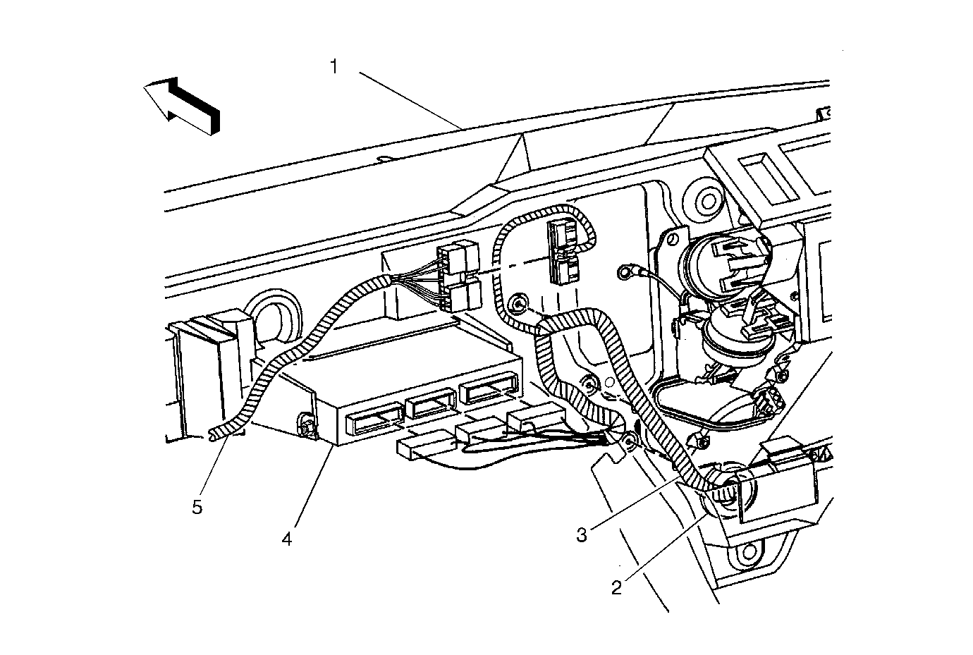
Figure 2:

Engine Wiring Harness to I/P (Left Hand Side)


Object Number: 95783  Size: MF
(1)Engine Wiring Harness Retainer Stud
(2)Engine Wiring Harness
(3)Power Steering Bracket
(4)Engine Wiring Harness Retainer Nut
(5)Engine Wiring Harness to RH Engine 5.0L, 5.7L, 6.5L only
(6)Engine Wiring Harness to RH Engine 4.3L only
Figure 3:

Fuse Block Installation


Object Number: 95785  Size: SH
(1)Engine Wiring Harness
(2)Fuse Block Reatiner Bolt
(3)Fuse Block
(4)Fuse Block Bracket
Figure 4:

Fuse Block Water Deflector


Object Number: 95787  Size: SH
Figure 5:

Fuse Block Bracket


Object Number: 95789  Size: SH
(1)Fuse Block Bracket
(2)Left Hand Inner Panel
(3)Fuse Block Bracket Nut
(4)Fuse Block Bracket Retainer Nut
Figure 6:

Fuse Block Cable


Object Number: 95791  Size: MF
(1)Engine Wiring to Fuse Block Connector
(2)Positive Battery Cable
(3)Engine wiring Harness Retaining Clips
(4)Forward Lamp Harness
(5)Fuse Block Cable Nut
(6)Fuse/Relay Center
Figure 7:

Engine Wiring Harness to ABS Module


Object Number: 95795  Size: MF
(1)Frame
(2)Engine Wiring Harness Retaining Clips
(3)Engine Wiring Harness
(4)Brake Control Module
(5)Brake Control Module Ignition Feed Connector
(6)Brake Control Module Battery Feed Connector
(7)Brake Warning Lamp Connector
Figure 8:

Engine Wiring Harness to PCM and Convenience Center


Object Number: 95796  Size: MF
Figure 9:

Engine Wiring Harness to IAT/MAF Sensors


Object Number: 95797  Size: SH
(1)Air Cleaner
(2)Mass Air Flow Connector
(3)Mass Air Flow Sensor Connector
Figure 10:

Engine Wiring Harness to PCM


Object Number: 95799  Size: MF
(1)Instrument Panel
(2)Engine Wiring Harness Grommet
(3)Engine Wiring Harness
(4)Powertrain Control Module
(5)Instrument Wiring Harness