GM Service Manual Online
For 1990-2009 cars only

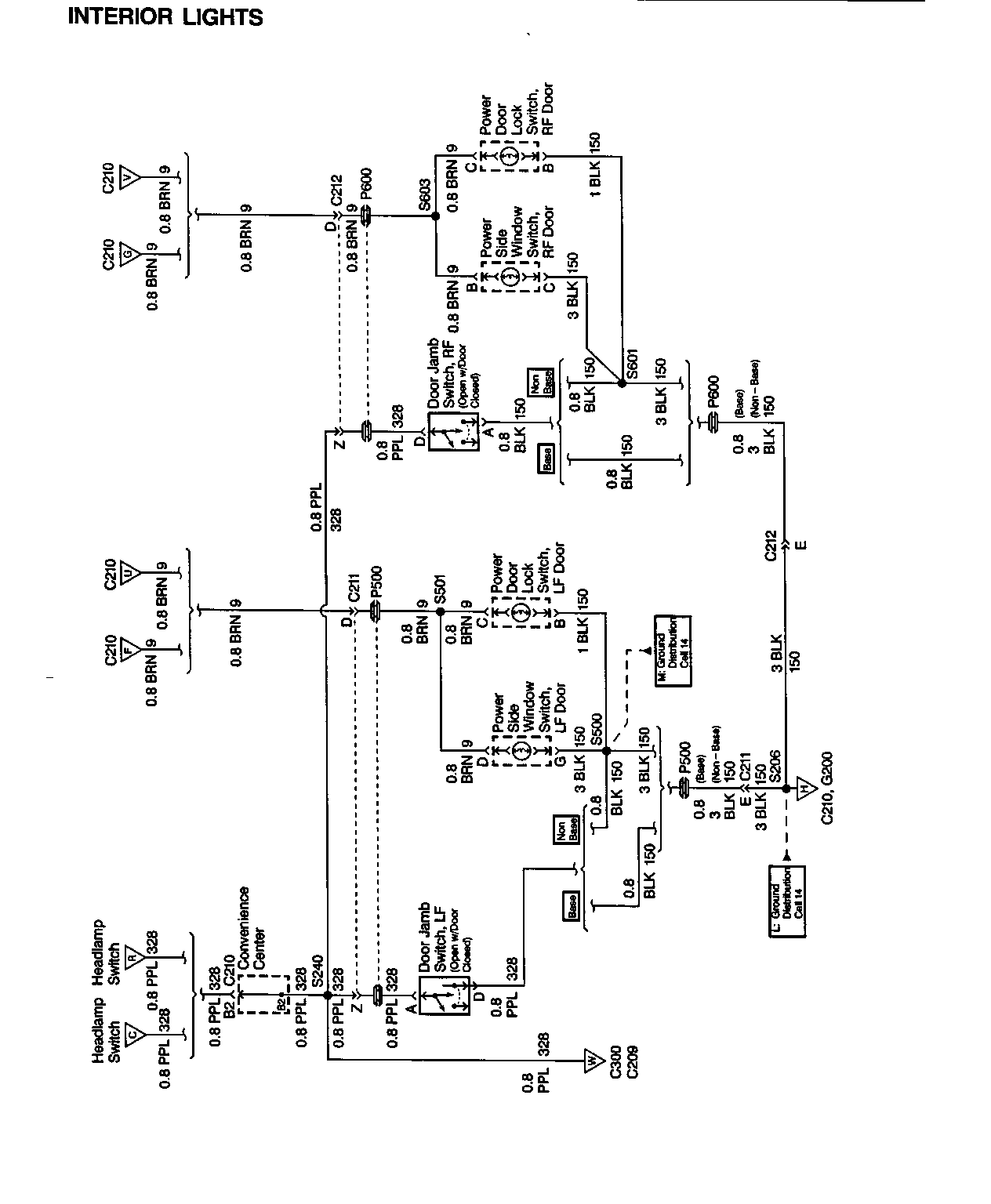
SMU - SECTION 8A - 114, INTERIOR LIGHTS, REVISED

SUBJECT: SERVICE MANUAL UPDATE - SECTION 8A-114, INTERIOR LIGHTS - REVISED SCHEMATICS

MODELS: 1996 CHEVROLET AND GMC G MODELS

THIS BULLETIN REVISES SCHEMATICS ON PAGES 8A-114-2, 8A-114-3 AND ADDS TO THE 8A-114 COMPONENT LOCATOR TABLE IN THE 1996 SAVANA EXPRESS/VAN SERVICE MANUAL.

FIGURES: 0 ATTACHMENTS: 3


Object Number: 83852  Size: FS


Object Number: 84261  Size: FS


Object Number: 85747  Size: FS

GENERAL MOTORS BULLETINS ARE INTENDED FOR USE BY PROFESSIONAL TECHNICIANS, NOT A "DO-IT-YOURSELFER". THEY ARE WRITTEN TO INFORM THOSE TECHNICIANS OF CONDITIONS THAT MAY OCCUR ON SOME VEHICLES, OR TO PROVIDE INFORMATION THAT COULD ASSIST IN THE PROPER SERVICE OF A VEHICLE. PROPERLY TRAINED TECHNICIANS HAVE THE EQUIPMENT, TOOLS, SAFETY INSTRUCTIONS AND KNOW-HOW TO DO A JOB PROPERLY AND SAFELY. IF A CONDITION IS DESCRIBED, DO NOT ASSUME THAT THE BULLETIN APPLIES TO YOUR VEHICLE, OR THAT YOUR VEHICLE WILL HAVE THAT CONDITION. SEE A GENERAL MOTORS DEALER SERVICING YOUR BRAND OF GENERAL MOTORS VEHICLE FOR INFORMATION ON WHETHER YOUR VEHICLE MAY BENEFIT FROM THE INFORMATION.

COPYRIGHT 1996 GENERAL MOTORS CORPORATION. ALL RIGHTS RESERVED.