GM Service Manual Online
For 1990-2009 cars only
Makes
🢒
Chevrolet
🢒
1996
🢒
Chevy G Van
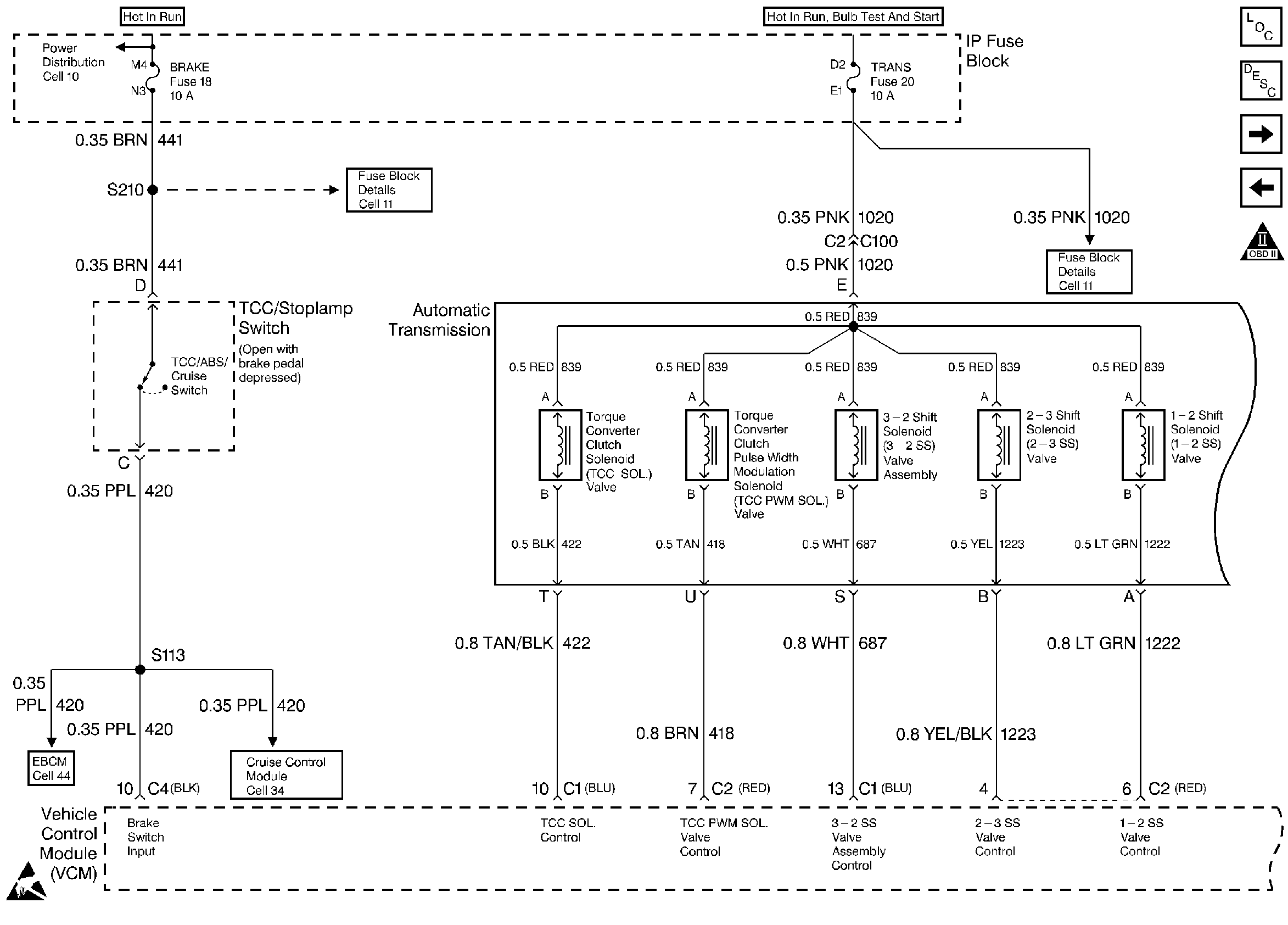
🢒 4L60E TCC/Stoplamp Switch, A/T
4L60E TCC/Stoplamp Switch, A/T
4L60E TCC/Stoplamp Switch, A/T
Engine Controls Components
OBD II Symbol Description Notice
Handling ESD Sensitive Parts Notice
4L80E TCC/Stoplamp Switch, A/T
4L60E A/T, PC Solenoid, TFP