GM Service Manual Online
For 1990-2009 cars only
Makes
🢒
Chevrolet
🢒
1996
🢒
Chevy G Van
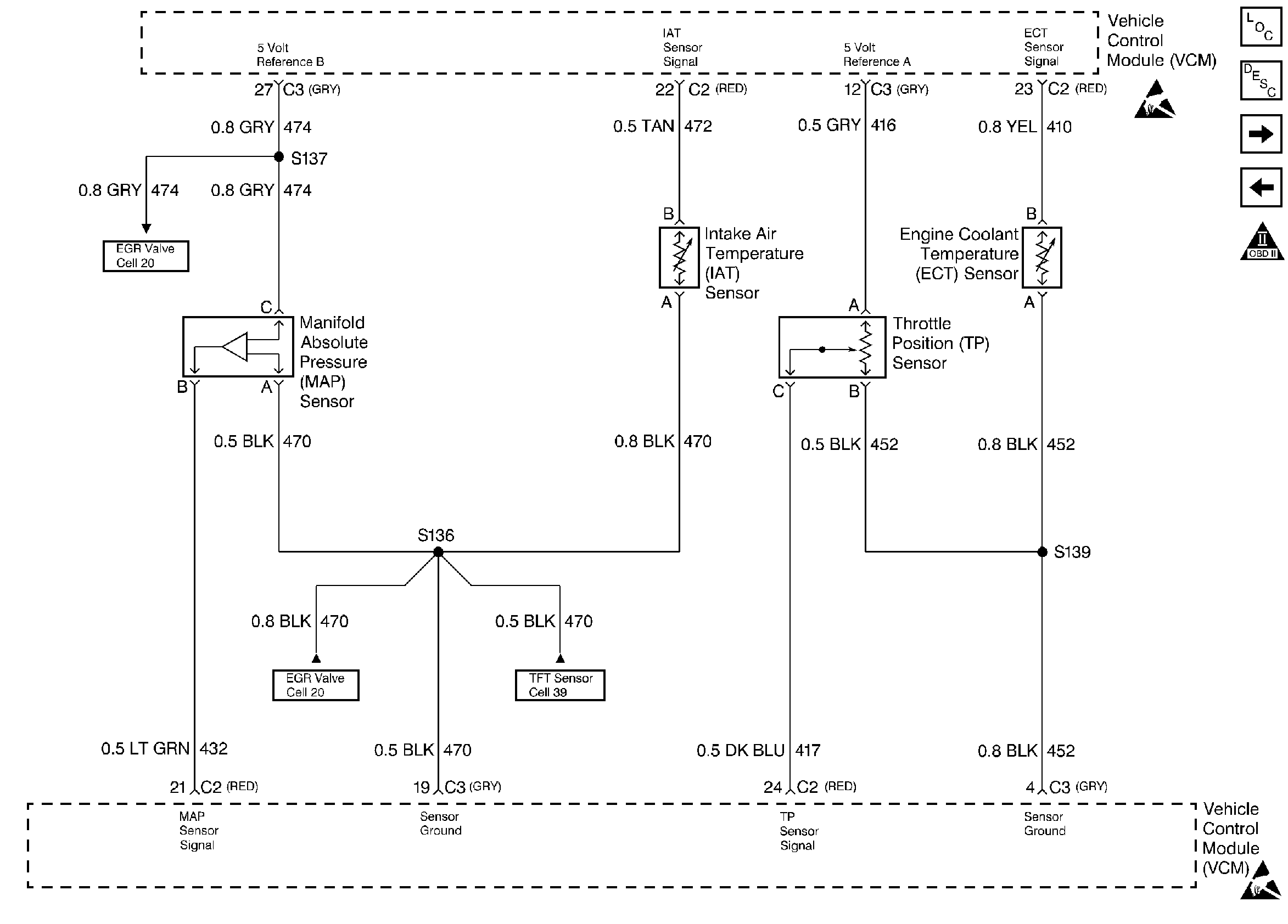
🢒 MAP, IAT, ECT, TP Sensor (7.4L)
MAP, IAT, ECT, TP Sensor (7.4L)
MAP, IAT, ECT, TP Sensor (7.4L)
Engine Controls Components 5.0L/5.7L/7.4L
Information Sensors 5.7L, 7.4L
OBD II Symbol Description Notice
Handling ESD Sensitive Parts Notice
Handling ESD Sensitive Parts Notice
MAF, EGR, EVAP Canister Purge Valve, EVAP Canister Vacuum Switch (7.4L)
Fuel Injector #1 - #8 (7.4L)